Zurück zu
Solo
>
Motorsägen
>
Hobby-Motorsägen
>
636 / 636 Deko
>
ET 11/1998 Druck 9 636 701
>
Bügel/Handgriff
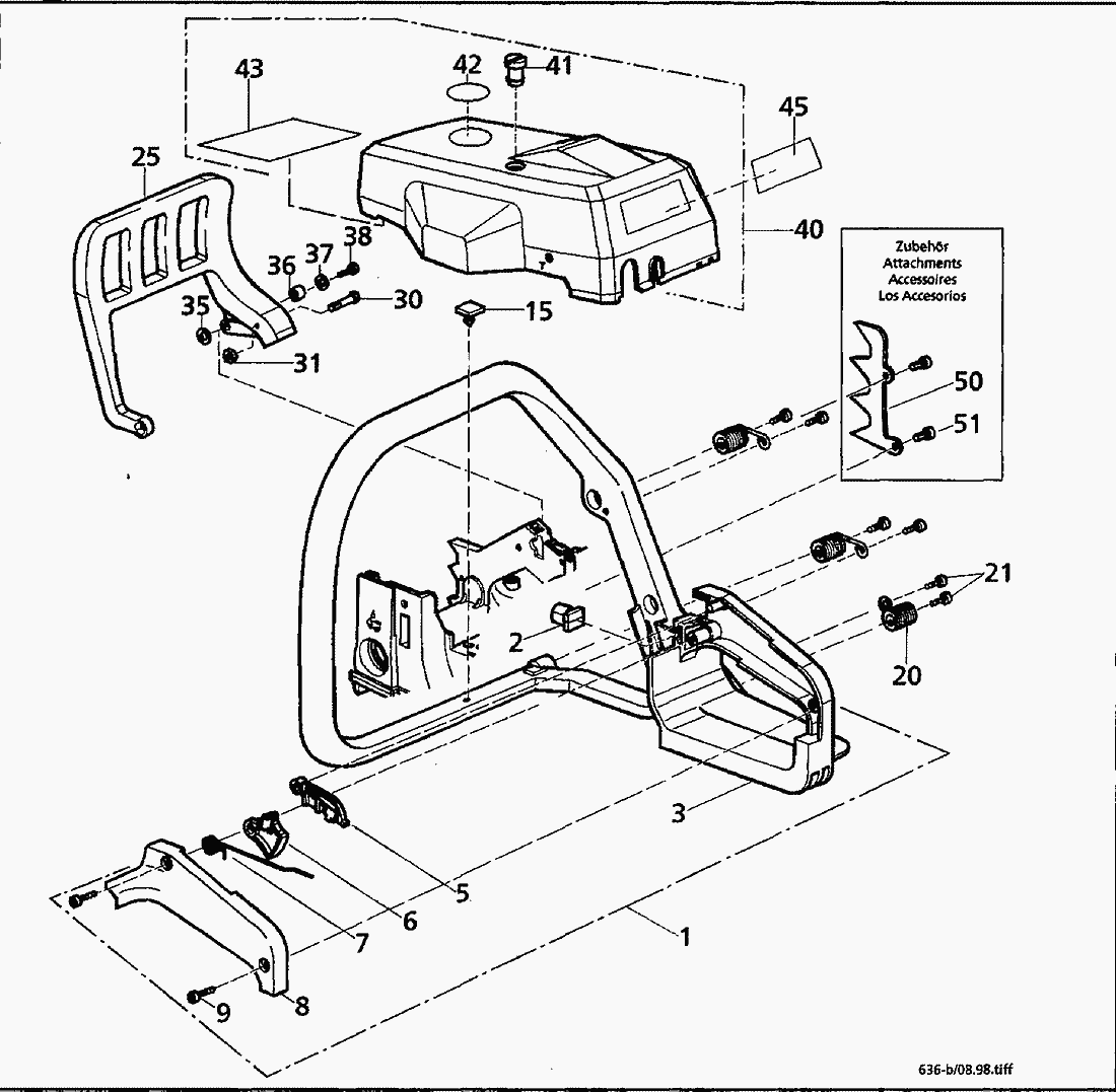
Ersatzteillisten für Solo Motorsägen Bügel/Handgriff
Pos.
Bezeichnung
Ersatzteilnummer
1
GRIFFGEHAEUSE SCHWARZ RAL9005
6100388
2
GI.ELEMENT11,5X14X19,8NBR60SH.
6063181
3
HALTEBUEGEL
6073970
5
Sicherungshebel
6074968
6
HEBEL GAS.
6074967
7
FEDER SCHENKEL.
0073419
8
GRIFFSCHALE SCHWARZ RAL9005
6074969
9
Linsenschraube 4x20
0018356
15
Puffer
0094294
20
Dämpfungsfeder
0073397
21
Linsenschraube 5x12 mm
0018361
25
HANDSCHUTZ SWZ.RAL9005
6073642
30
6KT.SHR.M4X32,1 SW7 SCHALTBLZ.
6032669
31
Sechskantmutter M4
0028118
35
Scheibe 5,2x12x0,5 mm
0072140
36
HUELSE7/5,3X9,5PASS
0042306
37
Scheibe 5,3 mm
0030108
38
Linsenschraube 5x25 mm
0018257
40
HAUBE VS. SWZ.
6100397
41
MU.M5X14HOCH HAUBENSHR.
0011302
42
SKS.GEHOERSCHUTZ/BDA LESEN/CE.
0069923
43
ISOLIERFOLIE0,O5 DICK
6042826
45
SKS.SOLO 636 30X50
0069866
50
ANSCHLAGKRALLE
6043323
51
Linsenschraube 5x10
0018362
Gebrauchsanweisungen
Solo
Pflanzenschutzgeräte
Motorsägen
Professionelle Motorsägen
Semiprofessionelle Motorsägen
Hobby-Motorsägen
641 / Farmer 40
640
630
634 / Farmer 33
636 / 636 Deko
ET 02/2002 Druck 9 636 703
ET 12/2002 Druck 9 636 702
ET 11/1998 Druck 9 636 701
Starter
Bügel/Handgriff
Motor
ET 01/1998 Druck 9 636 700
635
Elektrosägen
Motorsensen
Motorhacken
Balkenmäher
Vertikutierer
Rasenmäher
Blasgeräte
Multimot
Impressum
(C) by motoruf