Zurück zu
Solo
>
Pflanzenschutzgeräte
>
Sprühgeräte
>
Master 412 / Master 412 FP
>
ET 11/1992 Druck 9 412 708
>
Behältergestell
Ersatzteillisten für Solo Pflanzenschutzgeräte Behältergestell
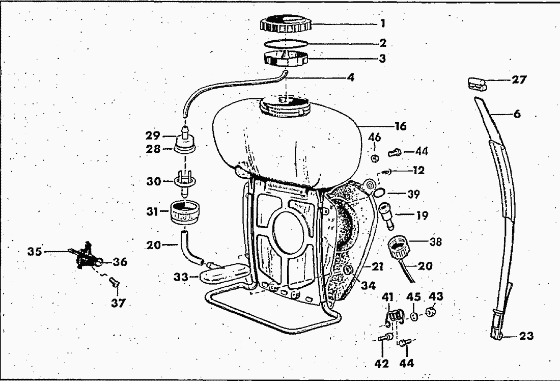
Pos.
Bezeichnung
Ersatzteilnummer
1
DECKEL BEHAELTER.RT.O.BOHRUNG
4073170
2
DIC.RING99,50X111X4,2NBR
4061342
3
EINFUELLKORB
4200153
4
SCHLAUCH8X3XMT.PVC O.GEWEBE
0064209
6
TRAGEGURT+HAKEN
4300299
12
NIET 5,7X18STECK.
0044144
16
BEHAELTERGESTELL 11L
4200202
19
STOPFEN10/32X22/49ABFLUSS.
4074271
20
SCHLAUCH8X2XMT.PVC GLASKLAR
0064138
21
RUECKENKISSEN
0098133
23
BEFEST.HAKEN SWZ.
4074833
27
GURTHALTER SWZ.
4074412
28
O.RING32X3FPM/VITON
0062242
29
STUTZEN8X24 BELUEFTUNGS.
4074379
30
STUTZEN8X28 BELUEFTUNGS.
4074380
31
SCHRAUBKOERPER
4074356
33
WINKELSTUTZEN
4074340
34
6KT.MU.M6 VERI.
0028121
35
REG.HEBEL
2800284
36
6KT.SHR.M6X25 TT.
0018210
37
Linsenschraube 5x25 mm
0018257
38
SCHRAUBKOERPER64X3FL.GWD.
4074265
39
O.RING30X3FPM/VITON 80SH.
0062280
41
FEDER 3X22X26 DAEMPFUNGS.
0073363
42
LI.SHR.6X14KTX T30
0018311
43
6KT.MU.M6 VERI.
0028121
44
6-kt. Schraube M6x16
0012172
45
Scheibe 6,4 mm
0030125
46
Sechskantmutter M6
0020122
Gebrauchsanweisungen
Solo
Pflanzenschutzgeräte
Druckspritzen
Rückenspritzen
Motor Rückenspritzen
Sprühgeräte
Master 412 / Master 412 FP
ET 12/1989 Druck 9 412 707
ET 11/1992 Druck 9 412 708
Motor
Gebläse
Starter
Behältergestell
Sprührohr
Zubehör
PORT 423 / PORT 423 FP
PORT 423 S
444
450
Fahrbare Sprühgeräte
Granulat-Streuer
Motorsägen
Motorsensen
Motorhacken
Balkenmäher
Vertikutierer
Rasenmäher
Blasgeräte
Multimot
Impressum
(C) by motoruf