Zurück zu
Solo
>
Motorsensen
>
Leichte-Benzimotor-Sensen
>
105 L
>
ET 01/2003 Druck 9 105 700
>
Benzintank
Ersatzteillisten für Solo Motorsensen Benzintank
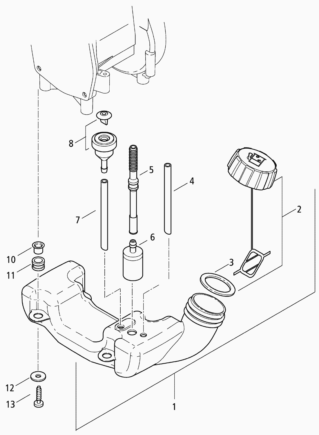
Pos.
Bezeichnung
Ersatzteilnummer
1
Benzintank enth. ( -> 1-8
2700104
2
Tankverschluss enth. ( -> 9, 10
2700187
3
Dichtung 30,5x40,8x2 mm <- )
0061330
4
Schlauch 3x1,5x85 mm Primerrücklauf
0064419
5
Schlauch 3x103 mm Kraftstoff
4063253
6
Filter Benzinsucher
2700416
7
Schlauch 3x1,5x85 mm Primerrücklauf
0064419
8
Entlüftungsstutzen
2700405
10
Rohrnieten 8x0,75x7 mm
0044285
11
Dämpfungsgummi <- )
0094197
12
Scheibe 5,3 mm
0030102
13
Linsenschraube 5x20 mm
0018363
Gebrauchsanweisungen
Solo
Pflanzenschutzgeräte
Motorsägen
Motorsensen
Professionelle Motorsensen
Semiprofessionelle Motorsensen
Leichte-Benzimotor-Sensen
128
126
124
120
MT 25
MS 25
119
118
129
121
117
106 L / 106 B / 106 LR / 106 BR
105 L
ET 01/2003 Druck 9 105 700
Druckvorlage (PDF-1278 KB)
Schaftrohr, Schutz, Werkzeug, Zubehör
Gasbetätigung, Griff
Lüfterdeckel, Starter
Benzintank
Zündung, Gaszug
Luftfilter, Vergaser, Auspuff
Motor, Kurbelwelle
Elektromotor-Sensen
Motorhacken
Balkenmäher
Vertikutierer
Rasenmäher
Blasgeräte
Multimot
Impressum
(C) by motoruf