Zurück zu
Solo
>
Rasenmäher
>
Aufsitzmäher / Rasentraktoren
>
576 / 576 Hydro
>
2000
>
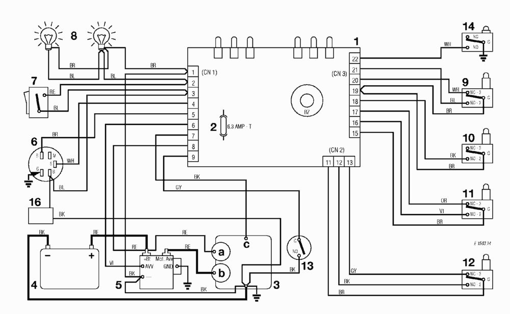
ELEKTRISCHES SCHEMA 12 - 12,5 - 13 HP B&S / 13 - 15 HP TECUMSEH
Ersatzteillisten für Solo Rasenmäher ELEKTRISCHES SCHEMA 12 - 12,5 - 13 HP B&S / 13 - 15 HP TECUMSEH
Pos.
Bezeichnung
Ersatzteilnummer
1
ELECTRONISCHE KARTE MIT BUZZER
ELECTRONISCHE KARTE MIT BUZZER
2
SICHERUNG 6,3 Amp. T
SICHERUNG 6,3 Amp. T
3
MOTOR
MOTOR
3a
Generator
Generator
3b
Anlasser
Anlasser
3c
Motor abstellung
Motor abstellung
4
BATTERIE
BATTERIE
5
ANLASSER RELAIS
ANLASSER RELAIS
6
SCHLÜSSELSCHALTER
SCHLÜSSELSCHALTER
7
LICHTSCHALTER
LICHTSCHALTER
8
LICHT
LICHT
9
MESSER MIKROSCHALTER
MESSER MIKROSCHALTER
10
BREMSE MIKROSCHALTER
BREMSE MIKROSCHALTER
11
SITZMIKROSCHALTER
SITZMIKROSCHALTER
12
GRASFANGEINRICHTUNG MIKROSCHALTER
GRASFANGEINRICHTUNG MIKROSCHALTER
13
ANTRIEB MICROSCHALTER
ANTRIEB MICROSCHALTER
14
VOLLKORB VORRICHTUNG
VOLLKORB VORRICHTUNG
16
BETRIEBESSTUNDENZÄHLER (TCP)
BETRIEBESSTUNDENZÄHLER (TCP)
Gebrauchsanweisungen
Solo
Pflanzenschutzgeräte
Motorsägen
Motorsensen
Motorhacken
Balkenmäher
Vertikutierer
Rasenmäher
Aufsitzmäher / Rasentraktoren
576 / 576 Hydro
2004
2003
2002
2001
2000
ELEKTRISCHES SCHEMA 18 HP B&S (TCP102)
ELEKTRISCHES SCHEMA 15,5 HP B&S (TCP102)
ELEKTRISCHES SCHEMA 12 - 12,5 - 13 HP B&S / 13 - 15 HP TECUMSEH
KLEBZETTEL
ZUBEHOERE NACH ANFRAGE
ELEKTRISCHETEILE
AUFFANGSACK
SCHNEIDWERKZEUG (2)
SCHNEIDWERKZEUG (1)
SCHNEIDWERKZEUG AUFHEBESATZ
GETRIEBE
MOTOR 15 HP TECUMSEH (TC102 / TCR102)
MOTOR 13 HP TECUMSEH (TC102 / TCR102)
MOTOR 15,5 HP B&S (TCP102)
MOTOR 18 HP B&S (TCP102)
MOTOR 12 - 12,5 - 13 HP B&S
BREMSE UND WECHSEL ANTRIEB
LENKGETRIEBE
KONSOLE UND SITZ
KARROSSERIE UND GEHÄUSE
1999
570 PM
575 / 575 Hydro
572 / 572 Hydro
570 / 570 Hydro
562 Hydro
560 / 560 Hydro
557
556
555 / 555 Hydro
Benzin-Antriebs-Mäher
Benzin-Schiebe-Mäher
Elektro Rasenmäher
Blasgeräte
Multimot
Impressum
(C) by motoruf