Zurück zu
Solo
>
Motorsägen
>
Professionelle Motorsägen
>
644
>
ET 11/1989 Druck 9 644 702
>
Elektronik/Griffheizung
Ersatzteillisten für Solo Motorsägen Elektronik/Griffheizung
Pos.
Bezeichnung
Ersatzteilnummer
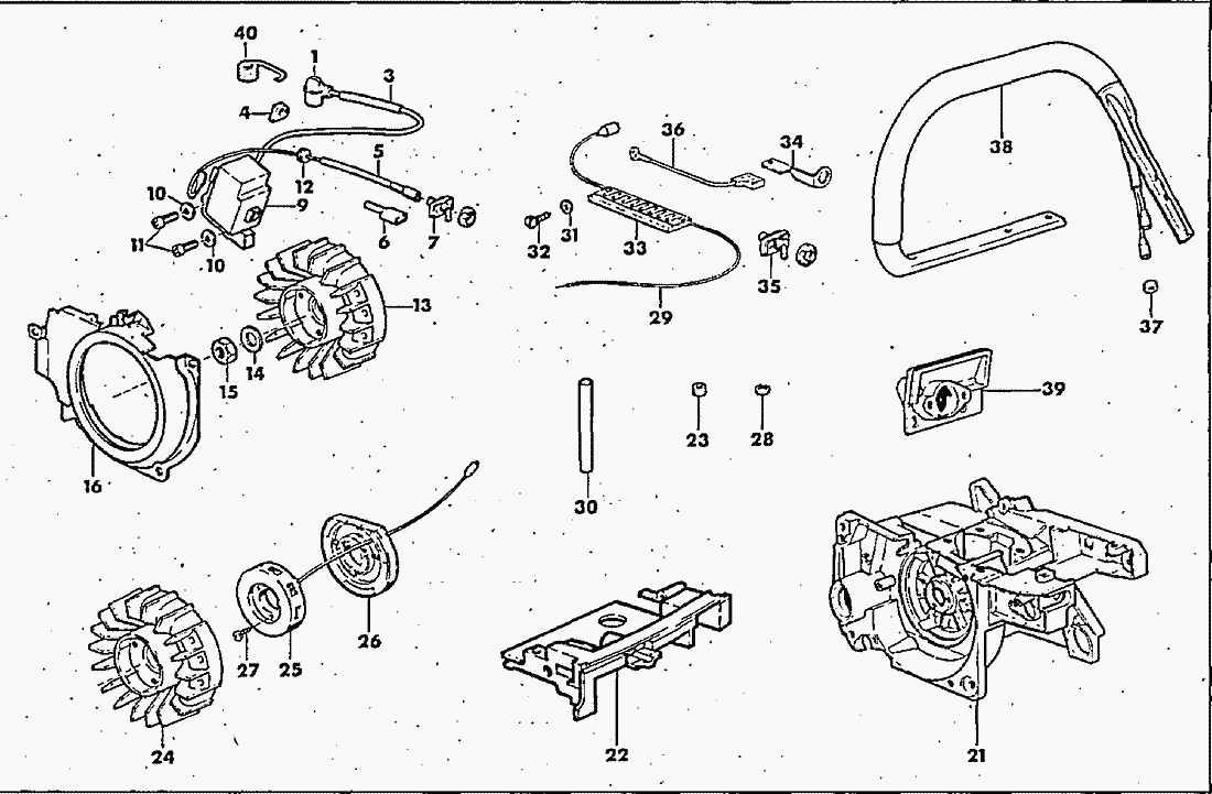
1
KERZENSTECKER
0084600
3
SCHLAUCH6X1XMT.SILIKON
0064292
4
TUELLE6,5/9X2,2/6,2NBR.SH75
0066335
5
KABEL277 KURZSCHLUSS.SWZ.
0084566
6
TUELLE ISOLIER.HV 4819
0066314
7
SCHALTER KURZSCHLUSS.
2300469
9
ZUENDMODUL PVL
2300654
10
Sicherungsscheibe
0072144
11
ZYL.SHR.M5X22 912-8.8ZN GELB
0010112
12
TUELLE4X6/9X3/6 KABEL.
2063128
13
LUEFTERRAD12 1:7,5KEG.PVL
2400270
14
Scheibe 8 DIN 6796
0072145
15
Sechskantmutter M8
0020145
16
LUFTFUEHRUNG
6073504
21
KURBELGEHAEUSE 644H
2100492
22
KONSOLE
2074464
23
TUELLE KABEL.
0066429
24
LUEFTERRAD12 1:7,5KEG.VS.644/651H
2400275
25
GENERATOR MAGNET.
2300614
26
GENERATORABDECKUNG
6074432
27
ZYL.SHR.M4X12 912
0010546
28
Sicherungsscheibe
0034152
29
FOLIENELEMENT 2
0084574
30
SCHLAUCH5,5X1XMT.SILICON
0064384
31
Scheibe 4,3 mm
0030135
32
ZYL.BL.SHR.3,5X6,5 7971C.ZN
0010478
33
UNTERLAGE14X65X3NBR SH.60 GI.
0094245
34
KONTAKTBLECH
2300648
35
SCHALTER KURZSCHLUSS.
2300469
36
KABEL55 MASSE.SWZ.
0084575
37
TUELLE4X6X3X6NBR.KABEL.
0066426
38
HALTEBUEGEL 644H/651H VS.
6800242
39
VERGASERSTUTZEN
2300647
40
KONTAKTFEDER
0073385
Gebrauchsanweisungen
Solo
Pflanzenschutzgeräte
Motorsägen
Professionelle Motorsägen
603
694
690
680
670
667
662
651
644
ET 07/1999 Druck 9 644 707
ET 10/1991 Druck 9 644 706
ET 04/1996 Druck 9 644 705
ET 09/1993 Druck 9 644 704
ET 10/1991 Druck 9 644 703
ET 11/1989 Druck 9 644 702
Elektronik/Griffheizung
Vergaser
Starter
Kettenbremse/Kupplung
Bügel/Handgriff
Motor
Semiprofessionelle Motorsägen
Hobby-Motorsägen
Elektrosägen
Motorsensen
Motorhacken
Balkenmäher
Vertikutierer
Rasenmäher
Blasgeräte
Multimot
Impressum
(C) by motoruf