Zurück zu
Solo
>
Motorhacken
>
502
>
ET 05/2000 Druck 502
>
Ersatzteilliste 502 kpl.
Ersatzteillisten für Solo Motorhacken Ersatzteilliste 502 kpl.
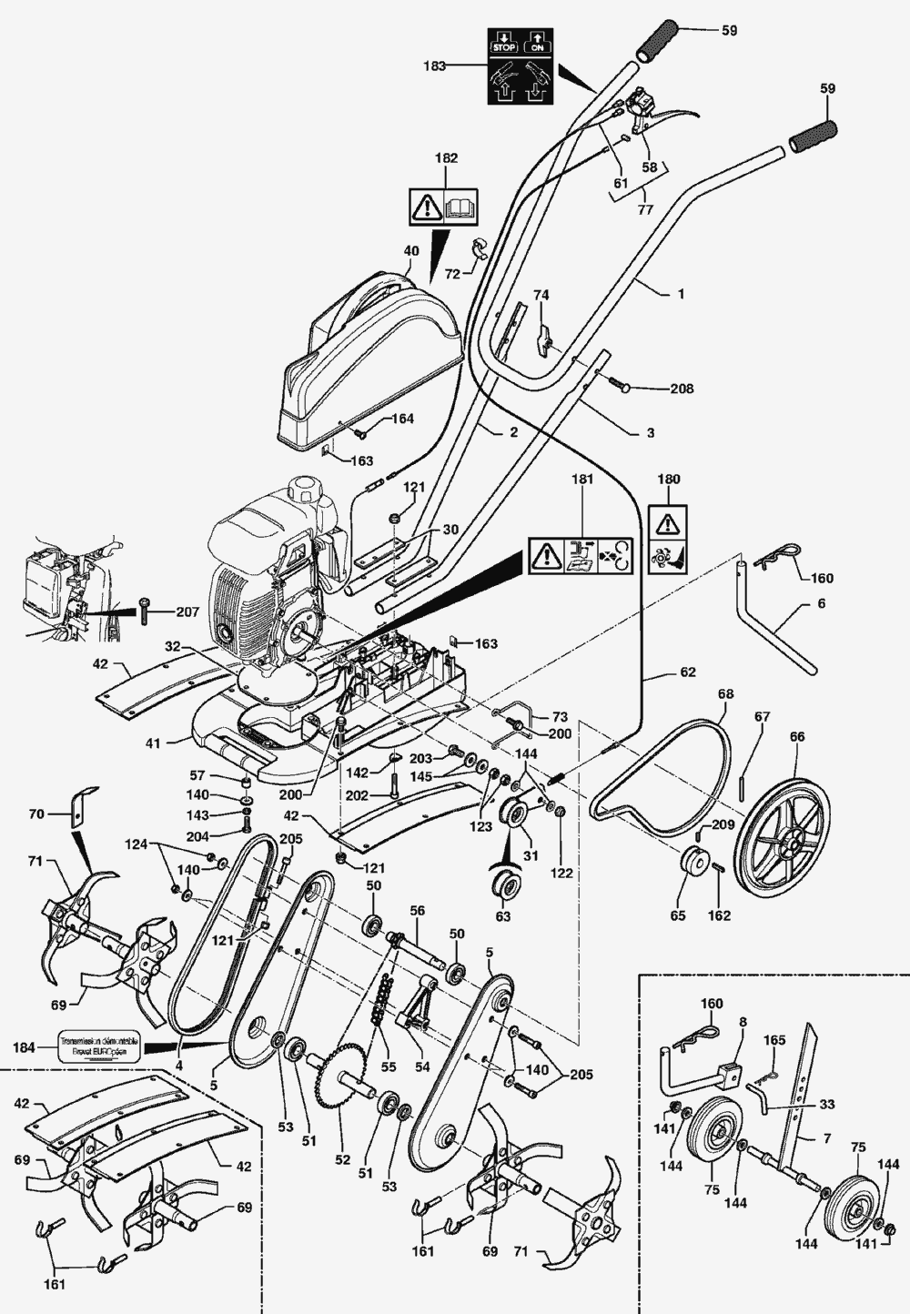
Pos.
Bezeichnung
Ersatzteilnummer
Complete casing, flanged (Black)
18501500
1
Black handlebars (top part)(GXH 50)
18501108
2
Black handlebars (bottom right-hand part)
18501106
3
Black handlebars (bottom left-hand part)
18501107
4
Flange (Black)
18501132
5
Transmission housing (Black)
18501130
6
Spur (Black)
18501104
7
Transport wheel support (black)
18501105
8
Transport wheel retaining rod (black)
18501123
30
Handlebar fixing plate
18501109
31
Clutch lever
18501240
32
Motor fixing plate (GXH 50)
18501125
33
Pin
12611103
40
Belt cowl (Red)
14140
41
Chassis (Black)
18501505
42
Guard (black)
14139
50
Ball-race
12520
51
Ball-race
12517
52
Blade shaft
15036
53
Joint
12331
54
Spacer
14141
55
Chain
13288
56
Primary shaft
15033
57
Spacer
16040
58
Clutch lever
62751
59
Griff PVC dia.22
12151
61
Motor stop wire
14329
62
Clutch cable
13263
63
KUPPL.SCHEIBE 502
12162
65
Motor pulley Forward gear (Shaft Ø15)
15360
66
KEILRIEMENSCHEIBE 503/502
14135
67
BOLZEN F.UMLENKROLLE +503
15098
68
Forward gear belt
13604
69
Rotating blades 30x3 Ø240
55125
70
Blade
81919
71
Additional blade assembly 30x3 Ø240
55126
72
KABELBAND 504
64349
73
Drive-belt guide Forward gear (GXH 50)
14986
74
Handlebar tightening lever
12152
75
Transport wheel
14255
77
Handle + arresting cable
62755
121
Sicherheitsmutter M 6 Z
11482
122
6KT.MU.M10 27040 SI.
11485
123
6KT.MU.M10 Z +503
11429
124
11518
140
Washer 6,3x19x2,5 Z
11647
141
SI.SCHEIBE 10 +503
11818
142
6 shaped washer, 22mm diam
11646
143
Elastic washer 6
11581
144
11621
145
Washer 10x27x2 Z
11622
160
Clip pin Bêta 5 Z
11705
161
Clip pin, Ø8 x 28
55086
162
Key (Shaft Ø15)
12971
163
11495
164
11135
165
11703
180
SKS.ACHTUNG FRAESMESSER +503
14733
181
SKS.SYMBOL SICHERHEIT +503
14724
182
SKS.SYMBOL BDA LESEN +503
14734
183
Label: engine cut-off + clutch lever
21147
184
SKS.ABMONTIERBARES GETRIEBE503
14682
200
11250
202
Screw H M6x60 Z
10749
203
Screw H M10x45 Z
10814
204
Screw CHc M6x30
11058
205
6KT.SHR.M6X50 931 +503
11061
207
Screw Pozi 5x25
11129
208
Screw M8x40 forged head bolt
11355
209
STIFT 8X16 GEW.+503
11085
Gebrauchsanweisungen
Solo
Pflanzenschutzgeräte
Motorsägen
Motorsensen
Motorhacken
503 / 508
506
504 (25108)
503 (25111 / 25093) A / B / C / D
502
ET 05/2000 Druck 502
Ersatzteilliste 502 kpl.
501-2T
501-4T
Balkenmäher
Vertikutierer
Rasenmäher
Blasgeräte
Multimot
Impressum
(C) by motoruf