| Pos. | Bezeichnung | Ersatzteilnummer | |
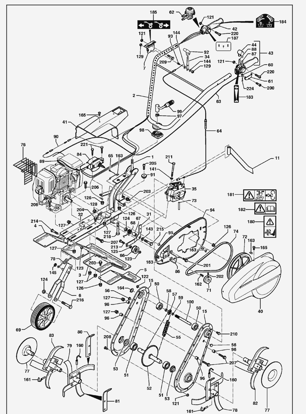
| Complete casing, bolt-together | 11302500 |
| 1 | Gestell (Grau 8120) | 12101101 |
| 2 | Lenker (Weiß) | 11415103 |
| 3 | Zentrales Abdeckblech (Grau 8120) | 12601007 |
| 4 | SCHUTZBLECH R.+503 | 12601008 |
| 5 | SCHUTZBLECH L.+503 | 12601009 |
| 6 | VORDERRADHALTER +503 | 12601005 |
| 7 | GANGHEBELBLECH +503A | 57720105 |
| 11 | SPORNARM +503 | 12611011 |
| 15 | Gehäuseblech verschraubt | 11302130 |
| 31 | Kupplungshebel | 11701140 |
| 32 | Zwischenträger Gestell | 11301145 |
| 34 | GESCHWINDIGKEITSGRIFF 503A | 25111008 |
| 35 | Untersetzungsgetriebe Rückwärtsgang mechanisch (508 / 503 C) | 57720996 |
| 40 | Riemenhaube (Rot 3020) | 14242 |
| 41 | Griffhaube (Rot 3020) | 14241 |
| 42 | Rechter Bedienungshebel Pneumatik + Bündel (Rot) | 14306 |
| 43 | Linker Gashebel (Rot) | 14307 |
| 44 | Ansatzstück Gashebel | 14327 |
| 50 | KUG.LAG.+503 | 12503 |
| 51 | KUG.LAG.25X62X17 6305 2RS | 12542 |
| 52 | ARBEITSWELLE MIT KETTENRAD 503 | 15038 |
| 53 | WD.RING +503 | 46097 |
| 55 | ROLLENKETTE+503 | 13292 |
| 56 | STOPFEN +503 | 12793 |
| 57 | RITZEL +503 | 13372 |
| 58 | BU13,5X20X24X18LAG.+503 | 16032 |
| 59 | ROHR DIST. +503 | 16031 |
| 60 | Hüllenstopper Gashebel | 14313 |
| 61 | Zugangsklappe Gashebel | 14312 |
| 62 | Mikroschieber Kupplungshebel | 14315 |
| 63 | Gaskabel (GC/BS 5,5Hp) (508 / 503 C) | 62764 |
| 63 | BOWDENZUG GAS +503A | 13130 |
| 64 | Gangschaltkabel (508 / 503 C) | 13192 |
| 65 | Kupplungskabel | 13206 |
| 66 | KUPPL.SCHEIBE 502 | 12162 |
| 67 | Zwischenträger Kupplungshebel | 16034 |
| 68 | FEDER +503 | 65133 |
| 69 | VORDERRAD +503 | 14090 |
| 70 | FEDER | 65026 |
| 71 | Antriebsscheibe Vorwärtsgang Welle Ø19,05 (503) | 15177 |
| 71 | KEILRIEMENSCHEIBE MS.+503 | 15415 |
| 72 | KEILRIEMENSCHEIBE 503/502 | 14135 |
| 73 | BOLZEN F.UMLENKROLLE +503 | 15098 |
| 74 | KEIRIEMEN 13X1140+503 | 13598 |
| 74 | Riemen Vorwärts/Rückwärtsgang (508 / 503 C) | 13567 |
| 76 | AUSPUFFGITTER +503 | 14744 |
| 77 | ABWEISSCHEIBE +503 | 55102 |
| 78 | HACKSATZ 20CM R.+503 | 55201 |
| 78 | Simple rotating blades 40x4 L | 55098 |
| 79 | HACKSATZ 20CM L.+503 | 55200 |
| 79 | Simple rotating blades 40x4 R | 55097 |
| 80 | HACKMESSER L.+503 | 81907 |
| 81 | HACKMESSER R.+503 | 81906 |
| 82 | HACKSTERN L.ZUSATZ.+503 | 55150 |
| 84 | Doppelzylinder Wanne | 14314 |
| 85 | Collar | 14229 |
| 86 | Drive-belt guide Forward gear | 14988 |
| 86 | Drive-belt guide Forward/Reverse gear | 14989 |
| 87 | Connector | 14244 |
| 88 | Non-return flap | 14228 |
| 89 | Anschlussrohr Motor GC | 14215 |
| 89 | Anschlussrohr Motor BS 3,5 hp (503) | 14328 |
| 89 | Anschlussrohr Motor BS 5,5 hp (503 C) | 14320 |
| 90 | Engine cut-of wire (BS 3,5Hp) | 13214 |
| 90 | Engine cut-of wire (BS 5Hp) | 13215 |
| 90 | Engine cut-of wire (GC) | 13213 |
| 90 | Engine cut-of wire (Robin) | 13212 |
| 91 | Umlenkrolle | 12169 |
| 92 | ENDSTUECK +503 | 68364 |
| 93 | BOLZEN F.HEBEL +503A | 15079 |
| 94 | Riemenschutz innen | 14301 |
| 95 | Spacer BS 5,5Hp | 16037 |
| 95 | Spacer BS 5Hp/BS 3,5HP/GC/Robin EY20/Geotec | 16038 |
| 96 | ROHR DIST. +503 | 16009 |
| 97 | Spacer | 16023 |
| 98 | Filler piece | 36006 |
| 99 | Handlebar tightening lever | 15431 |
| 100 | PRIMAERWELLE +503 | 15029 |
| 121 | Sicherheitsmutter M 6 Z | 11482 |
| 122 | 6KT.MU.M8 27040 SI.503 | 11484 |
| 123 | 6KT.MU.M10 27040 SI. | 11485 |
| 124 | 6KT.MU.M12 27040 SI.+503 | 11486 |
| 125 | 6KT.MU.M10 Z +503 | 11429 |
| 126 | | 11518 |
| 127 | | 11519 |
| 128 | Nut HM 12 Z, notched shoulder | 11521 |
| 129 | 6KT.MU.M6 27040 SI.Z +503 | 11493 |
| 141 | SCHEIBE8X18X15 Z +503 | 11616 |
| 143 | SCHEIBE12X27X2,5 Z +503 | 11635 |
| 144 | SCHEIBE ELASTISCH +503 | 11700 |
| 145 | SI.SCHEIBE 10 +503 | 11818 |
| 160 | STIFT 10X30 KLAPP.+503 | 55080 |
| 161 | KLAPPSTIFT 8 +503 | 55081 |
| 162 | KEIL +503 | 12979 |
| 162 | | 12973 |
| 163 | | 11495 |
| 164 | Circlips | 12855 |
| 165 | | 11135 |
| 180 | SKS.ACHTUNG FRAESMESSER +503 | 14733 |
| 181 | SKS.SYMBOL SICHERHEIT +503 | 14724 |
| 182 | SKS.SYMBOL BDA LESEN +503 | 14734 |
| 183 | Aufkleber "Gashebel" | 64673 |
| 184 | Aufkleber "Kupplung" | 62831 |
| 185 | SKS.SYMBOL V-R GANG +503 | 62830 |
| 187 | On/off label | 14678 |
| 200 | Schraube thermo 3,5x12 | 11501 |
| 201 | Screw 5/16 TH24 UNF Ig 25, notched shoulder | 11116 |
| 202 | STIFT 8X16 GEW.+503 | 11085 |
| 203 | | 11250 |
| 204 | | 11260 |
| 205 | Schraube H M6x20 Z Rastenfläche | 11251 |
| 206 | Screw HM8x45 Z, notched shoulder motor Robin | 11266 |
| 206 | | 11265 |
| 207 | Screw HM8x50 Z, notched shoulder | 11267 |
| 208 | 6KT.SHR.M6X12 933 +503 | 10760 |
| 209 | Screw HM6x35 | 10752 |
| 210 | 6KT.SHR.M8X16 Z +503 | 10766 |
| 211 | 6KT.SHR.M8X110 Z +503 | 10794 |
| 213 | | 10810 |
| 214 | 6KT.SHR.M10X55 931 +503 | 10834 |
| 215 | Screw HM12x60 Z | 10859 |
| 216 | 6KT.SHR.M12X80 931 Z +503 | 10863 |
| 218 | 6KT.SHR.M14X90 931 | 10899 |
| 220 | 6KT.SHR.M6X35 931 +503 | 11059 |
| 221 | Screw CHc M6x40 | 11060 |
| 224 | Schraube thermodur 4x12 Sternantrieb | 11503 |