Zurück zu
Solo
>
Vertikutierer
>
518
>
ET 03/2004 Druck 9 518 702
>
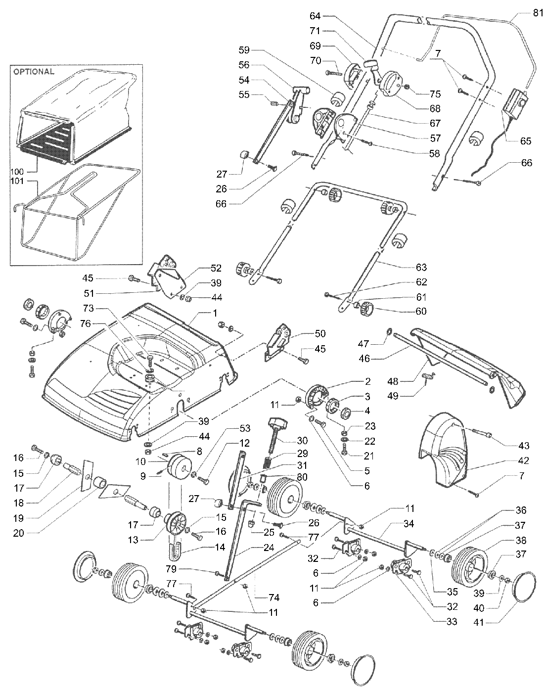
Ersatzteilliste komplett
Ersatzteillisten für Solo Vertikutierer Ersatzteilliste komplett
Pos.
Bezeichnung
Ersatzteilnummer
1
3022420
2
4018490
3
4018480
4
2018470
5
147490
6
144370
7
145990
8
2021950
9
1022080
10
2018510
11
106440
12
1022390
13
2025870
14
2018530
15
144480
16
109540
17
4018460
18
2018440
19
2018430
20
4018450
21
145960
22
170520
23
142000
24
3018350
25
2024530
26
1022210
27
2022260
29
2019080
30
2024080
31
3022290
32
142760
33
4018330
34
3018310
35
145250
36
245240
37
203680
38
3006790
39
144460
40
142030
41
4022440
42
4022450
43
1017300
44
144450
45
152560
46
2021910
47
145900
48
4018300
49
2019770
50
3008010
51
3008000
52
3018380
53
144480
54
3018360
55
1021900
56
4018390
57
4018400
58
1022110
59
446330
60
2008490
61
340060
62
1022230
63
3018410
64
3025920
65
2025920
66
101740
67
2023700
68
446320
69
446310
70
140310
71
479770
73
142020
74
3024310
75
140300
76
442060
77
1024440
79
1024450
80
2025460
81
2025930
100
Zubehör
2018560
101
Zubehör
3018550
Gebrauchsanweisungen
Solo
Pflanzenschutzgeräte
Motorsägen
Motorsensen
Motorhacken
Balkenmäher
Vertikutierer
518
ET 03/2004 Druck 9 518 702
Druckvorlage (PDF-370 KB)
Ersatzteilliste komplett
ET 03/2003 Druck 9 518 701
516
Rasenmäher
Blasgeräte
Multimot
Impressum
(C) by motoruf