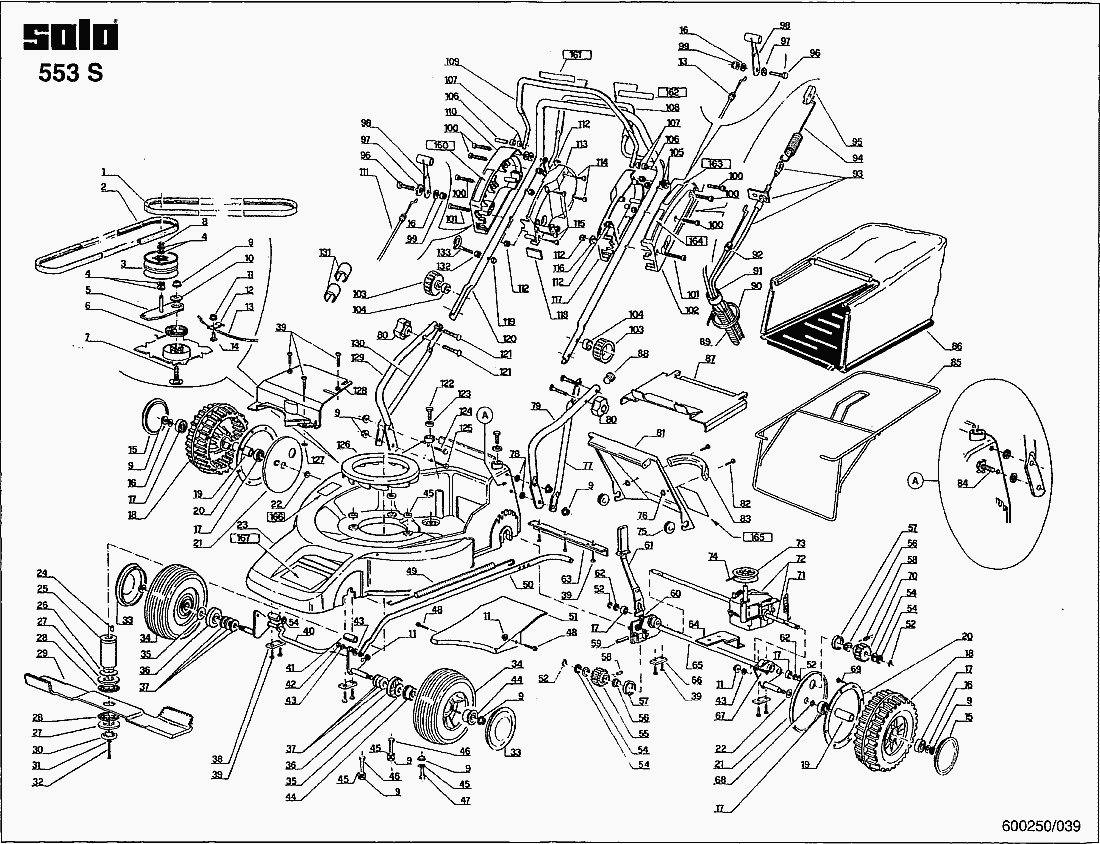
| Pos. | Bezeichnung | Ersatzteilnummer | |
| 1 | KEILRIEMEN XZ-19 1/2 10X500 | 284930 |
| 2 | KEILRIEMEN XZ-21 1/2 10X545 | 284920 |
| 3 | KEILRIEMENSCHEIBE 553S | 374400 |
| 4 | | 147910 |
| 5 | LASCHE 553S/553SL/553SLI | 380200 |
| 6 | FEDER DREH. 553S/553SL/553SLI | 295940 |
| 7 | FL.RD.SHR.M8X40 603 553S/553SL/553SLI | 101810 |
| 8 | SI.RING10X1 471 553S/553SL/553SLI | 142180 |
| 9 | 6KT.MU.M8 STO.980 553S,553SL,553SLI | 194010 |
| 10 | TELLERSCHEIBE 553S/553SL/553SLI | 280480 |
| 11 | 6KT.MU.M6 STO.980 553S,553SL,553SLI | 194020 |
| 12 | HALTEKLAMMER 553S/553SL/553SLI | 347810 |
| 13 | BOWDENZUG VARIO 553S | 285000 |
| 14 | | 165110 |
| 15 | RADKAPPE HINTERRAD 553S | 485290 |
| 16 | | 144480 |
| 17 | | 203560 |
| 18 | RAD 230D HINTER.O.LAGER 553S | 385170 |
| 19 | ROHR12X15X28,5 DIST. 553S | 385250 |
| 20 | HALTERING RAD 553SL | 380360 |
| 21 | | 380570 |
| 22 | | 150770 |
| 23 | RASENMAEHERGEHAEUSE 553S | 380100 |
| 24 | | 101370 |
| 25 | ROHRNABE 553S | 281030 |
| 26 | TELLERFEDER 553SL | 281050 |
| 27 | SCHEIBE1? DRK. 553SL | 281060 |
| 28 | REIBSCHEIBE 553SL | 281070 |
| 29 | PROP.MESSER 553S/553SL | 280540 |
| 30 | DRUCKSTUECK 553SL | 281020 |
| 31 | FEDERRING 10 553SL | 281100 |
| 32 | MESSERSCHRAUBE 553S | 281080 |
| 33 | RADKAPPE VORDERRAD 553S | 463450 |
| 34 | VORDERRAD 200D 553S | 356110 |
| 35 | SCHEIBE12,5X25X0,7 2093TE553SL | 244500 |
| 36 | STAUBKAPPE 553SL | 380740 |
| 37 | SCHEIBE12 553S | 147770 |
| 38 | LASCHE 553S | 344110 |
| 39 | 6KT.SHR.M6X16 TAPTITE 553SL | 180980 |
| 40 | LAGERUNG VORDERRAD.553S | 380260 |
| 41 | BUCHSE1? | 480180 |
| 42 | | 147490 |
| 43 | SCHEIBE6,4X12,5X1,6 125 553S | 144750 |
| 44 | | 203680 |
| 45 | | 144460 |
| 46 | 6KT.SHR.M8X80 553S | 145670 |
| 47 | 6KT.SHR.M8X110 553S | 145680 |
| 48 | ZYL.SHR.M6X20 84 553SL | 179690 |
| 49 | FEDER HOEHENVERSTELLUNG 553S | 280160 |
| 50 | VERB.STANGE 553S | 380150 |
| 51 | AUSWURFKANALABDECKUNG 553SL | 380470 |
| 52 | | 144590 |
| 53 | | 403540 |
| 55 | ZAHNRAD M.FREILAUF R. 553S/SL | 242210 |
| 56 | BU. DIST. 553SL | 403520 |
| 57 | KUNSTSTOFFRING31,5X42X10 553SL | 403510 |
| 58 | KEIL (FREILAUF) 553S/SL | 203510 |
| 59 | | 180460 |
| 60 | FEDER SCHENKEL. 553S | 280450 |
| 61 | HOEHENVERSTELLHEBEL 553S | 480140 |
| 62 | | 245240 |
| 63 | LEISTE 553S/SL | 380970 |
| 64 | ANSCHLAGBLECH GTR.VARIO 553SL | 395620 |
| 65 | LAGERUNG HINTERRAD.553S | 380120 |
| 66 | | 280550 |
| 67 | SENKSHR.M6X16 7991 553S | 186210 |
| 68 | | 145250 |
| 69 | SCHRAUBE4,2X19 7982 BLECH. | 186220 |
| 70 | ZAHNRAD M.FREILAUF L. 553S/SL | 242220 |
| 71 | FEDER GTR.VARIO 553SL | 295930 |
| 72 | GETRIEBE VARIO 553S AB1997BIS2001 | 280230 |
| 73 | KEILRIEMENSCHEIBE GETR. 553S | 284840 |
| 74 | | 280890 |
| 75 | TUELLE (SCHUTZKLAPPE) 553SL | 403190 |
| 76 | | 142260 |
| 77 | HOLMABSTUETZUNG L. 553SL | 380300 |
| 78 | | 145900 |
| 79 | HOLM UT.L. 553SL | 380290 |
| 80 | STERNGRIFF M8 553SL | 274170 |
| 81 | AUSWURFSCHUTZKLAPPE 553SL | 380830 |
| 82 | | 142760 |
| 83 | HALTEGRIFF(SCHUTZKLAP.)553S/553SL/553SLI | 406070 |
| 84 | SCHRAUBE M8X20 SPEZIAL.553SL | 385270 |
| 85 | RAHMEN 553SL | 380380 |
| 86 | GRASFANGSACK 553S,553SL,553SLI | 286630 |
| 87 | ABDECKUNG GRASFANGSACK 553S,553SL,553SLI | 480400 |
| 88 | STOPFEN (HOLM UT.)553S/553SL/553SLI | 251950 |
| 89 | SCHLAUCH12XMT FFTYL WELL.553SL | 281600 |
| 90 | | 276710 |
| 91 | HUELSE15,4X18,5X20 END. 553SL | 281610 |
| 92 | BOWDENZUG MOTORBREMSE 553SL | 285190 |
| 93 | BOWDENZUG FAHRANTRIEB 553SL | 284980 |
| 94 | FEDER FAHRANTRIEB 553SL | 262090 |
| 95 | KULISSE 553SL | 460260 |
| 96 | 6KT.SHR.M8X50 931 553SL | 147780 |
| 97 | KOLBEN 41,00 (ABCD) | 480710 |
| 98 | GASHEBEL 553SL | 443670 |
| 99 | | 144450 |
| 100 | *** keine Bezeichnung vorhanden | 144410 |
| 101 | LI.SHR.5X50 553SL | 142450 |
| 102 | Zylinder Ø 44,00 mm | 480640 |
| 103 | STERNGRIFF M8 +553SL | 346380 |
| 104 | | 340060 |
| 105 | | 152120 |
| 106 | STIFT5X50 553SL | 180790 |
| 107 | BU.5X10X4 DIST. 553SL | 284100 |
| 108 | BUEGEL SCHALT.FAHRANT. 553SL | 380430 |
| 109 | BUEGEL SCHALT.BREMSE 553SL | 380440 |
| 110 | SCHALTGEHAEUSE re.innen u. aussen 553SL | 480660 |
| 111 | BOWDENZUG GAS 553S | 285130 |
| 112 | 6KT.MU.M5 27040 553SL | 140270 |
| 113 | SCHALTGEH.INNEN R.553SL | 480840 |
| 114 | ZYL.BL.SHR.3,9X50 553SL | 185620 |
| 115 | LI.BL.SHR.4,2X38 553SL | 185610 |
| 116 | | 147740 |
| 117 | SCHALTGEH.INNEN L.553SL | 480820 |
| 118 | ABSCHLUSSBLECH 553SL | 380690 |
| 119 | HUTMUTTER M8 986 553SL | 194140 |
| 120 | HOLM OT. 553SL | 385470 |
| 121 | | 101740 |
| 122 | 6KT.SHR.M5X16 TAPTITE 553SL | 172850 |
| 123 | SCHEIBE5,5X20X1,5 553SL | 181690 |
| 124 | | 172960 |
| 125 | | 184540 |
| 126 | MOTORFLANSCH 553SL | 399810 |
| 127 | | 144370 |
| 128 | KEILRIEMENABDECKUNG 553SL | 480190 |
| 129 | HOLM UT.R. 553SL | 380600 |
| 130 | HOLMABSTUETZUNG R. 553SL | 380590 |
| 131 | | 446340 |
| 132 | | 142000 |
| 133 | | 295640 |
| 160 | SKS.GAS+CHOKE 553SL | 647870 |
| 161 | | 690720 |
| 162 | | 690740 |
| 163 | SKS.HINWEIS SCHALTEN 553SL | 690730 |
| 164 | SKS.VARIO 553S | 689170 |
| 165 | SKS.ACHTUNG GEFAHR 553SL | 685300 |
| 166 | SKS.HINWEISSCHILD 553SL | 685340 |
| 167 | SKS.553/553SL | 685380 |