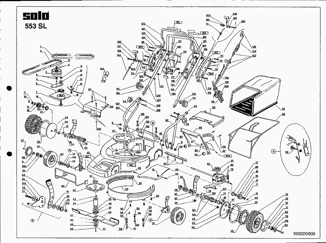
| Pos. | Bezeichnung | Ersatzteilnummer | |
| 1 | KEILRIEMEN XZ-19 1/2 10X500 | 284930 |
| 2 | KEILRIEMEN XZ-21 1/2 10X545 | 284920 |
| 3 | KEILRIEMENSCHEIBE 553S | 374400 |
| 4 | | 147910 |
| 5 | LASCHE 553S/553SL/553SLI | 380200 |
| 6 | FEDER DREH. 553S/553SL/553SLI | 295940 |
| 7 | FL.RD.SHR.M8X40 603 553S/553SL/553SLI | 101810 |
| 8 | SI.RING10X1 471 553S/553SL/553SLI | 142180 |
| 9 | 6KT.MU.M8 STO.980 553S,553SL,553SLI | 194010 |
| 10 | TELLERSCHEIBE 553S/553SL/553SLI | 280480 |
| 11 | 6KT.MU.M6 STO.980 553S,553SL,553SLI | 194020 |
| 12 | HALTEKLAMMER 553S/553SL/553SLI | 347810 |
| 13 | BOWDENZUG VARIO 553S | 285000 |
| 14 | | 165110 |
| 15 | | 144590 |
| 16 | SCHEIBE 21X37X3 553SL | 194260 |
| 17 | | 403540 |
| 18 | ZAHNRAD M.FREILAUF R. 553S/SL | 242210 |
| 19 | KEIL (FREILAUF) 553S/SL | 203510 |
| 20 | BU. DIST. 553SL | 403520 |
| 21 | KUNSTSTOFFRING31,5X42X10 553SL | 403510 |
| 22 | ABDECKSCHEIBE 553SL | 396620 |
| 23 | | 380570 |
| 24 | 6KT.MU.M12 553SL | 104060 |
| 25 | SCHEIBE20X28X1PASS. 553SL | 281010 |
| 26 | 6KT.MU.M20X1,5 HINTERR. 553SL | 189030 |
| 27 | ZYL.SHR.M5X10 7531B553SL | 184950 |
| 28 | HALTERING VORDERRAD 553SL | 380750 |
| 29 | STAUBKAPPE 553SL | 380740 |
| 30 | | 203680 |
| 31 | RAD 200 VORDER. | 394590 |
| 32 | SCHEIBE12,5X25X0,7 2093TE553SL | 244500 |
| 33 | RASENMAEHERGEHAEUSE 553SL | 380110 |
| 34 | AUSRUECKHEBEL 553SL | 485450 |
| 35 | RADACHSE VORDERRAD 553SL | 395730 |
| 36 | SCHEIBE 11X39X3 553L | 194250 |
| 37 | 6KT.SHR.M10X60 931 553SL | 145890 |
| 38 | DIST.STUECK 553SL | 285450 |
| 39 | SCHEIBE10,5X30,5X8SPN. 553SL | 304060 |
| 40 | STOSSSTANGE 553SL | 385260 |
| 41 | GLEITLAGER 553SL | 280820 |
| 42 | KURBELWELLENABSTUETZUNG 553SL | 380810 |
| 43 | | 101370 |
| 44 | ROHRNABE 553SL | 281040 |
| 45 | TELLERFEDER 553SL | 281050 |
| 46 | SCHEIBE1? DRK. 553SL | 281060 |
| 47 | REIBSCHEIBE 553SL | 281070 |
| 48 | PROP.MESSER 553S/553SL | 280540 |
| 49 | DRUCKSTUECK 553SL | 281020 |
| 50 | MESSERSCHRAUBE3/8"X50 553SL | 281090 |
| 51 | FEDERRING 10 553SL | 281100 |
| 52 | FLANKENSCHUTZ 553SL | 380900 |
| 53 | STAHLBLECHEINSATZ 553SL | 380910 |
| 54 | 6KT.SHR.M5X16 933 553SL | 193360 |
| 55 | | 144460 |
| 56 | | 145480 |
| 57 | 6KT.SHR.M8X90 HONDA-MOTOR553SL | 147390 |
| 58 | SHR.5/16X3" HONDA-MOTOR 553SL | 145270 |
| 59 | ZYL.SHR.M6X20 84 553SL | 179690 |
| 60 | AUSWURFKANALABDECKUNG 553SL | 380470 |
| 61 | | 142140 |
| 62 | AUSRUECKHEBEL 553SL | 485460 |
| 63 | LASCHE HINTERRAD.553SL | 395800 |
| 64 | RADLAGER 553SL | 203570 |
| 65 | | 203560 |
| 66 | ZYL.SHR.M4X12 84 553SL | 184940 |
| 67 | SCHRAUBE 553SL | 189070 |
| 68 | ZAHNKRANZ F.HINTERRAD 553SL | 496770 |
| 69 | 6KT.SHR.M12X75 553SL | 145700 |
| 70 | | 250780 |
| 71 | ROHR12X1,55X30,5 DIST. 553SL | 380620 |
| 72 | ZYL.SHR.M5X10 7531B553SL | 184950 |
| 73 | KLEMMBLECH 553SL | 396610 |
| 74 | RAD ?D HINTER. 553SL | 385160 |
| 75 | ZAHNRAD M.FREILAUF L. 553S/SL | 242220 |
| 76 | | 245240 |
| 77 | SI.RING28X1,2 472 553SL | 103550 |
| 78 | ANSCHLAGBLECH GTR.VARIO 553SL | 395620 |
| 79 | FEDER GTR.VARIO 553SL | 295930 |
| 80 | GETRIEBE VARIO. 553SL AB 1998 | 280260 |
| 81 | KEILRIEMENSCHEIBE GETR. 553S | 284840 |
| 82 | | 280890 |
| 83 | 6KT.SHR.M6X16 TAPTITE 553SL | 180980 |
| 84 | LEISTE 553S/SL | 380970 |
| 85 | TUELLE (SCHUTZKLAPPE) 553SL | 403190 |
| 86 | | 142260 |
| 87 | HALTEGRIFF(SCHUTZKLAP.)553S/553SL/553SLI | 406070 |
| 88 | | 142760 |
| 89 | AUSWURFSCHUTZKLAPPE 553SL | 380830 |
| 90 | HOLMABSTUETZUNG L. 553SL | 380300 |
| 91 | | 145900 |
| 92 | HOLM UT.L. 553SL | 380290 |
| 93 | STOPFEN (HOLM UT.)553S/553SL/553SLI | 251950 |
| 94 | STERNGRIFF M8 553SL | 274170 |
| 95 | SCHRAUBE M8X20 SPEZIAL.553SL | 385270 |
| 96 | RAHMEN 553SL | 380380 |
| 97 | GRASFANGSACK 553S,553SL,553SLI | 286630 |
| 98 | ABDECKUNG GRASFANGSACK 553S,553SL,553SLI | 480400 |
| 99 | SCHLAUCH12XMT FFTYL WELL.553SL | 281600 |
| 100 | | 276710 |
| 101 | HUELSE15,4X18,5X20 END. 553SL | 281610 |
| 102 | BOWDENZUG MOTORBREMSE 553SL | 285190 |
| 103 | BOWDENZUG FAHRANTRIEB 553SL | 284980 |
| 104 | FEDER FAHRANTRIEB 553SL | 262090 |
| 105 | KULISSE 553SL | 460260 |
| 106 | 6KT.SHR.M8X50 931 553SL | 147780 |
| 107 | Führungsscheibe | 4807101 |
| 108 | GASHEBEL 553SL | 443670 |
| 109 | | 144480 |
| 110 | | 144450 |
| 111 | | 140310 |
| 112 | LI.SHR.5X50 553SL | 142450 |
| 113 | Schaltgehäuse lks. innen u. aussen | 0610536 |
| 114 | | 340060 |
| 115 | STERNGRIFF M8 +553SL | 346380 |
| 116 | Schaltgehäuse lks. innen u. aussen | 0610536 |
| 117 | 6KT.MU.M5 27040 553SL | 140270 |
| 118 | | 147740 |
| 119 | | 152120 |
| 120 | STIFT5X50 553SL | 180790 |
| 121 | BU.5X10X4 DIST. 553SL | 284100 |
| 122 | BUEGEL SCHALT.FAHRANT. 553SL | 380430 |
| 123 | BUEGEL SCHALT.BREMSE 553SL | 380440 |
| 124 | SCHALTGEHAEUSE re.innen u. aussen | 0610539 |
| 125 | | 295640 |
| 126 | | 142000 |
| 127 | HOLMABSTUETZUNG R. 553SL | 380590 |
| 128 | KEILRIEMENABDECKUNG 553SL | 480190 |
| 129 | HOLM UT.R. 553SL | 380600 |
| 130 | | 144370 |
| 131 | MOTORFLANSCH 553SL | 399810 |
| 132 | | 184540 |
| 133 | | 172960 |
| 134 | SCHEIBE5,5X20X1,5 553SL | 181690 |
| 135 | 6KT.SHR.M5X16 TAPTITE 553SL | 172850 |
| 136 | | 101740 |
| 137 | HOLM OT. 553SL | 385470 |
| 138 | HUTMUTTER M8 986 553SL | 194140 |
| 139 | ABSCHLUSSBLECH 553SL | 380690 |
| 140 | LI.BL.SHR.4,2X38 553SL | 185610 |
| 141 | ZYL.BL.SHR.3,9X50 553SL | 185620 |
| 142 | SCHALTGEHAEUSE re.innen u. aussen | 0610539 |
| 143 | | 446340 |
| 144 | BOWDENZUG GAS 553SL | 285150 |
| 145 | STAUBKAPPE 553SL | 304050 |
| 146 | SCHEIBE12 553S | 147770 |
| 160 | SKS.GAS+CHOKE 553SL | 647870 |
| 161 | | 690720 |
| 162 | | 690740 |
| 163 | SKS.HINWEIS SCHALTEN 553SL | 690730 |
| 164 | SKS.VARIO 553S | 689170 |
| 165 | SKS.ACHTUNG GEFAHR 553SL | 685300 |
| 166 | SKS.HINWEISSCHILD 553SL | 685340 |
| 167 | SKS.553/553SL | 685380 |
| 168 | TELLERFEDER 20X40X1 553SL | 274120 |
| 169 | 6KT.MU.M10 553SL | 104050 |