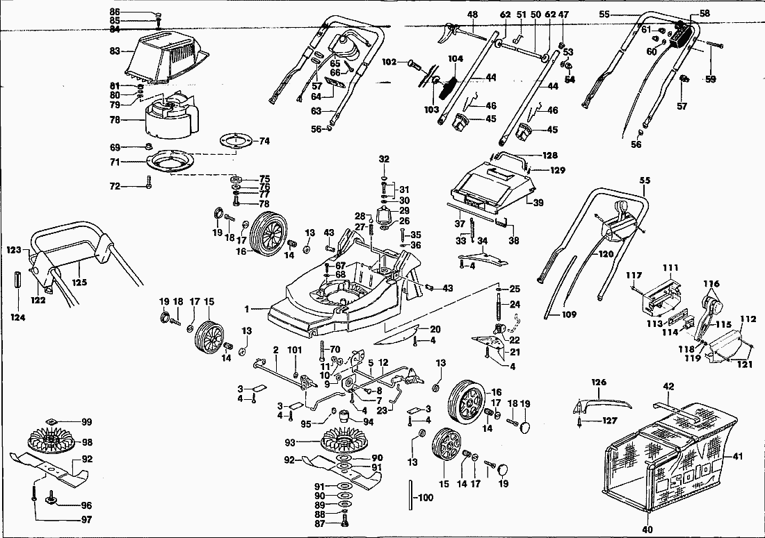
| Pos. | Bezeichnung | Ersatzteilnummer | |
| 1 | Rasenmähergehäuse, schwarz | 5100169 |
| 2 | Lagerung Vorderrad | 5300540 |
| 3 | ABDECKUNG ACHS.2 | 5045666 |
| 4 | LI.SHR.5X18KTKX T25 | 0018258 |
| 5 | Lagerung Hinterrad | 5300539 |
| 7 | Lagerblech | 5043324 |
| 8 | Sechskantschraube M8x20 mm DIN 933 | 0017103 |
| 9 | Buchse 8,2x1 5,6x5,2 mm | 5031217 |
| 10 | Scheibe 8,4 DIN 9021A | 0030128 |
| 11 | Sechskantmutter M8 | 0028116 |
| 12 | Verbindungsstange | 5036362 |
| 13 | STAUBKAPPE | 5074247 |
| 14 | ROL.LAG.12X20X30ROW/K1220/30 | 0052254 |
| 15 | RAD 150D | 5300503 |
| 15 | RAD 150D | 5300615 |
| 16 | RAD 200D | 5300504 |
| 16 | RAD 200D | 5300616 |
| 17 | SCHEIBE5,5X27X1 DRK. | 0031540 |
| 18 | 6KT.SHR.M5X12FLSH.M6SF-TT.WN78 | 0018193 |
| 19 | RADKAPPE 85 ROT | 5074101 |
| 20 | Abdeckblech | 5042760 |
| 21 | ABDECKBLECH 2 | 5300507 |
| 22 | VERST.MU.T14X2 2G.SWZ. | 5074368 |
| 23 | Verbindungsstange | 5036363 |
| 24 | Gewindespindel T14x2 | 5031218 |
| 25 | Scheibe 10x16x1 mm DIN 988 A | 0031531 |
| 26 | SCHEIBE12,2X26X1 AN. | 0031537 |
| 27 | FEDER 1X6,5X18 DRK. | 0070208 |
| 28 | KUG.8 5401KL.3 | 0052116 |
| 29 | VERST.KNOPF | 5074374 |
| 30 | Scheibe 6,4 mm <- ) | 0030100 |
| 31 | ZYL.SHR.M6X20 84Z4 | 0010422 |
| 32 | STOPFEN M16X1,5F111 VERSCHL. | 5074375 |
| 33 | Zugfeder 2,25x1 2x81 | 0071208 |
| 34 | Grasführungsblech | 5043331 |
| 35 | H.RD.SHR.4,5X25SPAX | 0018252 |
| 36 | Scheibe 5,3 mm | 0030108 |
| 37 | Achse | 5036364 |
| 38 | Drehfeder 2,25x1 mm | 0073361 |
| 39 | Schutzklappe | 5300512 |
| 40 | Rahmen | 5300598 |
| 41 | Grasfangsack mit Bodenplatte | 5900759 |
| 42 | Tragbügel | 5043325 |
| 43 | BOLZEN12X23,5 KT.LAG. | 5074976 |
| 44 | HOLM UT. | 5300515 |
| 45 | VERST.STUECK HOLM. | 5074339 |
| 46 | FEDER 2X106 SI. | 0073362 |
| 47 | STOPFEN18-20/22GL.SZ. | 5074376 |
| 48 | HEBEL SPN. | 5300391 |
| 49 | Federscheibe 8 DIN 137 A | 0034192 |
| 50 | Distanzrohr 12x1,5x319 | 0033315 |
| 51 | SEILFUEHRUNG 585/546 | 5036377 |
| 53 | Federscheibe 8 DIN 137 A | 0034192 |
| 53 | SCHEIBE8,4 125ST B ZN GELB | 0030109 |
| 54 | HUTMUTTER M8 986ZN GELB | 0024108 |
| 55 | HOLM OT. | 5035106 |
| 55 | HOLM OT. | 5035353 |
| 56 | Schutzkappe | 5074246 |
| 57 | Halter 22 Bowdenzug | 5074100 |
| 58 | GASHEBEL +BOWDENZUG TECUM. | 2800300 |
| 59 | LI.SE.SHR.M5X50 966-5.8 | 0013249 |
| 60 | Scheibe 5,3 mm | 0030102 |
| 61 | HUTMUTTER M5 986ZN GELB | 0024121 |
| 62 | Scheibe 8,4 x 25 x2 mm gewölbt | 0030164 |
| 63 | HOLM OT. | 5300602 |
| 63 | Holm-Oberteil | 5300607 |
| 64 | Zugentlastung | 5074147 |
| 65 | SCHALTERSTECKER | 2800238 |
| 66 | Halbrundschraube 4,0x25 | 0018245 |
| 67 | ZYL.BL.SHR.4,8X16 7971C. | 0010279 |
| 68 | Scheibe 5,3 mm | 0030102 |
| 69 | Sechskantmutter M8 | 0028116 |
| 70 | 6KT.SHR.3/8X2"FLSH.SF-TT | 0018283 |
| 71 | Motorflansch | 5045674 |
| 72 | ZYL.SHR.M8X35 912-8.8ZN GELB | 0010137 |
| 73 | Isolierring | 5074347 |
| 74 | Isolierscheibe | 5074436 |
| 75 | SCHEIBE8,4 125ST B ZN GELB | 0030109 |
| 76 | Federring 8 | 0034117 |
| 77 | 6KT.SHR.M8X25 933-8.8ZN GELB | 0012185 |
| 78 | Spritzschutz | 5074144 |
| 79 | Federring 4 DIN 128 A | 0034127 |
| 80 | Scheibe 3,9 mm | 0030115 |
| 81 | 6KT.MU.M4 934-8ZN GELB | 0020106 |
| 83 | Abdeckhaube, rot | 5073494 |
| 84 | Scheibe 4,3 mm | 0030135 |
| 85 | Zylinderblechschraube 4,2x19 DIN 7971 | 0010431 |
| 86 | Kappe 11/16x6,5 | 5074159 |
| 87 | Schraube 3/8""24x23,5 | 0011280 |
| 88 | FEDERRING10 7980ZN GELB | 0034177 |
| 89 | SCHEIBE18,4X50X3 2093TE. | 0072126 |
| 90 | SCHEIBE32,1X61X3 DRK. | 0031293 |
| 91 | SCHEIBE32,1X60X2 REIB.RESITEX. | 0031295 |
| 92 | Propellermesser 400x70x3 mm | 5043327 |
| 93 | Gebläserad | 5073578 |
| 94 | Rohrnabe 22,25x32x40/5,5 mm | 5031220 |
| 95 | SCHEIBENFEDER4X6,5 6888 | 0075123 |
| 96 | Sechskantschraube M8x25 | 0011246 |
| 97 | 6KT.SHR.6,3X32 7976B ZN GELB | 0012375 |
| 98 | Gebläserad | 5073579 |
| 99 | Vierkantscheibe 13/17x34,5 | 0031499 |
| 100 | STIFT8X90 HALTE. | 5036349 |
| 101 | Sicherungsscheibe 6x0,2 DIN 6760 | 0055257 |
| 102 | FL.RD.SHR.M8X40 603 | 0017105 |
| 103 | Scheibe 8,4 x 25 x2 mm gewölbt | 0030164 |
| 104 | MU.M8 FLG. | 0094188 |
| 109 | ROHR8X1XMT.PA11/12SWZ. | 0064381 |
| 111 | Gehäuse Gashebel innen | 5074473 |
| 112 | Gehäuse Gashebel außen | 5074472 |
| 113 | Kulisse | 5074474 |
| 114 | Schieber | 5074522 |
| 115 | Hebel | 5074523 |
| 116 | Deckel Gashebel | 5074524 |
| 117 | Sechskantschraube M6 x 30 mm | 0012171 |
| 118 | Scheibe 6,4 mm <- ) | 0030100 |
| 119 | Sechskantmutter M6 | 0020122 |
| 120 | BOWDENZUG GAS1,4X1253 | 3800285 |
| 121 | LI.BL.SHR.3,5X38 7981B.ZN GELB | 0010573 |
| 122 | Schaltersteckerkombination | 2800319 |
| 123 | Bügel | 5036392 |
| 124 | Spannhülse 3x16 | 0042304 |
| 125 | Stange | 5036393 |
| 126 | TRAGGRIFF | 5074561 |
| 127 | ZYL.SHR.M6X45 912-8.8ZN | 0010122 |
| 128 | Griff, schwarz | 5074562 |
| 129 | LI.SHR.5X18KTKX T25 | 0018258 |