Zurück zu
Solo
>
Rasenmäher
>
Benzin-Antriebs-Mäher
>
535
>
535
>
Ersatzteilliste kpl.
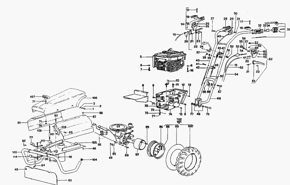
Ersatzteillisten für Solo Rasenmäher Ersatzteilliste kpl.
Pos.
Bezeichnung
Ersatzteilnummer
1
Dado cieco
200100010
2
Rondella
200100020
3
Coperchio laterale
206600260
4
Guarnizione
206600760
5
Linguetta
221700080
6
Vite TE 10X1.25X30
225200060
7
Rondella D.10
202500380
8
Rondella 10x30
222800250
9
Dado
200200090
10
Puleggia albero
225200100
11
Seeger
200700100
12
Seeger 147
200700450
13
Cuscinetto 6005/2RS
203001160
14
Rondella
200100050
15
Rondella
200100070
16
Rosetta
200600110
17
Vite TE M6X25
201400780
18
Seeger E 12
201600160
19
Dado
201100520
20
Tirante freno
225200200
21
Rondella
201100340
22
Dado
200600140
23
Piastrina
225200230
24
Dado M14X1.5 h 8
203000060
25
Rondella
203000070
26
Puleggia condotta
221700120
27
Cinghia 3V300 K
231100070
28
Cinghia XDV 45-590
223100281
29
Puleggia
225209290
30
Anello di tenuta
206600290
31
Cuscinetto
200100090
32
Spessore
200800220
33
Seeger
200700100
34
Albero p.ruote
222300320
35
Perno
225200350
36
Staffa
225200360
37
Vite TE M8X50
200400120
38
Spessore
200700080
39
Perno aggancio molla
223100390
40
Linguetta
223100400
41
Albero p.lama
225200410
42
Chiavetta
200100480
43
Molla
223100430
44
Tendicinghia
223100440
45
Perno guida cinghia
223100450
46
Dado
200100730
47
Vite
209701760
48
Guida cinghia
225200480
49
Dado
201400300
50
Dado
200100060
51
Flangia
225200510
52
Spezzone
225200520
53
Anello 20x47x8
200700200
54
Seeger 147
200700450
55
Spessore 20X30X0.8
200700180
56
Cuscinetto
200700220
57
Estedbloc
206600330
58
Corpo centrale
221700330
59
Rondella
200600490
60
Vite TE M 10X35
200600150
61
Vite TE. M 1OX60
225200610
62
Puleggia
201400770
63
Morsetto
206600490
64
Spessore
200100030
65
Cuscinetto 6200 2RS
204700390
66
Molla
221700180
67
Boccola 12x14x25
221700260
68
Cuscinetto 6000 2RS
212100060
69
Distanziale
221700230
70
Braccio tendicinghia
221700240
71
Dado 4
207810550
72
Puleggia
225200720
73
Rondella
200900210
74
Tappo olio
225200740
75
Vite
200100380
76
Dado
200100080
77
Distanziale
223100210
78
Morsetto
206600490
79
Asta disinnesto ruote
221700340
80
Anello di tenuta
206600470
81
Spessore
200700080
82
Vite TE M1 0X20
200600340
83
Leva disinnesto
221700370
84
Distanziale
201500590
85
Spessore
200100030
86
Spina elastica
201700920
87
Forcella sbloc.ruota
206600590
89
Vite TSEI M4X8
225200890
90
Mozzo porta lame
227500260
91
Vite TCEI M 6X10
224000280
92
Vite
209701760
93
Vite TCE M10X1.25
225200930
94
Supporto
225200940
95
Rondella
201401060
96
Piastrina
223100960
97
Prigioniero
223100970
98
Dado c/rondella
222700120
99
Prigioniero
223100990
100
Molla
221700310
101'
Dado
201000110
102
Lama
225201020
103
Bandella
223101030
104
Staffa fiss.gomma
223101040
105
Vite TE M 6X18
223100500
106
Vite senza fine
223101060
107
Astuccio a rullini
221700620
108
Anello 45X60X7
221700630
109
Spessore
200800220
110
Corona elicoidale
221700650
111
Collarino
221700660
112
Molla
221700670
113
Spessore
206600630
114
Vite
206600640
115
Coperchio
225201150
116
Vite TE 3/8-24.2 '/2
211500040
117
Rosetta
200300160
118
Pattino c/ferodo
225201180
119
Supportofreno
225201190
120
Supporto freno
225201200
121
Chiavetta disco
201400890
Gebrauchsanweisungen
Solo
Pflanzenschutzgeräte
Motorsägen
Motorsensen
Motorhacken
Balkenmäher
Vertikutierer
Rasenmäher
Aufsitzmäher / Rasentraktoren
Benzin-Antriebs-Mäher
535
535
Ersatzteilliste kpl.
553 / S / SL / SLI
553 / 553 P
Profi 552 R / ZR
Profi 551 R / ZR
550 R / RS / HR / RO / HRM
548 R
Primo 546 R / S / RS / RO / SM / ZR / HR / HRM
Primo 545 R
Benzin-Schiebe-Mäher
Elektro Rasenmäher
Blasgeräte
Multimot
Impressum
(C) by motoruf