Zurück zu
Solo
>
Rasenmäher
>
Aufsitzmäher / Rasentraktoren
>
560 / 560 Hydro
>
2002
>
GETRIEBE J / JP / JT / JR / JTP / JB / 92 hy. / 98s hy.
Ersatzteillisten für Solo Rasenmäher GETRIEBE J / JP / JT / JR / JTP / JB / 92 hy. / 98s hy.
Pos.
Bezeichnung
Ersatzteilnummer
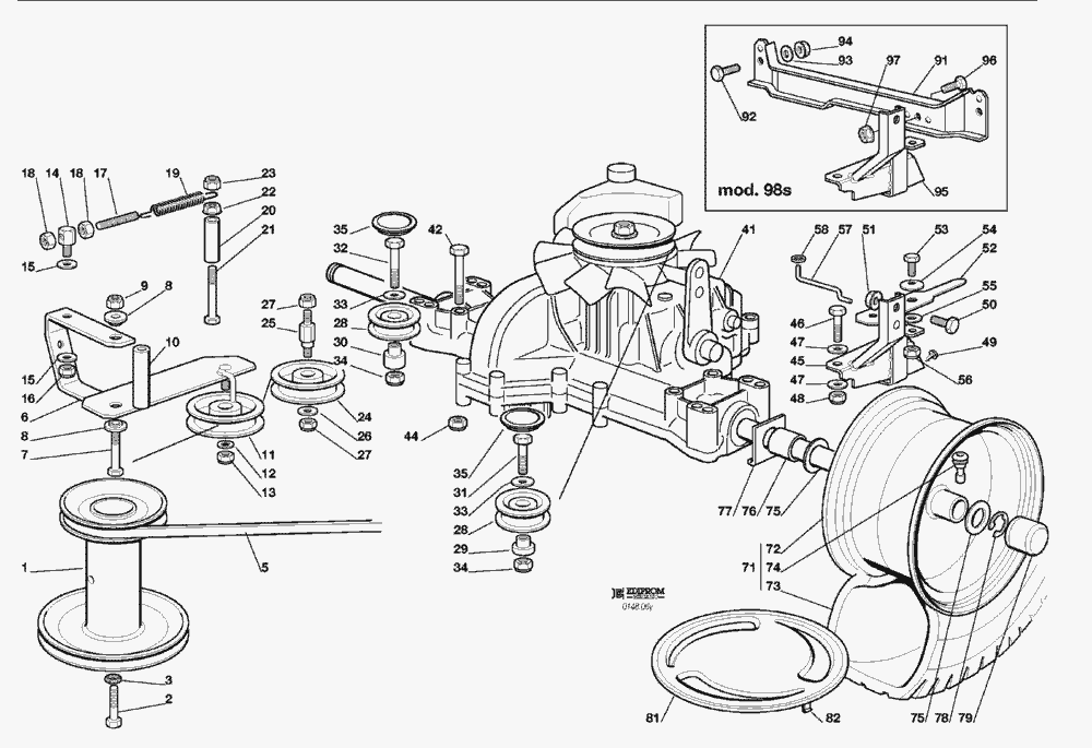
1
RIEMENSCHEIBE
25601548/1
2
SCHRAUBE
12737310/0
3
SCHEIBE
12543000/0
5
RIEMEN
35061980/0
6
HEBEL
82318133/0
7
SCHRAUBE
12692080/0
8
BÜCHSE
25038002/1
9
MUTTER
12155000/0
10
ENTFERNUNGSSTÜCK
25160017/0
11
RIEMENSCHEIBE
25601554/0
12
SCHEIBE
12523060/0
13
MUTTER
12155000/0
14
BOLZEN
25510040/1
15
SCHEIBE
25670011/0
16
MUTTER
12155000/0
17
SPANNSTANGE
25840005/0
18
MUTTER
12293200/0
19
FEDER
25430219/0
20
ENTFERNUNGSSTÜCK
25160008/0
21
SCHRAUBE
12692050/0
22
MUTTER
12293201/0
23
MUTTER
12155000/0
24
RIEMENSCHEIBE
25601555/0
25
BOLZEN
25510036/0
26
SCHEIBE
12523060/0
27
MUTTER
12155000/0
28
RIEMENSCHEIBE
25601570/0
29
LINKER ABSTANDSSTÜCK
25160030/0
30
LANG ABSTANDSSTÜCK
25160024/1
31
SCHRAUBE
12691115/0
32
SCHRAUBE
12691400/0
33
SCHEIBE
12523060/0
34
MUTTER
12155000/0
35
DECKEL
25109521/1
41
HINTERACHSE
18400960/0
42
SCHRAUBE
12691800/0
44
MUTTER
12154210/0
46
SCHRAUBE (räder 15”)
12691200/0
47
SCHEIBE
12521350/0
48
MUTTER
12155000/0
50
SCHRAUBE
12792611/0
51
MUTTER
12293201/0
52
HEBEL
25318157/0
53
SCHRAUBE
12793102/0
54
FEDERSCHEIBE
12369500/0
55
SCHEIBE
25670011/0
56
MUTTER
12155000/0
57
STANGE
25033033/0
58
KRONESCHEIBE
12604896/0
71
TURF SAVER CARLISLE
82680003/0
71
DELI TIRE
82680006/0
73
TURF SAVER CARLISLE
25590001/0
73
DELI TIRE
25590003/0
74
VENTIL
25950000/0
75
SCHEIBE
25670005/1
76
ENTFERNUNGSSTÜCK
25160031/0
77
SCHEIBE
25670017/0
78
SPRENGRING
12001010/0
79
RADNABE DECKEL
22110230/0
81
HINTERRADDECKEL (TCP - TCB)
82110253/0
82
FEDER
25430209/0
45
HALTER
82785117/0
49
SCHRAUBE
12735120/0
91
VERSTAERKUNG
25650087/0
92
SCHRAUBE
12793600/0
93
SCHEIBE
12521350/0
94
MUTTER
12293201/0
95
HALTER
82785121/0
96
SCHRAUBE
12793611/0
97
MUTTER
12293201/0
Gebrauchsanweisungen
Solo
Pflanzenschutzgeräte
Motorsägen
Motorsensen
Motorhacken
Balkenmäher
Vertikutierer
Rasenmäher
Aufsitzmäher / Rasentraktoren
576 / 576 Hydro
575 / 575 Hydro
572 / 572 Hydro
570 / 570 Hydro
562 Hydro
560 / 560 Hydro
2004
2003
2002
KLEBZETTEL
ZUBEHOERE NACH ANFRAGE J / JP / JT / JR / JTP / JB / 92 / 92 hy.
ELEKTRISCHETEILE J / JP / JT / JR / JTP / JB / 98s / 98s hy.
ELEKTRISCHETEILE J / JP / JT / JR / JTP / JB / 92 / 92 hy.
AUFFANGSACK (2. - BEWEGLICHER TEIL) J / JP / JT / JR / JTP / JB / 92 / 92 hy.
AUFFANGSACK (1. - FESTER TEIL) J / JP / JT / JR / JTP / JB / 92 / 92 hy.
SCHNEIDWERKZEUG (2) J / JP / JT / JR / JTP / JB / 98s / 98s hy.
SCHNEIDWERKZEUG (2) J / JP / JT / JR / JTP / JB / 92 / 92 hy.
SCHNEIDWERKZEUG (1) J / JP / JT / JR / JTP / JB / 98s / 98s hy.
SCHNEIDWERKZEUG (1) J / JP / JT / JR / JTP / JB / 92 / 92 hy.
SCHNEIDWERKZEUG AUFHEBESATZ
GETRIEBE J / JP / JT / JR / JTP / JB / 92 hy. / 98s hy.
GETRIEBE J / JP / JT / JR / JTP / JB / 92 / 98s
MOTOR 15 - 15,5 HP B&S
MOTOR 13 HP TECUMSEH
MOTOR 12 - 12,5 - 13,5 HP B&S
GETRIEBE UND BREMSE ANTRIEB J / JP / JT / JR / JTP / JB / 92 hy. / 98s hy.
BREMSE UND WECHSEL ANTRIEB J / JP / JT / JR / JTP / JB / 92 / 98s
LENKGETRIEBE
KARROSSERIE JB / 92 / 92 hy./ 98s / 98s hy.
KARROSSERIE JTP / 92 / 92 hy./ 98s / 98s hy.
KARROSSERIE JR / 92 / 92 hy./ 98s / 98s hy.
KARROSSERIE JT / 92 / 92 hy./ 98s / 98s hy.
KARROSSERIE JP / 92 / 92 hy./ 98s / 98s hy.
KARROSSERIE J / 92 / 92 hy./ 98s / 98s hy.
RAHMENSATZ
2001
2000
1999
560 PM
557
556
555 / 555 Hydro
Benzin-Antriebs-Mäher
Benzin-Schiebe-Mäher
Elektro Rasenmäher
Blasgeräte
Multimot
Impressum
(C) by motoruf