Zurück zu
Solo
>
Rasenmäher
>
Aufsitzmäher / Rasentraktoren
>
576 / 576 Hydro
>
2002
>
GETRIEBE (TC102 / TCP / TCR122 / TCB)
Ersatzteillisten für Solo Rasenmäher GETRIEBE (TC102 / TCP / TCR122 / TCB)
Pos.
Bezeichnung
Ersatzteilnummer
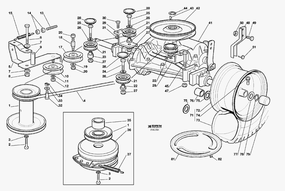
3
SCHEIBE
12543000/0
4
RIEMEN
35062011/0
5
HEBEL
82318165/1
6
SCHRAUBE
12692000/0
7
BÜCHSE
25038002/1
8
MUTTER
12155000/0
9
ENTFERNUNGSSTÜCK
25160027/0
10
RIEMENSCHEIBE
25601554/0
11
SCHEIBE
12523060/0
12
MUTTER
12155000/0
13
SPANNSTANGE
25840010/1
14
MUTTER
12293200/0
15
FEDER
25430219/0
17
RIEMENSCHEIBE
25601555/0
18
BOLZEN
25510036/0
19
SCHEIBE
12523060/0
20
MUTTER
12155000/0
21
RIEMENSCHEIBE
25601570/0
22
KURZ ABSTANDSSTÜCK
25160018/0
23
LANG ABSTANDSSTÜCK
25160024/1
24
SCHRAUBE
12691100/0
25
SCHRAUBE
12691400/0
26
SCHEIBE
12523060/0
27
MUTTER
12155000/0
28
DECKEL
25109521/1
29
BRIDE
25785125/0
30
SCHRAUBE
12791213/0
31
MUTTER
12154510/0
32
RIEMENFÜHRUNG
25580018/0
33
SCHEIBE
12523060/0
34
MUTTER
12360425/0
41
HINTERACHSE
18400940/0
42
RIEMENSCHEIBE
82601503/0
43
KEIL
12139430/0
44
SPRENGRING
12608950/0
45
SCHRAUBE
12691800/0
47
MUTTER
12154210/0
48
BRIDE
25774285/0
49
SCHRAUBE
12792611/0
50
MUTTER
12293201/0
51
SCHRAUBE
12735150/0
71
TURF SAVER CARLISLE
82680003/0
71
DELI TIRE
82680006/0
72
HINTRERRAD FELGER
82000592/0
73
TURF SAVER CARLISLE
25590001/0
73
DELI TIRE
25590003/0
74
VENTIL
25950000/0
75
SCHEIBE
12521410/00
76
ENTFERNUNGSSTÜCK
25160028/0
77
SCHEIBE
25670005/1
78
SPRENGRING
12001010/0
79
RADNABE DECKEL
22110230/0
81
HINTERRADDECKEL (TCP)
82110251/1
81
HINTERRADDECKEL (TCP - TCB)
82110253/0
82
FEDER
25430209/0
1
RIEMENSCHEIBE
25601569/0
2
SCHRAUBE
12737310/0
1
RIEMENSCHEIBE
25601567/0
2
SCHRAUBE
12737320/0
35
ENTFERNUNGSSTÜCK
25160021/0
36
KUPPLUNG
18399060/0
37
FEDER
25430210/0
Gebrauchsanweisungen
Solo
Pflanzenschutzgeräte
Motorsägen
Motorsensen
Motorhacken
Balkenmäher
Vertikutierer
Rasenmäher
Aufsitzmäher / Rasentraktoren
576 / 576 Hydro
2004
2003
2002
KLEBZETTEL
ZUBEHOERE NACH ANFRAGE
AUFFANGSACK
ELEKTRISCHETEILE
SCHNEIDWERKZEUG (2)
SCHNEIDWERKZEUG (1)
SCHNEIDWERKZEUG (2) (TC102 / TCP102 hy. / TCR / TCB)
SCHNEIDWERKZEUG AUFHEBESATZ
GETRIEBE (TC102 / TCP / TCR122 / TCB)
MOTOR 15 HP TECUMSEH
GETRIEBE (TC102 / TCP / TCR122 / TCB)
MOTOR 18 - 20 - 22 HP B&S
MOTOR 13 HP TECUMSEH
MOTOR 15 - 15,5 - 16 - 17 HP B&S
MOTOR 12 - 12,5 - 13,5 HP B&S
GETRIEBE UND BREMSE ANTRIEB (TC /TCP102 hy. / TCR / TCB122 hy.)
LENKGETRIEBE
BREMSE UND WECHSEL ANTRIEB (TC102 / TCP / TCR122 / TCB)
KARROSSERIE (TCB / TCB hy.)
KARROSSERIE (TCP / TCP hy.)
KARROSSERIE (TCR / TCR hy.)
KARROSSERIE (TC / TC hy.)
RAHMENSATZ
2001
2000
1999
570 PM
575 / 575 Hydro
572 / 572 Hydro
570 / 570 Hydro
562 Hydro
560 / 560 Hydro
557
556
555 / 555 Hydro
Benzin-Antriebs-Mäher
Benzin-Schiebe-Mäher
Elektro Rasenmäher
Blasgeräte
Multimot
Impressum
(C) by motoruf