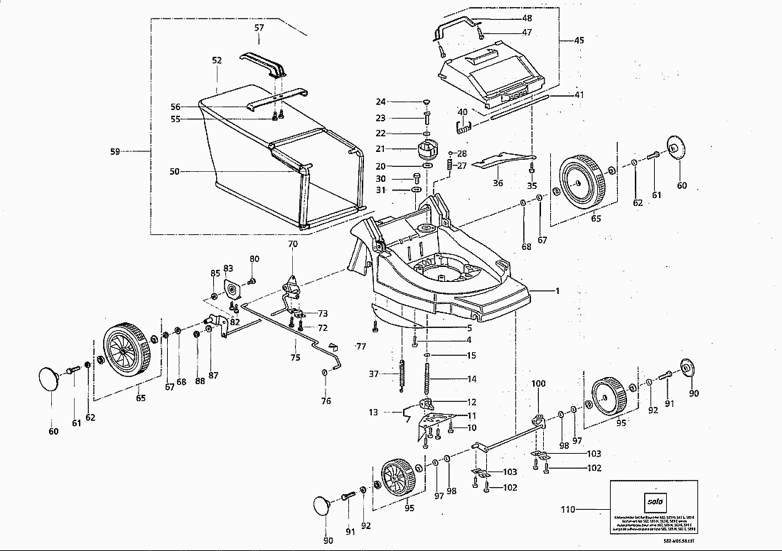
| Pos. | Bezeichnung | Ersatzteilnummer | |
| 1 | Rasenmähergehäuse, rot | 5100178 |
| 4 | LI.SHR.5X18KTKX T25 | 0018258 |
| 5 | Abdeckblech | 5042760 |
| 10 | LI.SHR.5X18KTKX T25 | 0018258 |
| 11 | ABDECKBLECH 2 | 5300507 |
| 12 | VERST.MU.T14X2 2G.SWZ. | 5074368 |
| 13 | Verbindungsstange | 5036363 |
| 14 | Gewindespindel T14x2 | 5031218 |
| 15 | Scheibe 10x16x1 mm DIN 988 A | 0031531 |
| 20 | SCHEIBE12,2X26X1 AN. | 0031537 |
| 21 | Verstellknopf | 5074373 |
| 22 | Scheibe 6,4 mm <- ) | 0030100 |
| 23 | ZYL.SHR.M6X16KXRI.T25 10.9 | 0018346 |
| 24 | STOPFEN M16X1,5F111 VERSCHL. | 5074375 |
| 27 | FEDER 1X6,5X18 DRK. | 0070208 |
| 28 | KUG.8 5401KL.3 | 0052116 |
| 30 | Linsenschraube 5x25 mm | 0018257 |
| 31 | Scheibe 6,4 mm <- ) | 0030100 |
| 35 | LI.SHR.5X18KTKX T25 | 0018258 |
| 36 | Grasführungsblech | 5043331 |
| 37 | Zugfeder 2,25x1 2x81 | 0071208 |
| 40 | Drehfeder 2,25x1 mm | 0073361 |
| 41 | Achse | 5036364 |
| 45 | Schutzklappe | 5300512 |
| 47 | LI.SHR.5X18KTKX T25 | 0018258 |
| 48 | Griff, schwarz | 5074562 |
| 50 | Rahmen | 5300598 |
| 52 | Grasfangsack mit Bodenplatte | 5900759 |
| 55 | ZYL.BL.SHR.6,3X19 7971C.ZN.GB. | 0010222 |
| 56 | Tragbügel | 5043325 |
| 57 | TRAGGRIFF | 5074561 |
| 59 | Grasfangsack, kompl. | 5900690 |
| 60 | Radkappe Ø 135 mm | 5074102 |
| 61 | 6KT.SHR.M5X12FLSH.M6SF-TT.WN78 | 0018193 |
| 62 | SCHEIBE5,5X27X1 DRK. | 0031540 |
| 65 | Rad Ø 200 mm | 5300632 |
| 67 | SCHEIBE12X18X1,2 988SS | 0031210 |
| 68 | Tellerfeder 12,5x25x0,7 DIN 2093 | 0072155 |
| 70 | Lagerung Hinterrad | 5300539 |
| 72 | LI.SHR.5X18KTKX T25 | 0018258 |
| 73 | ABDECKUNG ACHS.2 | 5045666 |
| 75 | Verbindungsstange | 5036362 |
| 76 | Sicherungsscheibe 6x0,2 DIN 6760 | 0055257 |
| 77 | Höhenanzeiger | 5074521 |
| 80 | Sechskantschraube M8x20 mm DIN 933 | 0017103 |
| 82 | LI.SHR.5X18KTKX T25 | 0018258 |
| 83 | Lagerblech | 5043324 |
| 85 | Buchse 8,2x1 5,6x5,2 mm | 5031217 |
| 87 | Scheibe 8,4 DIN 9021A | 0030128 |
| 88 | Sechskantmutter M8 | 0028116 |
| 90 | RADKAPPE 85 ROT | 5074101 |
| 91 | 6KT.SHR.M5X12FLSH.M6SF-TT.WN78 | 0018193 |
| 92 | SCHEIBE5,5X27X1 DRK. | 0031540 |
| 95 | Rad Ø 150 mm | 5300638 |
| 97 | SCHEIBE12X18X1,2 988SS | 0031210 |
| 98 | Tellerfeder 12,5x25x0,7 DIN 2093 | 0072155 |
| 100 | Lagerung Vorderrad | 5300540 |
| 102 | LI.SHR.5X18KTKX T25 | 0018258 |
| 103 | ABDECKUNG ACHS.2 | 5045666 |
| 110 | Klebeschilder-Set für Baureihe 582, 585 H, 583 E, 589 E | 5800461 |