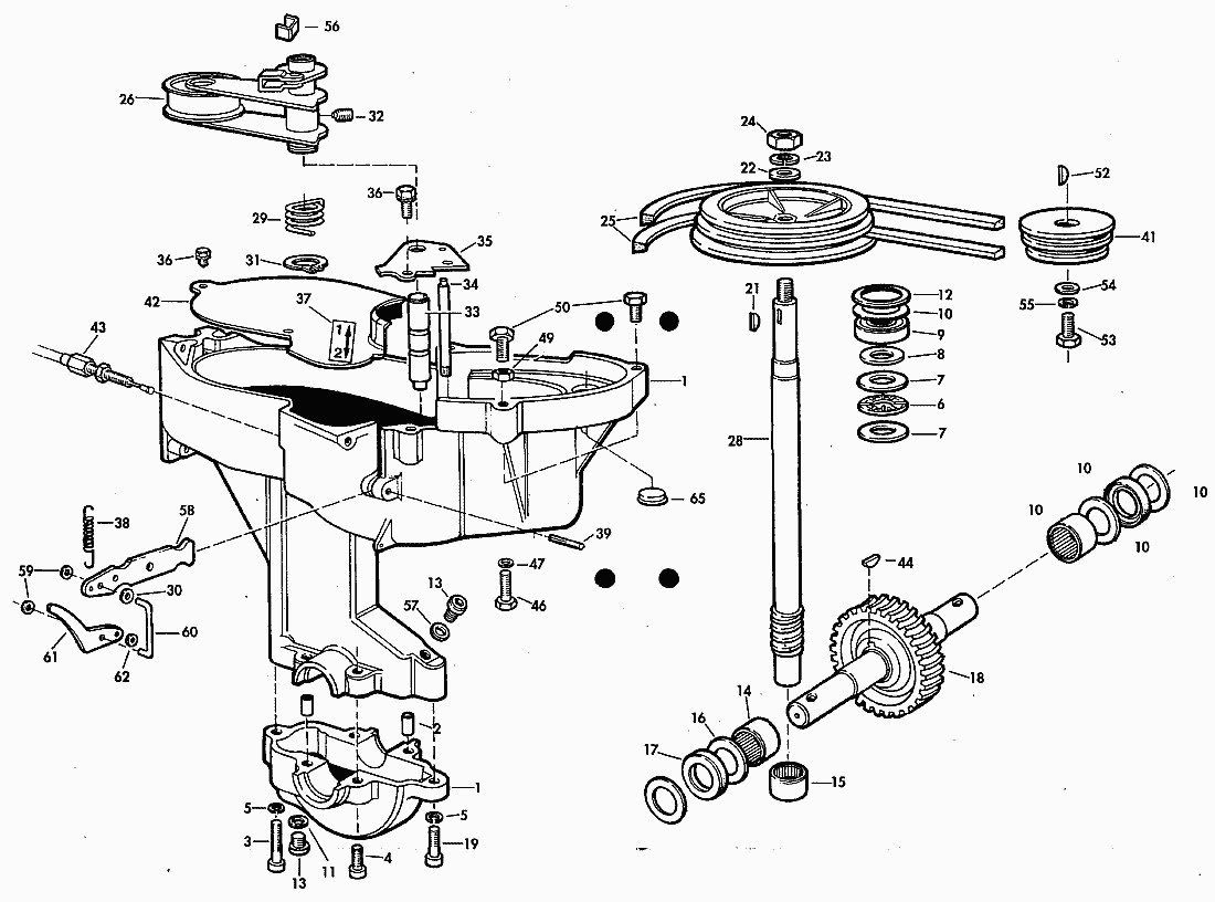
| Pos. | Bezeichnung | Ersatzteilnummer | |
| 1 | GEHAEUSE | 3100180 |
| 2 | HUELSE8X10PASS | 0042208 |
| 3 | ZYL.SHR.M6X40 912-8.8ZN GELB | 0010269 |
| 4 | ZYL.SHR.M6X30 912-8.8ZN GELB | 0010133 |
| 5 | FEDERSCHEIBE6 137B | 0034107 |
| 6 | AX.LAGER20X35X2AXK2035INA | 0052208 |
| 7 | SCHEIBE20X35X1 AX AS2035INA | 0031367 |
| 8 | SCHEIBE17X32X1 AN. | 0031365 |
| 9 | KUG.LAG.17X40X12 6203 2RS | 0050108 |
| 10 | SI.RING40X1,75 472 | 0055113 |
| 11 | DIC.RING10,2X15X1 7603A VF | 0061122 |
| 12 | Scheibe 17x24x1 mm | 0031347 |
| 13 | VERSCHL.SHR.M10X1 908 | 0016127 |
| 14 | NADELHUELSE28X35X20 HK 2820 | 0052209 |
| 15 | NADELHUELSE18X24X16 HK 1816 | 0052210 |
| 16 | SI.RING36X1,5J.V | 0055215 |
| 17 | WD.RING28X40X7BA NBR3760 | 0054209 |
| 18 | WELLE ARBEITS. | 3300148 |
| 19 | ZYL.SHR.M6X20 912-8.8ZN GELB | 0010252 |
| 20 | KEILRIEMENSHB.147,5/159 | 3400160 |
| 21 | SCHEIBENFEDER5X7,5 6888 | 0075124 |
| 22 | SCHEIBE13 125B ZN GELB | 0030103 |
| 23 | FEDERSCHEIBE12 137B | 0034121 |
| 24 | 6KT.MU.M12X1,5 8673-5.8 | 0020147 |
| 25 | KEILRIEMEN 10X6X718 | 0057178 |
| 26 | SCHALTUNG V. | 3300146 |
| 27 | KUG.LAG.12X32X10 6201 2RS | 0050132 |
| 70 | AUFNAHME | 7043621 |
| 28 | SCHNECKENWELLE2G.R. | 3038315 |
| 29 | FEDER 2,25X26,25SCHENKEL.BIEGE | 0073252 |
| 30 | Scheibe 5,3 mm | 0030108 |
| 31 | SI.RING22X1,2 471 | 0055192 |
| 32 | STIFT M6X8 915A-10. GWD. | 0015228 |
| 33 | WELLE SCHALT. | 3031797 |
| 34 | ACHSE 506 | 3031801 |
| 35 | LAGERBLECH | 3042450 |
| 36 | 6KT.SHR.M6X16FLSH.M6SF-TT.WN78 | 0018183 |
| 37 | SKS.1-2GANG | 0069306 |
| 38 | FEDER 1,2X8,2X34 ZUG. | 0071178 |
| 39 | STIFT6X16 1472 PASS. | 0042239 |
| 41 | KEILRIEMENSHB.70/89DP.2 | 2015214 |
| 42 | ABDECKBLECH | 3043837 |
| 43 | BOWDENZUG KUPPL. | 3800218 |
| 44 | SCHEIBENFEDER6X9 6888 | 0075128 |
| 46 | 6KT.SHR.M8X80 931-8.8ZN GELB | 0012270 |
| 47 | SCHEIBE8,4 125ST B ZN GELB | 0030109 |
| 49 | 6KT.MU.M8 934-8ZN.GELB | 0020109 |
| 50 | 6KT.SHR.M8X60 931-10,9 SCHW. | 0012279 |
| 52 | SCHEIBENFEDER4X6,5 6888 | 0075123 |
| 53 | 6KT.SHR.3/8"24UNF.X24,5ZN. | 0012257 |
| 54 | SCHEIBE10,5 9021A ST.ZN | 0030129 |
| 55 | FEDERSCHEIBE10 137B | 0034102 |
| 56 | SI.BLECH6X0,5 | 5043854 |
| 57 | DIC.RING10X20X2/5 NR.M10-10064 | 0061264 |
| 58 | HEBEL | 3042451 |
| 59 | Sicherungsscheibe 4 mm | 0055101 |
| 60 | BUEGEL | 5036264 |
| 61 | HEBEL SCHALT. | 5074705 |
| 62 | SI.SCHEIBE3,2 6799 | 0055103 |
| 65 | SCHUTZKAPPE | 5045493 |