Zurück zu
Solo
>
Balkenmäher
>
532
>
532 PM
>
Getriebe / Räder
Ersatzteillisten für Solo Balkenmäher Getriebe / Räder
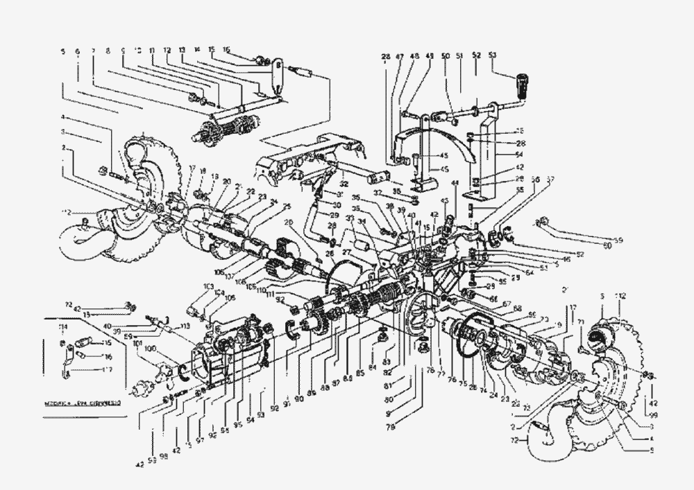
Pos.
Bezeichnung
Ersatzteilnummer
1
Rondella
203000070
2
Dado
201100610
3
Dado
201100510
4
Prigioniero
212700150
5
Rosetta
200600110
6
Copertura 16/650.8
227400800
7
Forcella cambio
207600070
8
Porta molla
207600080
9
Rondella
200100410
10
Molla
207600100
11
Sfera
207600110
12
Anello di tenuta
207600120
13
Spina cilindrica
207600130
14
Leva comando marce
207600140
15
Rondella
200100050
16
Dado
200100060
17
Mozzo porta ruote
206600320
18
Dado cieco
200100010
19
Rondella
200100020
20
Chiavetta
206600170
21
Protezione mozzo
206600300
22
Anello di tenuta
206600290
23
Coperchio laterale
206600260
24
Cuscinetto
200100090
25
Spessore
200800220
26
Guarnizione
206600760
27
Chiavetta
200100530
28
Rondella
200100070
29
Guida filo
206600350
30
Spessore
206600360
31
Capuccio in gomma
206600370
32
Rinvio leva
207600320
33
Estedbloc
206600330
34
Perno centraggio
200100270
35
Vite
209800230
36
Rondella
200100720
37
Dado
201000110
38
Coperchio
207600380
39
Anello di tenuta
206600470
40
Spessore
200700080
41
Rondella
206600560
42
Dado
200100080
43
Bocchettone
200100420
45
Leva cambio marce
207600450
46
Vite
207600460
47
Vite
200100380
48
Settore
207600480
49
Vite per asta cambio
207600490
50
Dado
200100730
51
Asta cambio
207600510
52
Gommino
202400090
53
Pomello x leva
202400100
54
Guida asta
207600540
55
Prigioniero
202500530
56
Cuscinetto
206600450
57
Seeger
200100540
59
Dado
200100520
60
Rondella
200100620
62
Anello di tenuta
200100550
63
Leva sbloc. Ruote
206600550
64
Distanziale
201500590
65
Morsetto
206600490
66
Dado
200200090
67
Rondella
200100230
68
Vite
200100240
69
Spina elastica
201700920
70
Vite
206600640
71
Vite
200600330
72
Camera aria 16/6508
227400810
73
Vite
206600310
74
Spessore
206600630
75
Molla
206600620
76
Collarino
206600610
77
Perno
206600580
78
Forcella sbloc.ruota
206600590
79
Tappo
203000830
80
Corpo centrale
207600800
81
Cuscinetto
200700220
82
Distanziale
207600820
83
Vite senza fine
207600830
84
Tappo olio
202000190
85
Rondella
200900210
86
Ingranaggio 4 tempi
207600861
87
Albero porta vite
207600870
88
Ralla
207600880
89
Cuscinetto
207600890
90
Ingranaggio 4 tempi
207600901
91
Cuscinetto
200800100
92
Astuccio
206600690
93
Guarnizione
206600660
94
Scatola cambio
206600080
95
Ingranaggio 4 tempi
207600951
96
Spessore
207600960
97
Prigioniero
206600120
98
Prigioniero
227501320
99
Rosetta
200300160
100
Anello di tenuta
206600010
101
Forcella
206600730
103
Guida filo
206600100
104
Rondella in fibra
200700350
105
Tappo in plastica
206600700
106
Distanziale
206600230
107
Seeger
200700100
108
Corona elicoidale
207601080
109
Albero
206600180
110
Cuscinetto
200100170
111
Albero 4 tempi
207601111
112
Cerchio
227400820
113
Perno porta forcella
206600720
114
Seeger
207601140
115
Barilotto
206600780
116
Vite
209701760
Dado
201400300
117
Levetta disinnesto
206600710
118
Rad kpl. Links 16/650.8
227400120
119
Rad kpl. Rechts 16/650.8
227400110
120
50 mm NABEN
94900902
Gebrauchsanweisungen
Solo
Pflanzenschutzgeräte
Motorsägen
Motorsensen
Motorhacken
Balkenmäher
532
532 PM
Getriebe / Räder
Mähwerkgehäuse
Mähbalken 92 cm
Getriebe
Mähbalken 81/91/102/117 cm
Holm u. Bedienelemente
531
530
522 M
Vertikutierer
Rasenmäher
Blasgeräte
Multimot
Impressum
(C) by motoruf