Zurück zu
Solo
>
Motorsensen
>
Professionelle Motorsensen
>
134
>
ET 08/1997 Druck 9 134 701
>
Griff / Gasbetätigung
Ersatzteillisten für Solo Motorsensen Griff / Gasbetätigung
Pos.
Bezeichnung
Ersatzteilnummer
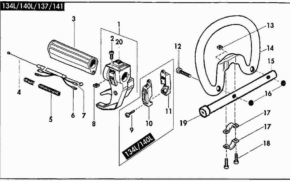
1
Gasgriff
6800306
2
Zylinderschraube M5x20 DIN 84 A
0010182
3
Griff 24x125
6063331
4
BOWDENZUG GAS1X580
2800552
4
Bowdenzug, Gas
2800564
5
*** keine Bezeichnung vorhanden
0064415R
6
KABEL580 MASSE.GN.
0084719
6
Kabel 1125
0084730
7
KABEL680 KURZSCHLUSS.RT.
0084720
7
Kabel 1125
0084730
8
4KT.MU.M5
0021235
9
Linsenschraube 4x25
0018357
10
Gurtbefestigung 1
2074931
11
Gurtbefestigung 2
2074932
12
Zylinderschraube M5x45
0018389
13
Vierkantmutter M5
0021241
14
HANDSCHUTZ
6073287
15
Anschlag
6035975
16
Sechskantmutter M5 DIN 980
0028110
17
Schelle 24
6043438
18
Zylinderschraube M5x25
0018338
19
Verschlußstopfen 12x20
2074945
20
Kurzschlußschalter, Gasgriff
6800328
Gebrauchsanweisungen
Solo
Pflanzenschutzgeräte
Motorsägen
Motorsensen
Professionelle Motorsensen
153
152
141
137
140
134
ET 07/1998 Druck 9 134 702
ET 08/1997 Druck 9 134 701
Zubehör
Rückentragegestell
Werkzeug / Serienausrüstung
Biegewelle + Kupplungsmuffe
Getriebe / Schutz
Schaftrohr / Schutz
Griffrohr / Gasbetätigung
Griff / Gasbetätigung
Motor / Gehäuse
ET 09/1993 Druck 9 134 700
Semiprofessionelle Motorsensen
Leichte-Benzimotor-Sensen
Elektromotor-Sensen
Motorhacken
Balkenmäher
Vertikutierer
Rasenmäher
Blasgeräte
Multimot
Impressum
(C) by motoruf