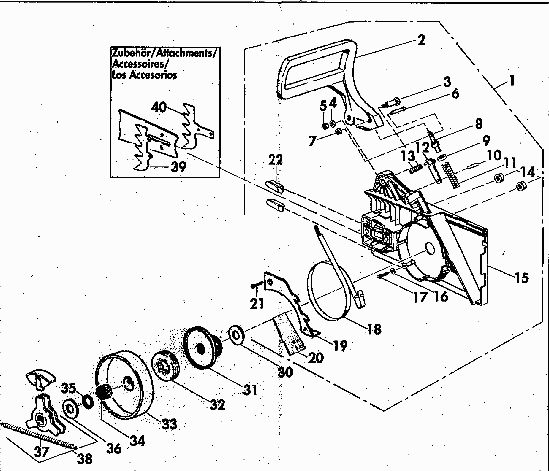
| Pos. | Bezeichnung | Ersatzteilnummer | |
| 1 | SCHWERTABD.RT. | 6100316 |
| 2 | HANDSCHUTZ SWZ. | 6073445 |
| 3 | BOLZEN M5/7,85/8,3X23 LAG.EGT | 6032594 |
| 4 | Scheibe 5,2x12x0,5 mm | 0072140 |
| 5 | Sechskantmutter M5 | 0028137 |
| 6 | BOLZEN M4X30,6 SCHALT. SW7 | 6032670 |
| 7 | Sechskantmutter M4 | 0028118 |
| 8 | VERSTELLUNG | 6300174 |
| 9 | ROHR12X2,5X2,5 DIST. | 0033311 |
| 10 | STIFT5M6X16 7ZYL. | 0040102 |
| 11 | FEDER 1,6X10,2X56 DRK. | 0070254 |
| 12 | Druckblech | 6300175 |
| 13 | Druckfeder 1,5x7x21,5 mm | 0070253 |
| 14 | Sechskantmutter M8 | 0020214 |
| 15 | SCHWERTABD.RT. | 6100305 |
| 16 | Scheibe 3,9 mm | 0030115 |
| 18 | BREMSBAND VS. | 6200129 |
| 19 | ABDECKUNG BREMSBAND. | 6074394 |
| 20 | PRALLSCHUTZ | 0094256 |
| 21 | Spax-Schraube 4x13 | 0018231 |
| 22 | GLEITSCHUH | 6074281 |
| 30 | SCHEIBE14X24X1 AN. | 0031276 |
| 31 | MITNEHMER POW/MAT | 3400204 |
| 32 | RG.KETTENRAD POW/MAT3/8"7Z7N | 3038399 |
| 33 | KU.GLOCKE POW/MAT7N18D | 3500359 |
| 34 | NADELKAEFIG14X18X13K | 0052143 |
| 35 | FILZRING 14X18X0,8 | 0061223 |
| 36 | SCHEIBE10X25X1 AN. | 0031526 |
| 37 | FEDER 1,3X4,5X149 ZUG.KU. | 0071215 |
| 38 | KUPPLUNG M10X1,25L.FLIEHKRAFT. | 3500365 |
| 39 | ANSCHLAGKRALLE | 6042695 |
| 40 | ANSCHLAGKRALLE 662+ | 6042696 |