Zurück zu
Solo
>
Motorsägen
>
Professionelle Motorsägen
>
670
>
ET 11/1989 Druck 9 670 705
>
Kupplung/Starter
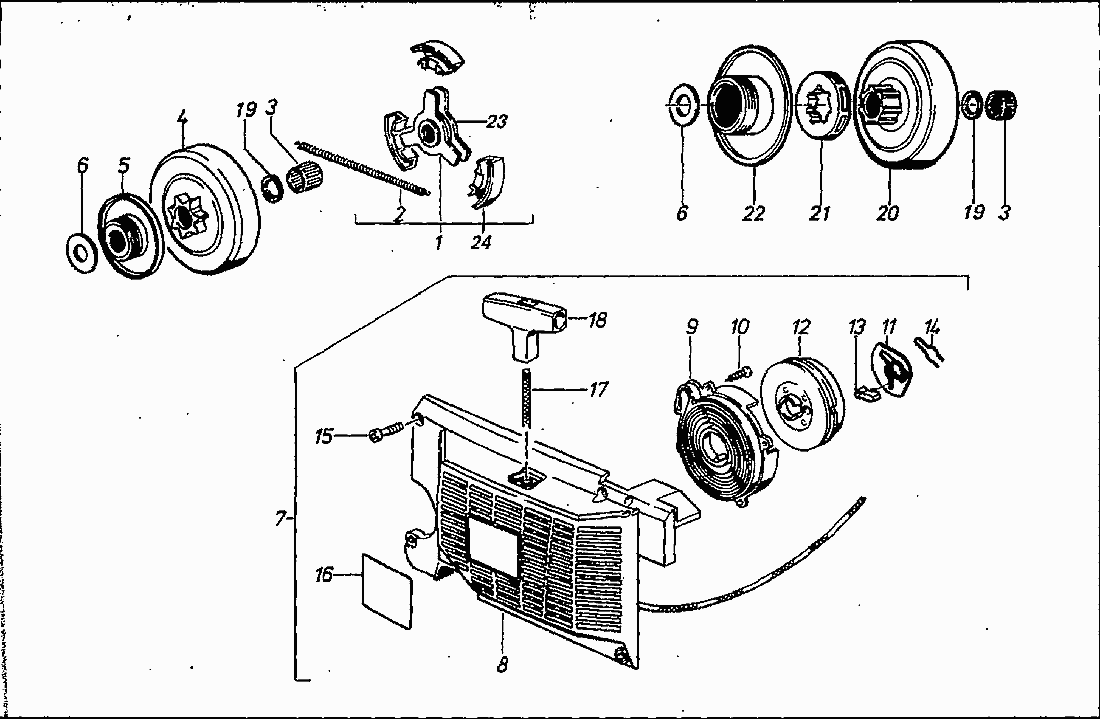
Ersatzteillisten für Solo Motorsägen Kupplung/Starter
Pos.
Bezeichnung
Ersatzteilnummer
1
KUPPLUNG M12X1,5L.FLIEHKRAFT.
3500366
2
FEDER 1,5X5X191 ZUG.KU.
0071216
3
NADELKAEFIG14X18X15,00 K TN
0052250
4
KU.GLOCKE3/8"7Z18D
3500356
5
MITNEHMER404-3/8"7Z
3400200
6
SCHEIBE14X29X1 AN.
0031524
7
STARTER
2100425
8
STARTERGEHAEUSE 690
2100475
9
FEDERKASSETTE LL.
2600245
10
ZYL.BL.SHR.3,5X9,5 7971ZN
0010427
11
KULISSE
2074388
12
SEILROLLE
2074288
13
STARTERKLINKE
6074294
14
FEDERSTECKER1,5
0073364
15
ZYL.SHR.M5X16 HAUBEN.
0011278
16
SKS.SOLO
0069514
17
STARTERSEIL4,2x1000
0063178
18
STARTERGRIFF
2074365
19
FILZRING 14X18X0,8
0061223
20
KU.GLOCKE POW/MAT7N18D
3500355
21
RG.KETTENRAD POW/MAT3/8"7Z7N
3038399
RG.KETTENRAD POW/MAT.404"7Z7N
3038398
22
MITNEHMER POW/MAT
3400201
POWER MATE SET3/8"7Z7N18D
6900493
POWER MATE SET.404"7Z7N18D
6900494
23
NABE M12X1,5L.KU.
3500364
24
FLIEHGEWICHT
3016324
Gebrauchsanweisungen
Solo
Pflanzenschutzgeräte
Motorsägen
Professionelle Motorsägen
603
694
690
680
670
ET 12/1991 Druck 9 670 706
ET 11/1989 Druck 9 670 705
Elektronik/Vergaser
Kupplung/Starter
Kettenbremse
Motor
Bügel/Handgriff
667
662
651
644
Semiprofessionelle Motorsägen
Hobby-Motorsägen
Elektrosägen
Motorsensen
Motorhacken
Balkenmäher
Vertikutierer
Rasenmäher
Blasgeräte
Multimot
Impressum
(C) by motoruf