Zurück zu
Solo
>
Rasenmäher
>
Aufsitzmäher / Rasentraktoren
>
576 / 576 Hydro
>
2001
>
LENKGETRIEBE
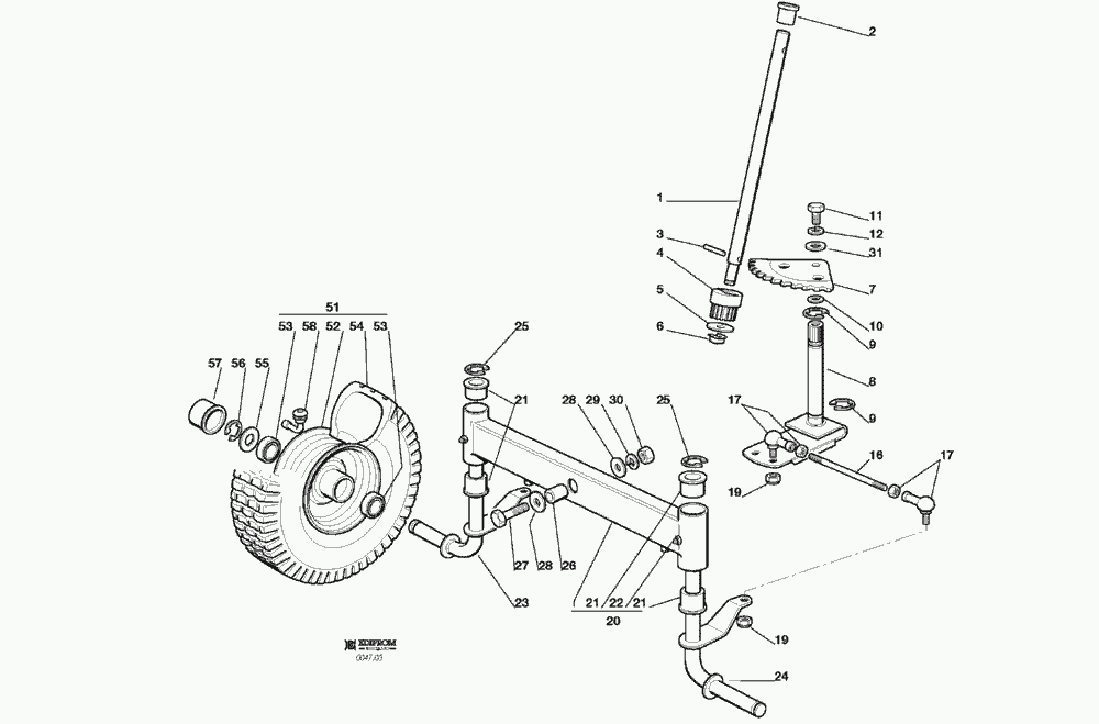
Ersatzteillisten für Solo Rasenmäher LENKGETRIEBE
Pos.
Bezeichnung
Ersatzteilnummer
1
LENKUNGSAEULE
27520050/0
2
BÜCHSE
25038003/0
3
STIFT
12622650/0
4
RITZEL
27570050/0
5
SCHEIBE
12521370/0
6
PLATTECHEN
12436030/0
7
LENKUNGSWELLE
84735551/0
8
WELLE
84000501/0
9
SPRENGRING
12001000/0
10
SCHEIBE
12520031/0
11
SCHRAUBE
12793102/0
12
GROWER
12583500/0
16
SPANNSTANGE
27840050/0
17
GELENK
22746600/0
19
MUTTER
12156602/0
20
KIPPHEBEL MIT BÜCHSE UND FETTBÜCHSE
84034057/0
21
BÜCHSE
25034002/1
22
FETTBÜCHSE
12379511/0
23
RECHTER ACHSSCHENKEL
84230401/0
24
LINKER ACHSSCHENKEL
84230403/0
25
SPRENGRING
12001000/0
26
ENTFERNUNGSSTÜCK
25160016/0
27
SCHRAUBE
12692695/0
28
SCHEIBE
12523100/0
29
GROWER
12587100/0
30
MUTTER
12295300/0
31
SCHEIBE
12521350/0
51
TURF SAVER CARLISLE
84680052/0
51
DELI TIRE
84680055/0
52
VORDERRAD FELGER
84044000/0
53
LAGER
25122200/1
54
REIFEN
REIFEN
54
TURF SAVER CARLISLE
27590050/0
54
DELI TIRE
27590052/0
55
SCHEIBE
25670005/1
56
SPRENGRING
12001000/0
57
RADNABE DECKEL
22110230/0
58
VENTIL
25950002/0
Gebrauchsanweisungen
Solo
Pflanzenschutzgeräte
Motorsägen
Motorsensen
Motorhacken
Balkenmäher
Vertikutierer
Rasenmäher
Aufsitzmäher / Rasentraktoren
576 / 576 Hydro
2004
2003
2002
2001
KLEBZETTEL
ZUBEHOERE NACH ANFRAGE
ELEKTRISCHETEILE
AUFFANGSACK
SCHNEIDWERKZEUG (2)
SCHNEIDWERKZEUG AUFHEBESATZ
SCHNEIDWERKZEUG (1)
GETRIEBE (F72 hy.)
MOTOR 10 HP TECUMSEH
GETRIEBE (F72)
MOTOR 10 - 10,5 - 11 - 11,5 - 12 - 12,5 HP B&S
GETRIEBE UND BREMSE ANTRIEB (F72 hy.)
BREMSE UND WECHSEL ANTRIEB (F72)
KARROSSERIE
LENKGETRIEBE
RAHMENSATZ
2000
1999
570 PM
575 / 575 Hydro
572 / 572 Hydro
570 / 570 Hydro
562 Hydro
560 / 560 Hydro
557
556
555 / 555 Hydro
Benzin-Antriebs-Mäher
Benzin-Schiebe-Mäher
Elektro Rasenmäher
Blasgeräte
Multimot
Impressum
(C) by motoruf