Zurück zu
Solo
>
Balkenmäher
>
531
>
531 PM
>
Mähbalken
Ersatzteillisten für Solo Balkenmäher Mähbalken
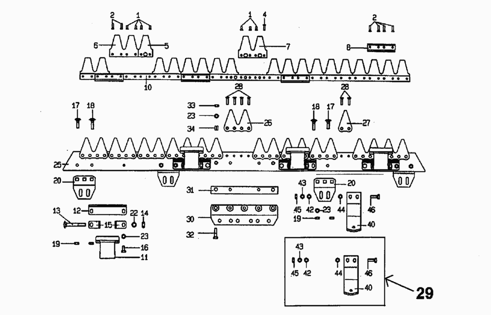
Pos.
Bezeichnung
Ersatzteilnummer
1
Ribattino 5x12
0200600310
2
Ribattino 5x20
0227000020
4
Ribattino barra cm. 117
0208400030
5
Sezione
0227000050
6
Sezione doppia
0227000060
7
Sezione doppia
0227000070
8
Guida
0227000080
10
Lama cm.81
0227000100
10
Lama cm.91
0227000101
10
Lama cm. 102
0227000102
10
Lama cm. 117
0227000103
11
Premilama
0227000110
12
Piastra
0227000120
13
Vite
0227000130
14
Dado
0227000140
15
Piastra
0227000150
16
Vite
0200100380
17
Vite per barra cm. 81/91/102
0227000170
17
Vite per barra cm. 117
0227000171
18
Vite per barra cm. 81/91/102
0227000180
18
Vite per barra cm. 117
0227000181
19
Dado M 8
0200100080
20
Supporto suola
0227000200
22
Rondella grower
0200600110
23
Rondella bisellata
0200100070
25
Supp.dente per barra cm.81
0227000250
25
Supp.dente per barra cm.91
0227000251
25
Supp.dente per barra cm. 102
0227000252
25
Supp.dente per barra cm. 117
0227000253
26
Dente inferiore doppio
0227000260
27
Dente per barra cm. 117
0227000270
28
Ribattino per barra cm.81/91/102
0207200090
28
Ribattino per barra cm. 117
0227000281
29
Suola completa per pos. 40/46
0227000290
30
Piastra attacco barra cm. 102
0227000300
30
Piastra attacco barra
0208400210
31
Piastra per barra cm. 117
0227000310
32
Vite
0200200160
33
Dado M8
0200100060
34
Boccola
0208400220
40
Suola
0207200200
42
Rondella bisellata
0200100070
43
Rondella
0200300160
45
Dado M 8
0200100080
46
Vite TE M8X25
0200200180
Barra completa cm.81
0227000000
Barra ESM cm.92
0227000001
Barra completa cm. 102
0227000002
Barra completa cm. 117
0227000003
Gebrauchsanweisungen
Solo
Pflanzenschutzgeräte
Motorsägen
Motorsensen
Motorhacken
Balkenmäher
532
531
531 PM
Mähbalken
Motor
Holm u. Bedienelemente
Getriebe
Mähwerkgehäuse
530
522 M
Vertikutierer
Rasenmäher
Blasgeräte
Multimot
Impressum
(C) by motoruf