Zurück zu
Solo
>
Rasenmäher
>
Aufsitzmäher / Rasentraktoren
>
562 Hydro
>
2000
>
MOTOR 15 - 15,5 HP B&S
Ersatzteillisten für Solo Rasenmäher MOTOR 15 - 15,5 HP B&S
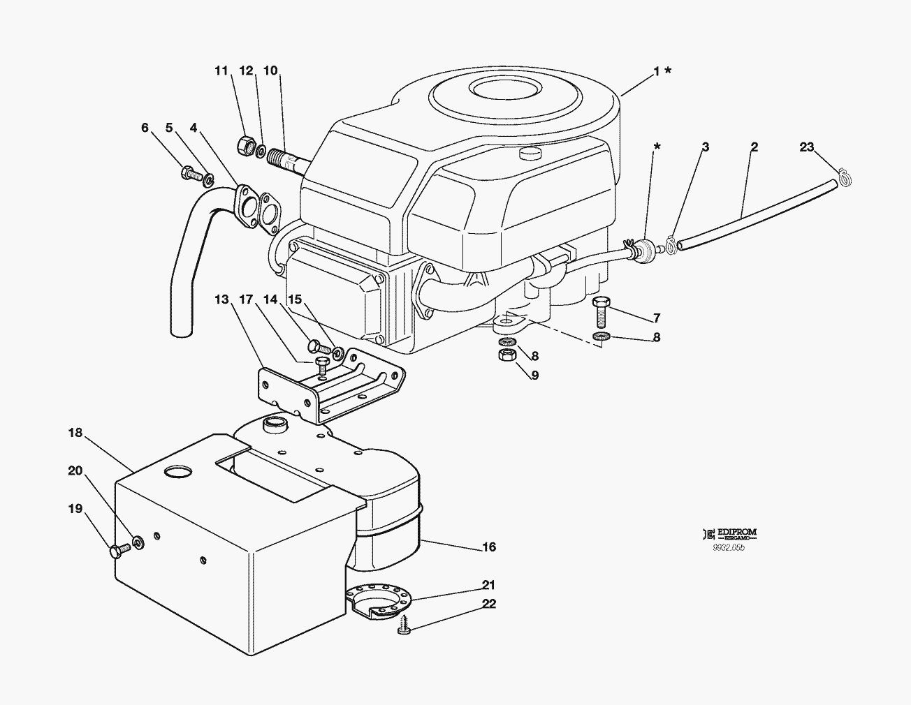
Pos.
Bezeichnung
Ersatzteilnummer
1
MOTOR
MOTOR 15 - 15,5 HP B&S
2
VERBINDUNGSROHR
25869016/0
3
KABELBEFESTIGUNG
18375051/1
4
VERBINDUNGSROHR FÜR ABGASUNG
18738206/0
5
GROWER
12583500/0
6
SCHRAUBE
12735530/0
7
SCHRAUBE
12691115/0
8
SCHEIBE
12540260/0
9
MUTTER
12293200/0
MUTTER
12293201/0
10
ÖL ABFLUSS
25598050/0
11
OELVERSCHLUSS
18737849/0
12
DICHTUNG
18401001/0
13
AUSPUFFHALTERSATZ
82785093/0
14
SCHRAUBE
12793102/0
15
SCHEIBE
12540260/0
16
AUSPUFF MIT DEFLEKTOR
18716132/0
17
SCHRAUBE
12735599/0
18
SCHUTZE
82598009/1
19
SCHRAUBE
12792611/0
20
GROWER
12583500/0
21
DEFLEKTOR
18310005/0
22
SCHRAUBE
12735106/0
23
KABELBEFESTIGUNG
18375053/0
Gebrauchsanweisungen
Solo
Pflanzenschutzgeräte
Motorsägen
Motorsensen
Motorhacken
Balkenmäher
Vertikutierer
Rasenmäher
Aufsitzmäher / Rasentraktoren
576 / 576 Hydro
575 / 575 Hydro
572 / 572 Hydro
570 / 570 Hydro
562 Hydro
2004
2003
2000
ELEKTRISCHES SCHEMA 15 - 15,5 HP B&S (J92 hy., JP92 hy., JT92 hy., JR92 hy.)
ELEKTRISCHES SCHEMA 10,5 - 12 - 12,5 - 13 HP B&S - 13 HP TECUMSEH (J92 hy., JP92 hy., JT92 hy., JR92 hy.)
ELEKTRISCHES SCHEMA 15 - 15,5 HP B&S (J92, JP92, JT92, JR92)
ELEKTRISCHES SCHEMA 10,5 - 12 - 12,5 - 13 HP B&S - 13 HP TECUMSEH (J92, JP92, JT92, JR92)
KLEBZETTEL
ZUBEHOERE NACH ANFRAGE
ELEKTRISCHETEILE J92 hy. / JP92 hy. / JT92 hy. / JR92 hy.
ELEKTRISCHETEILE J92 / JP92 / JT92 / JR92
AUFFANGSACK (2. - BEWEGLICHER TEIL)
AUFFANGSACK (1. - FESTER TEIL)
SCHNEIDWERKZEUG (2)
SCHNEIDWERKZEUG (1)
SCHNEIDWERKZEUG AUFHEBESATZ
GETRIEBE J92 hy. / JP92 hy. / JT92 hy. / JR92 hy.
GETRIEBE J92 / JP92 / JT92 / JR92
MOTOR 15 - 15,5 HP B&S
MOTOR 13 HP TECUMSEH
MOTOR 10,5 - 12 - 12,5 - 13 HP B&S
GETRIEBE UND BREMSE ANTRIEB J92 hy. / JP92 hy. / JT92 hy. / JR92 hy.
BREMSE UND WECHSEL ANTRIEB
LENKGETRIEBE
KARROSSERIE JR92 / JR92 hy.
KARROSSERIE JT92 / JT92 hy.
KARROSSERIE JP92 / JP92 hy.
KARROSSERIE J92 / J92 hy.
RAHMENSATZ
1999
560 PM
560 / 560 Hydro
557
556
555 / 555 Hydro
Benzin-Antriebs-Mäher
Benzin-Schiebe-Mäher
Elektro Rasenmäher
Blasgeräte
Multimot
Impressum
(C) by motoruf