Zurück zu
Solo
>
Rasenmäher
>
Aufsitzmäher / Rasentraktoren
>
575 / 575 Hydro
>
2000
>
MOTOR 15,5 HP B&S (TCP102)
Ersatzteillisten für Solo Rasenmäher MOTOR 15,5 HP B&S (TCP102)
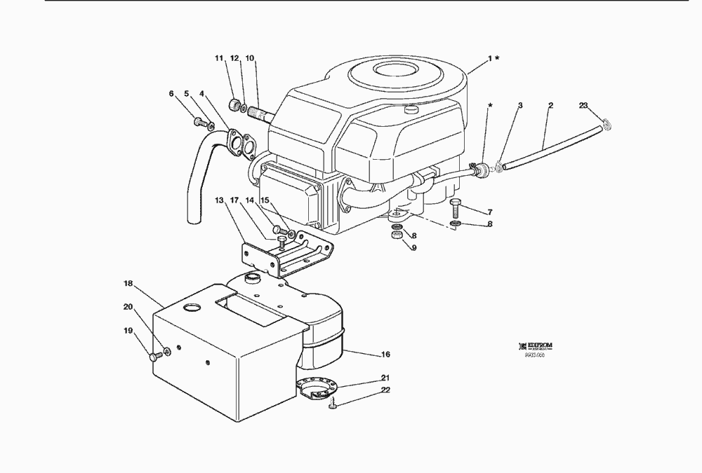
Pos.
Bezeichnung
Ersatzteilnummer
1
MOTOR
MOTOR
2
VERBINDUNGSROHR
25869016/0
3
KABELBEFESTIGUNG
18375051/1
4
VERBINDUNGSROHR FÜR ABGASUNG
18738206/0
5
GROWER
12583500/0
6
SCHRAUBE
12735530/0
7
SCHRAUBE
12691115/0
8
SCHEIBE
12540260/0
9
MUTTER
12293200/0
10
ÖL ABFLUSS
25598050/0
11
OELVERSCHLUSS
18737849/0
12
DICHTUNG
18401001/0
13
AUSPUFFHALTERSATZ
82785093/0
14
SCHRAUBE
12793102/0
15
GROWER
12583500/0
16
AUSPUFF MIT DEFLEKTOR
18716132/0
17
SCHRAUBE
12735599/0
18
SCHUTZE
82598009/1
19
SCHRAUBE
12792611/0
20
GROWER
12583500/0
21
DEFLEKTOR
18310005/0
22
SCHRAUBE
12735106/0
23
KABELBEFESTIGUNG
18375053/0
Gebrauchsanweisungen
Solo
Pflanzenschutzgeräte
Motorsägen
Motorsensen
Motorhacken
Balkenmäher
Vertikutierer
Rasenmäher
Aufsitzmäher / Rasentraktoren
576 / 576 Hydro
575 / 575 Hydro
2004
2003
2002
2001
2000
ELEKTRISCHES SCHEMA 18 HP B&S (TCP102)
ELEKTRISCHES SCHEMA 15,5 HP B&S (TCP102)
KLEBZETTEL
ELEKTRISCHES SCHEMA 12 - 12,5 - 13 HP B&S / 13 - 15 HP TECUMSEH
ZUBEHOERE NACH ANFRAGE
AUFFANGSACK
ELEKTRISCHETEILE
SCHNEIDWERKZEUG (1)
SCHNEIDWERKZEUG (2)
SCHNEIDWERKZEUG AUFHEBESATZ
GETRIEBE
MOTOR 15 HP TECUMSEH (TC102 / TCR102)
MOTOR 13 HP TECUMSEH (TC102 / TCR102)
MOTOR 15,5 HP B&S (TCP102)
MOTOR 18 HP B&S (TCP102)
MOTOR 12 - 12,5 - 13 HP B&S
LENKGETRIEBE
BREMSE UND WECHSEL ANTRIEB
KARROSSERIE UND GEHÄUSE
KONSOLE UND SITZ
1999
570 PM
572 / 572 Hydro
570 / 570 Hydro
562 Hydro
560 / 560 Hydro
557
556
555 / 555 Hydro
Benzin-Antriebs-Mäher
Benzin-Schiebe-Mäher
Elektro Rasenmäher
Blasgeräte
Multimot
Impressum
(C) by motoruf