Zurück zu
Solo
>
Rasenmäher
>
Aufsitzmäher / Rasentraktoren
>
575 / 575 Hydro
>
2004
>
MOTOR 18 - 20 - 22 HP B&S (122, 102-122 hydr.)
Ersatzteillisten für Solo Rasenmäher MOTOR 18 - 20 - 22 HP B&S (122, 102-122 hydr.)
Pos.
Bezeichnung
Ersatzteilnummer
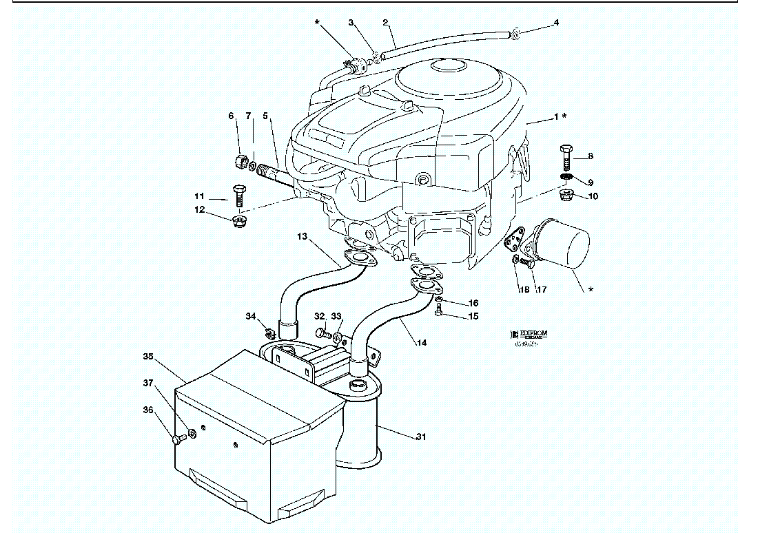
1
MOTOR
—
2
VERBINDUNGSROHR
25869016/0
3
KABELBEFESTIGUNG
18375051/1
4
KABELBEFESTIGUNG
18375053/0
5
ÖL ABFLUSS
25598050/0
6
OELVERSCHLUSS
18737849/0
7
DICHTUNG
18401001/1
8
SCHRAUBE
12691115/0
9
SCHEIBE
12540260/0
10
MUTTER
12154210/0
11
SCHRAUBE
12691100/0
12
MUTTER
12154210/0
13
RECHTES VERBINDUNGSROHR FÜR ABGASUNG
18738214/0
14
LINKES VERBINDUNGSROHR FÜR ABGASUNG
18738215/0
15
SCHRAUBE
12735530/0
16
GROWER
12583500/0
17
SCHRAUBE
12791400/0
18
GROWER
12582100/0
31
AUSPUFF
82750003/0
32
SCHRAUBE
12793102/0
33
SCHEIBE
12540260/0
34
MUTTER
12360425/0
35
SCHUTZE
82598005/2
36
SCHRAUBE
12792611/0
37
GROWER
12583500/0
Gebrauchsanweisungen
Solo
Pflanzenschutzgeräte
Motorsägen
Motorsensen
Motorhacken
Balkenmäher
Vertikutierer
Rasenmäher
Aufsitzmäher / Rasentraktoren
576 / 576 Hydro
575 / 575 Hydro
2004
ZUBEHOERE NACH ANFRAGE
KLEBZETTEL
ELETRISCHETEILE
AUFFANGSACK
SCHNEIDWERKZEUG (2)
SCHNEIDWERKZEUG (2) (102 / 102 hydr.)
SCHNEIDWERKZEUG (1)
GETRIEBE 102-122 hydro
SCHNEIDWERKZEUG AUFHEBESATZ
MOTOR HONDA GCV 610
GETRIEBE 102-122
MOTOR 15 HP TECUMSEH (102/102 hydr.))
MOTOR HONDA GCV 530
MOTOR 13 - 13,5 HP TECUMSEH
MOTOR 15 - 15,5 - 17 - 17,5 HP B&S
MOTOR 18 - 20 - 22 HP B&S (122, 102-122 hydr.)
MOTOR 12 - 12,5 - 13,5 HP B&S (102/102 hydr.)
GETRIEBE UND BREMSE ANTRIEB (102-122 hydro)
BREMSE UND WECHSEL ANTRIEB (102-122)
LENKGETRIEBE
KARROSSERIE (TCX)
KARROSSERIE (TCB)
KARROSSERIE (TCR)
KARROSSERIE (TCP)
KARROSSERIE (TC)
RAHMENSATZ
2003
2002
2001
2000
1999
570 PM
572 / 572 Hydro
570 / 570 Hydro
562 Hydro
560 / 560 Hydro
557
556
555 / 555 Hydro
Benzin-Antriebs-Mäher
Benzin-Schiebe-Mäher
Elektro Rasenmäher
Blasgeräte
Multimot
Impressum
(C) by motoruf