Zurück zu
Solo
>
Rasenmäher
>
Aufsitzmäher / Rasentraktoren
>
572 / 572 Hydro
>
2004
>
MOTOR HONDA GCV 530
Ersatzteillisten für Solo Rasenmäher MOTOR HONDA GCV 530
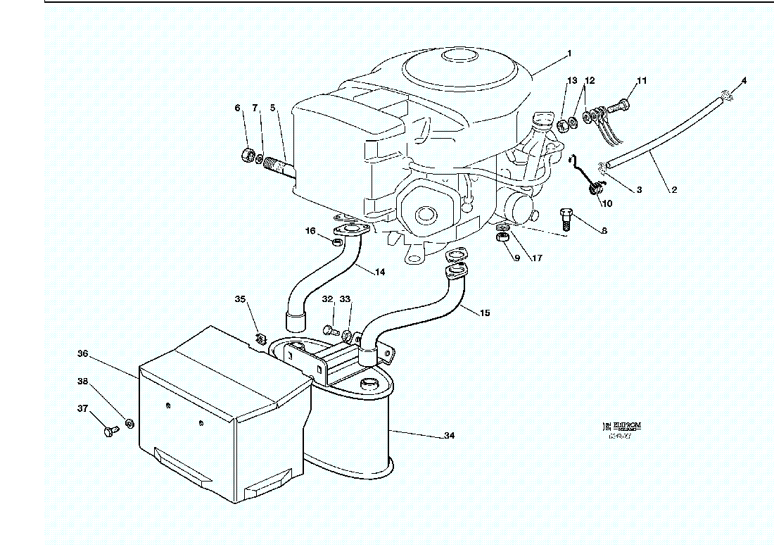
Pos.
Bezeichnung
Ersatzteilnummer
1
MOTOR
—
2
VERBINDUNGSROHR
25869027/0
3
KABELBEFESTIGUNG
18375051/1
4
KABELBEFESTIGUNG
18375053/0
5
SCHRAUBE
12735599/0
6
SCHEIBE
12540260/0
7
SCHRAUBE
12691115/0
8
MUTTER
12154210/0
9
ÖL ABFLUSS
25598051/0
10
OELVERSCHLUSS
18737849/0
11
DICHTUNG
18401001/1
12
ABGASUNGROHR, RECHTE
18738221/0
13
ABGASUNGROHR, LINKE
18738222/0
14
FEDER
27430562/0
31
AUSPUFF
82750003/0
32
SCHRAUBE
12793102/0
33
SCHEIBE
12540260/0
34
MUTTER
12360425/0
35
SCHUTZE
82598005/2
36
SCHRAUBE
12792611/0
37
GROWER
12583500/0
Gebrauchsanweisungen
Solo
Pflanzenschutzgeräte
Motorsägen
Motorsensen
Motorhacken
Balkenmäher
Vertikutierer
Rasenmäher
Aufsitzmäher / Rasentraktoren
576 / 576 Hydro
575 / 575 Hydro
572 / 572 Hydro
2004
KLEBZETTEL
ZUBEHOERE NACH ANFRAGE
ELETRISCHETEILE
SCHNEIDWERKZEUG (2)
AUFFANGSACK
SCHNEIDWERKZEUG (2) (102 / 102 hydr.)
SCHNEIDWERKZEUG (1)
SCHNEIDWERKZEUG AUFHEBESATZ
GETRIEBE 102-122 hydro
MOTOR HONDA GCV 610
GETRIEBE 102-122
MOTOR HONDA GCV 530
MOTOR 15 HP TECUMSEH (102/102 hydr.))
MOTOR 13 - 13,5 HP TECUMSEH
MOTOR 18 - 20 - 22 HP B&S (122, 102-122 hydr.)
MOTOR 15 - 15,5 - 17 - 17,5 HP B&S
MOTOR 12 - 12,5 - 13,5 HP B&S (102/102 hydr.)
GETRIEBE UND BREMSE ANTRIEB (102-122 hydro)
BREMSE UND WECHSEL ANTRIEB (102-122)
LENKGETRIEBE
KARROSSERIE (TCX)
KARROSSERIE (TCB)
KARROSSERIE (TCR)
KARROSSERIE (TCP)
KARROSSERIE (TC)
RAHMENSATZ
2003
2002
2001
2000
1999
570 PM
570 / 570 Hydro
562 Hydro
560 / 560 Hydro
557
556
555 / 555 Hydro
Benzin-Antriebs-Mäher
Benzin-Schiebe-Mäher
Elektro Rasenmäher
Blasgeräte
Multimot
Impressum
(C) by motoruf