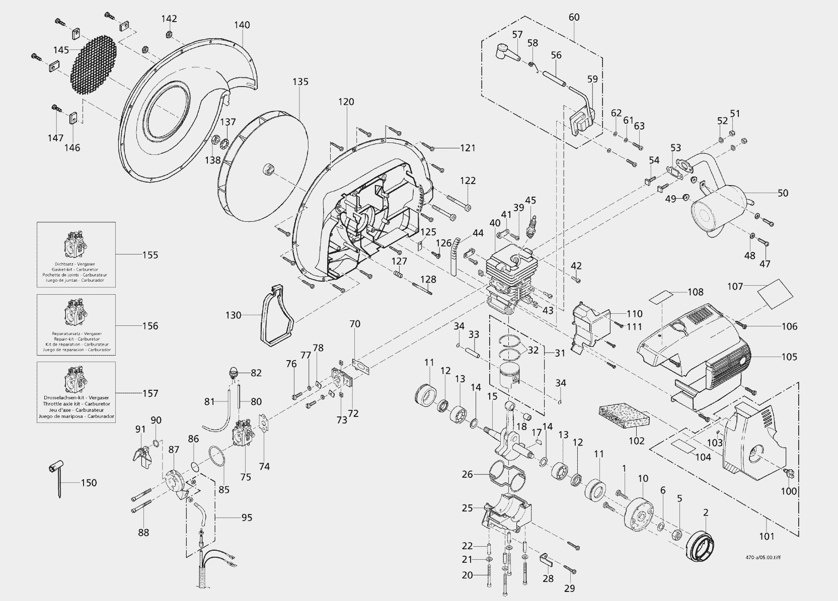
| Pos. | Bezeichnung | Ersatzteilnummer | |
| 1 | Linsenschraube 5x20 mm | 0018363 |
| 2 | Anwurfrolle | 2074774 |
| 5 | Sechskantmutter M10x1 DIN 936 | 0020104 |
| 6 | Schnorrsicherung 10 | 0034135 |
| 10 | Polrad | 2300774 |
| 11 | Lagerhülse 34,9x45,17x17,2 | 2074294 |
| 12 | Wellendichtring 15x28x5 | 0054220 |
| 13 | KUG.LAG.15X35X11 6202 C4 | 0050102 |
| 14 | SCHEIBE15,3X22X0,5 | 0031375 |
| 15 | Kurbelwelle | 2200249 |
| 17 | SCHEIBENFEDER3X3,7 6888C45K | 0075101 |
| 18 | NADELKAEFIG9X13X12,5KBK0-2 | 0052226 |
| 20 | Zylinderschraube M5x40 | 0018340 |
| 21 | Scheibe 5,2x12x0,5 mm | 0072140 |
| 22 | Distanzrohr 8/7,6x1,2x27,5 | 0033358 |
| 25 | Kurbelgehäuse, kompl. | 2100637 |
| 26 | Zylinderdichtung Kurbelgehäuse | 2063334 |
| 28 | Halteblech | 4043999 |
| 29 | Linsenschraube 6x35 | 0018372 |
| 31 | Kolben Ø 42,00 mm | 2200248 |
| 32 | KOLBENRING42X1,5 | 2048229 |
| 33 | Kolbenbolzen 9/6x28 | 203111725 |
| 34 | SI.RING9X0,8A SPRG.BS9/4 | 0055207 |
| 39 | Linsenschraube 6x16 | 0018369 |
| 40 | Nikasilzylinder Ø 42,00 mm | 2011802 |
| 41 | Lasche 19,9x2,5 | 2500732 |
| 42 | Zylinderschraube. M6x25 mm | 0018348 |
| 43 | Vierkantmutter M5 | 0021256 |
| 44 | Profilstück | 4063160 |
| 45 | Zündkerze WSR6F 200 | 2300730 |
| 47 | Linsenschraube 5x20 mm | 0018363 |
| 48 | Sicherungsscheibe | 0072144 |
| 49 | Isolierelement | 2074562 |
| 50 | AUSPUFF BL. CBA | 2500731 |
| 50 | Auspuff | 2500749 |
| 51 | Sechskantmutter M6 | 0028100 |
| 52 | Scheibe 6mm | 0072143 |
| 53 | Auspuffdichtung | 2061510 |
| 54 | Vierkantschraube M6x20 | 0018421 |
| 56 | SCHLAUCH6X1XMT.SILIKON | 0064292 |
| 57 | KERZENSTECKER | 0084600 |
| 58 | KONTAKTFEDER | 0073385 |
| 59 | Zündmodul | 2300783 |
| 60 | Zündmodul, kompl., enth.( | 2300773 |
| 61 | Scheibe 4,3 mm | 0030135 |
| 62 | Sicherungsscheibe | 0072148 |
| 63 | Zylinderschraube M4x20 | 0018327 |
| 70 | Vergaserstutzendichtung | 2061512 |
| 72 | VERGASERSTUTZEN 8D | 2074916 |
| 72 | Vergaserstutzen Ø i. 10 mm | 2074540 |
| 73 | 4KT.MU.M5 | 0021235 |
| 74 | Vergaserdichtung 0,7 mm | 2061515 |
| 75 | Vergaser WT-552 | 2300805 |
| 76 | Zylinderschraube M5x25 | 0018338 |
| 77 | Sicherungsscheibe | 0072144 |
| 78 | Lasche | 4042817 |
| 80 | SCHLAUCH2X1,5XMT.NBR70SH | 0064407 |
| 81 | SCHLAUCH3X1,5X320 BENZINRUECKL | 0064436 |
| 82 | PRIMER 188-512 | 2700322 |
| 85 | O-Ring 42x2,5 DIN 872 | 0062321 |
| 86 | O-Ring 21x1,0 | 0062325 |
| 87 | Ansaugflansch | 2074917 |
| 88 | ZYL.SHR.M5X50 912-8.8ZN GELB | 0010107 |
| 90 | O.RING12X2,5FPM/VITON 80SH. | 0062263 |
| 91 | Chokeklappe | 2074914 |
| 95 | Bowdenzug Gas, kompl. | 2800566 |
| 100 | MU.M5X12,5 FILTER. | 6800286 |
| 101 | Deckel Ansauggeräuschdämpf.enth:(Pos 101-104) | 4100109 |
| 103 | SI.RING8X0,8 7993RW | 0055279 |
| 104 | SKS “Choke” | 0069721 |
| 102 | Filterplatte | 4048380 |
| 105 | Motorabdeckung | 4073679 |
| 106 | Linsenschraube 5x20 mm | 0018363 |
| 107 | SKS “SOLO 470 01” | 0069186 |
| 107 | SKS “SOLO 470 02” | 0069187 |
| 108 | SKS “H-L-T” | 0069716 |
| 110 | Luftführung | 2073503 |
| 111 | Linsenschraube 5x20 mm | 0018363 |
| 120 | GEBLAESEGEHAEUSE1 RT. | 4073676 |
| 121 | Linsenschraube 5x20 mm | 0018363 |
| 122 | ZYL.SHR.M5X60KXRI.T25 10.9 | 0018342 |
| 125 | Klemmplatte | 2042667 |
| 126 | Linsenschraube 5x10 | 0018362 |
| 127 | Gewindeeinsatz | 0065100 |
| 128 | Stiftschraube | 0015155 |
| 130 | Luftfilterdichtung | 4061908 |
| 135 | LAUFRAD | 4400241 |
| 137 | Schnorrsicherung 10 | 0034135 |
| 138 | Sechskantmutter M10x1 DIN 936 | 0020104 |
| 140 | GEBLAESEGEHAEUSE2 RT. | 4073677 |
| 142 | Sechskantmutter M5 DIN 934 | 0020101 |
| 145 | Schutzgitter | 4036415 |
| 146 | Halteblech | 4042800 |
| 147 | Linsenschraube 5x10 | 0018362 |
| 150 | Kombischlüssel SW 19/T25 | 0080509 |
| 155 | Dichtsatz-Vergaser WT-552 | 0510949 |
| 156 | Reparatursatz-Vergaser WT-552 | 0510982 |
| 157 | Drosselachsen-kit-Verg. WT-552 | 0510983 |