Zurück zu
Solo
>
Motorsensen
>
Elektromotor-Sensen
>
Elektrosense 115
>
ET 12/1993 Druck 9 115 700
>
Motor / Gehäuse
Ersatzteillisten für Solo Motorsensen Motor / Gehäuse
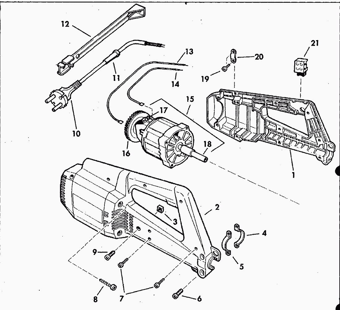
Pos.
Bezeichnung
Ersatzteilnummer
1
HAUPTGEHAEUSE L.
2073635
2
HAUPTGEHAEUSE R.
2073636
3
Vierkantmutter M5
0020160
4
SCHELLE24 GRIFF.
6800246
5
SCHELLE24 GRIFF.
6043439
6
Zylinderschraube M5x20 mm
0018337
7
Linsenschraube 5x20 mm
0018363
8
LI.SHR.6X25 PT SPEZIAL
0018396
9
Zylinderschraube M5x12,5
0018323
10
KABEL500VS.M.STECKER BRD.
0084635
10
KABEL VS.USA JAHR SJ.2x16 AWG E66417 UL
0084659
10
KABEL500VS.M.STECKER CH
0084660
11
TUELLE8X10,5/16X6/85 KABEL.KNI
0066449
12
ZUGENTLASTUNGSBAND KABEL
6074471
13
KABEL380A BN.
0084649
14
KABEL380B HELLBLAU
0084650
15
MOTOR EL.1000W 230V115 VS. F.ET
2000436
15
MOTOR EL.1000W 110V + LUEFTERRAD USA
2000442
16
LUEFTERRAD EL.115 CIARAMELLA
2074994
17
KOHLEBUERSTE EL.115 CIARAMELLA
0084661
18
MUFFE5,2/10X70 KU.
2074991
19
Linsenschraube 4x12 mm
0018354
20
SCHELLE12X8 KABEL.
0084591
21
SCHALTER DRK.
0084636
Gebrauchsanweisungen
Solo
Pflanzenschutzgeräte
Motorsägen
Motorsensen
Professionelle Motorsensen
Semiprofessionelle Motorsensen
Leichte-Benzimotor-Sensen
Elektromotor-Sensen
Elektrosense 115
ET 12/2001 Druck 9 115 702
ET 07/1998 Druck 9 115 701
ET 12/1993 Druck 9 115 700
Werkzeuge
Motor / Gehäuse
Antriebswelle / Griff
Elektrotrimmer 112
Motorhacken
Balkenmäher
Vertikutierer
Rasenmäher
Blasgeräte
Multimot
Impressum
(C) by motoruf