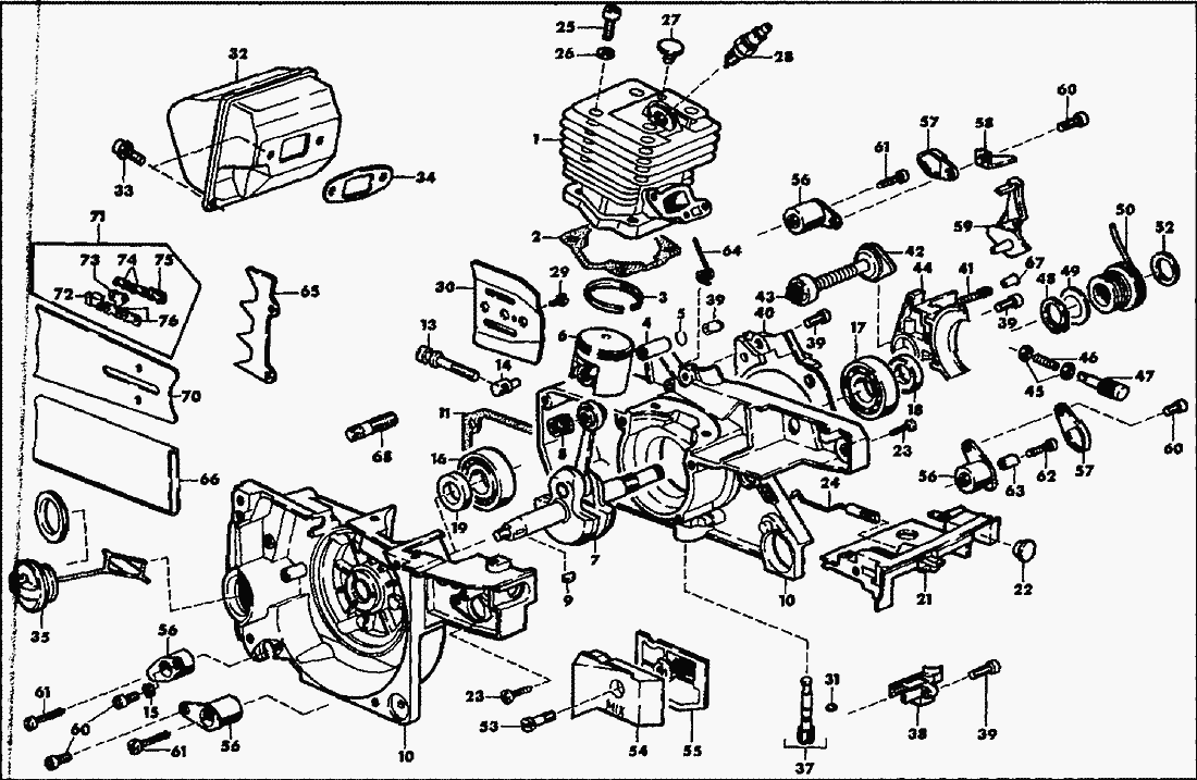
| Pos. | Bezeichnung | Ersatzteilnummer | |
| 1 | ZYL.42,00 NI.+KO. | 2200947 |
| 1 | ZYL.42,00 NI.+KO. | 2200976 |
| 2 | DIC.ZYL.FUSS 0,5 DICK | 2061440 |
| 3 | KOLBENRING42X1,5 | 2048265 |
| 4 | KOLBENBOLZEN10/6X28 | 2031249 |
| 5 | Sicherungsring | 0055267 |
| 6 | KOLBEN 42,00 | 2200888 |
| 6 | KOLBEN 42,00 | 2200977 |
| 7 | KURBELWELLE | 2200968 |
| 8 | NADELKAEFIG10X14X13,00 KBK 0-2 | 0052255 |
| 9 | Scheibenfeder 2x3,7 mm | 0075100 |
| 10 | KURBELGEHAEUSE AS/ZS. 644SP | 2100490 |
| 11 | DIC.KURBELGEHAEUSE 0,4DICK | 2061437 |
| 13 | ZYL.SHR.M5X48 SPN. | 0018230 |
| 14 | BOLZEN M5X4,5/8X15,1 KETTENSPN | 6032640 |
| 15 | Scheibe 3,9 mm | 0030115 |
| 16 | KUG.LAG.12X32X10 6201 C4 | 0050187 |
| 17 | KUG.LAG.15X35X13 C4 OHNE D-SCH | 0050188 |
| 18 | WD.RING15X29,6X4/A10/B1FSL ( CFW ) | 0054251 |
| 19 | WD.RING12X19X5 | 0054252 |
| 21 | KONSOLE RT. | 2074421 |
| 22 | Verschlußstopfen M14x1,5 | 6074401 |
| 23 | LI.SHR.4X12KT.WN1442 | 0018267 |
| 24 | GASGESTAENGE1 SCHWARZ RAL9005 | 2800285 |
| 25 | ZYL.SHR.M5X20 912-8.8ZN GELB | 0010541 |
| 26 | Sicherungsscheibe | 0034100 |
| 27 | GI.5,5/8,8X4,3/10DIST.FPM.SH65 | 0094252 |
| 28 | ZUENDKERZE NGK-BPMR-7-A | 2300389 |
| 29 | ZYL.BL.SHR.3,5X6,5 7971C.ZN | 0010478 |
| 30 | KETTENSCHUTZBLECH L. | 6043329 |
| 31 | O.RING4X1,2NBR/PERB 70SH.CA. | 0062256 |
| 32 | AUSPUFF | 2500604 |
| 33 | ZYL.SHR.M5X16INRI-12.9 | 0018279 |
| 34 | DIC.AUSPUFF1,0 DICK | 2061441 |
| 35 | TANKVERSCHL.29,5/39SR.GWD.SWZ. | 2700287 |
| 37 | STIFT3/5,8X14/36,6HUB. | 6400183 |
| 38 | ANSCHLAGSTUECK | 2200934 |
| 39 | VENTIL RUECKSCHLAG. | 2700334 |
| 39 | ZYL.SHR.M4X12KXRI.T25 8.8 | 0018280 |
| 40 | ABDECKUNG BREMSBAND. | 6074400 |
| 41 | SCHLAUCH3X56,5NBR OEL DRK. | 6063299 |
| 42 | SCHLAUCH3,5X110NBR.OEL | 6063233 |
| 43 | SIEB OEL. | 6700124 |
| 44 | PUMPENGEHAEUSE | 6400208 |
| 45 | SCHEIBE8X5,1X0,5 AN. | 0031529 |
| 46 | FEDER 0,5X5,7X27 DRK. | 0070265 |
| 47 | KOLBEN 9,00 PUMPEN. | 6031330 |
| 48 | Sicherungsring 15x1 DIN 471 | 0055136 |
| 49 | SCHEIBE15X22X1,5 988SS | 0031209 |
| 50 | MITNEHMERSCHNECKE M.FEDER | 3400212 |
| 52 | SCHEIBE12,2X23X1,25X1,85TE2093 | 0072162 |
| 53 | ZYL.SHR.M5X17 HAUBEN. | 0011258 |
| 54 | DECKEL VORFILTER. | 2500594 |
| 55 | VORFILTER | 2500582 |
| 56 | GI.METALL20,3/10X22,5 | 6300155 |
| 57 | SCHUTZDECKEL SWZ. | 6074422 |
| 58 | KETTENFANGBLECH | 6043352 |
| 59 | ABDECKUNG | 6074447 |
| 60 | ZYL.SHR.M4X12KXRI.T25 8.8 | 0018280 |
| 61 | Linsenschraube 5x16 mm | 0018274 |
| 62 | Linsenschraube 5x25 mm | 0018257 |
| 63 | ROHR9X1,85X9DIST. | 0033318 |
| 64 | Drehfeder 1,3x7,1 mm | 0073381 |
| 65 | ANSCHLAGKRALLE | 6043323 |
| 66 | KETTENSCHUTZ 43CMX9,3 | 6071217 |
| 67 | ROHRNIET7,5X1X9,5 CU. | 0044277 |
| 68 | STIFTSHR.M8X16,5 SCHWERT | 0018260 |
| 70 | Führungsschiene | 6900500 |
| 70 | Führungsschiene | 6900464 |
| 70 | Führungsschiene | 6900342 |
| 70 | Führungsschiene | 6900343 |
| 71 | KETTE325"1,5 57E LG.13"33CM | 6900339 |
| 71 | KETTE325"1,5 65E LG.15"38CM | 6900344 |
| 71 | KETTE325"1,5 57E BP.13"33CM | 6900666 |
| 71 | KETTE325"1,5 65E BP.15"38CM | 6900665 |
| 72 | L.SCHNEIDER325"LG. | 0540214 |
| 73 | TREIBGL.325"1,5 | 0540218 |
| 74 | VERB.GL.325"M.NIET | 0540212 |
| 75 | R.SCHNEIDER325"LG. | 0540215 |
| 76 | VERB.GL.325"O.NIET | 0540217 |
| NIET 325"1,3/1,5 | 0540216 |