Zurück zu
motoruf
Warenkorb

Ersatzteillisten für Solo Pflanzenschutzgeräte Motor




Ersatzteilliste


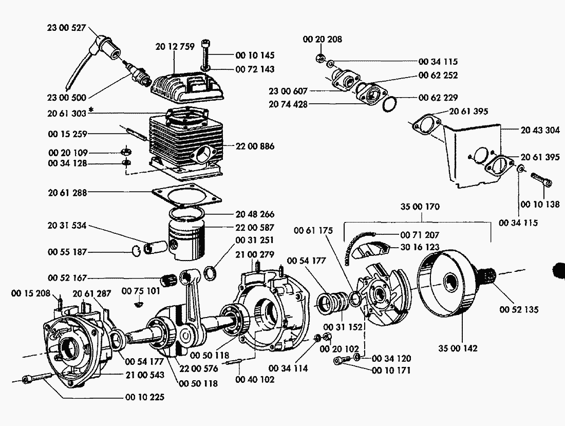
Pos.BezeichnungErsatzteilnummer
0034114Federring 60034114
0054177WD.RING22X32X7B37600054177
0034128FEDERSCHEIBE8 137B FDST.0034128
2043304LUFTFUEHRUNGSBLECH2043304
2048266KOLBENRING70X1,5 709102048266
2200587KOLBEN 70,002200587
2300500ZUENDKERZE W 5AC 02412456022300500
2200886ZYL.70,00 NI.+KO.2200886
0052167NADELKAEFIG16X20X20 KBK 0-20052167
2300607VERGASERSTUTZEN2300607
0050118KUG.LAG.25X52X15 6205 C40050118
0034115SI.SCHEIBE8 SCR.0034115
0055187SI.RING16X1A SPRG.0055187
0062229O.RING35X2FPM/VITON0062229
0015259STIFTSHR.M8X35 8350015259
00201026-kt. Mutter M60020102
0040102STIFT5M6X16 7ZYL.0040102
2100543KURBELGEHAEUSE ZS.2100543
0031251SCHEIBE16X23X0,6 AN.0031251
0015208STIFTSHR.M8X22 835-8.80015208
0052135NADELKAEFIG18X22X17K0052135
00202086KT.MU.M8 THE.SW.120020208
0031152SCHEIBE18X28X1,5 AN.NR.10031152
0062252O.RING27X2,5 NBR 700062252
3500170KUPPLUNG 18 FLIEHKRAFT.SERVO3500170
3500142KU.GLOCKE22/88,5D M.KRSHB.3500142
0071207FEDER 1,2X3,8X215 ZUG.0071207
2200576KURBELWELLE 3TLG.2200576
0034120SI.SCHEIBE6S ZN GELB SCR.0034120
0010145ZYL.SHR.M6X35 912-8.8ZN GELB0010145
00201096KT.MU.M8 934-8ZN.GELB0020109
0010138ZYL.SHR.M8X25 912-8.8ZN GELB0010138
2100279KURBELGEHAEUSE AS.2100279
0010225ZYL.SHR.M6X65 912-8.8ZN GELB0010225
3016123FLIEHGEWICHT3016123
2061287DIC.KURBELGEHAEUSE 0,5DICK2061287
2300527Kerzenstecker2300527
2061303DIC.ZYL.KOPF 0,8 DICK.2061303
2061288DIC.ZYL.0,5 DICK2061288
0072143Scheibe 6mm0072143
0075101SCHEIBENFEDER3X3,7 6888C45K0075101
2061395DIC.AUSPUFF1,5DICK2061395
2012759ZYL.KOPF2012759
2074428VERGASERFLANSCH2074428
2031534KOLBENBOLZEN16/11X502031534
0061175FILZRING 18X22X1,50061175
0010171ZYL.SHR.M6X20 6912 ZN0010171
Gebrauchsanweisungen
Solo
Impressum
(C) by motoruf