Zurück zu
Solo
>
Motorsägen
>
Professionelle Motorsägen
>
670
>
ET 12/1991 Druck 9 670 706
>
Motor
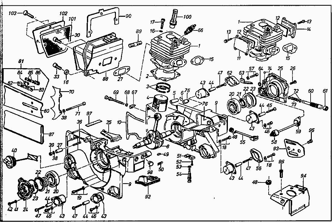
Ersatzteillisten für Solo Motorsägen Motor
Pos.
Bezeichnung
Ersatzteilnummer
NIET.4041,6 128 00000142 1
0540224
Pos.
Bezeichnung
Ersatzteilnummer
1
ZYL.48,00 NI.+KO.
2200837
1
ZYL.52,00 NI.+KO.
2200978
1
ZYL.56,00 NI.+KO.
2200960
1
ZYL.55,00 NI.+KO.
2200957
2
DIC.ZYL.FUSS 0,5 DICK
2061413
2
DIC.ZYL.FUSS 0,5 DICK
2061460
2
DIC.ZYL.FUSS 0,5 DICK
2061420
3
KOLBENRING48X44X1,5
2048326
3
KOLBENRING52X1,5(FS 47,8) 641/680
2048160
3
KOLBENRING56X1,5
2048304
4
KOLBEN 48,00
2200839
4
KOLBEN 52,00
2200841
4
KOLBEN 56,00 D
2200864
4
KOLBEN 55,00
2200959
5
KOLBENBOLZEN12/8X37
2031335
6
SI.RING
0055266
7
NADELKAEFIG12X15X15KBK
0052148
8
KURBELWELLE 3TLG.
2200818
8
KURBELWELLE 3TLG. 603
2200848
8
KURBELWELLE
2200997
9
KURBELGEHAEUSE AS/ZS.VS.
2100531
9
KURBELGEHAEUSE AS/ZS.VS.
2100518
9
KURBELGEHAEUSE AS/ZS.VS.690
2100517
10
DIC.KURBELGEHAEUSE 0,4DICK
2061412
11
UEBERSTROEMKANALD.
2012803
12
O.RING39X2,50ACM 75SH
0062239
13
6KT.SHR.M4X12FLSH.M6SF-TT.WN78
0018209
14
UEBERSTROEMKANALD.
2012804
15
DIC.VERGASERSTUTZEN 0,5 DICK
2061410
15
DIC.VERGASERSTUTZEN 0,5 DICK
2061448
16
Schnorrsicherung 6
0034202
17
ZYL.SHR.M6X25 912 12.9ZN GELB
0010509
18
ZYL.SHR.M5X20 912-8.8
0010533
20
KUG.LAG.17X47X14 6303 C4
0050186
21
WD.RING17X28X5 AP-2S-ROLF 73
0054247
22
SCHEIBE35,6X46,8/39,6X3,5/1
6074255
23
O.RING43X2NBR F70SH.
0062129
24
GENERATORAUFNAHME
6074293
25
PUMPENGEHAEUSE
6400214
OELPUMPE
6400213
26
ZYL.SHR.M5X12 84POLYLOK
0011267
27
DIC.AUSPUFF1,0 DICK
2061421
30
ZYL.SHR.M6X16INRI-10.9ZN GELB
0018281
33
ZYL.SHR.M6X16 912-8.8ZN GELB
0010123
35
LUFTLEITSTUECK 670/680
6074352
36
STIFTSHR.M5X35 835-8.8
0015193
37
ROHR10X2,2X19DIST.NR.3
0033305
38
SI.SCHEIBE5VS SCR.
0034201
39
Sechskantmutter M5 DIN 934
0020101
40
TANKVERSCHL.29,5/39SR.GWD.SWZ.
2700287
-
DIC.25X37X2 NBR 85SH VERSCHL.
0061324
41
Scheibe 5,2x12x0,5 mm
0072140
42
ZYL.SHR.M5X12 84POLYLOK
0011267
43
GI.METALL27/19X20X5,1
6300187
43
GI.METALL27/19X20X5,1
6300198
44
ROHR8X1,2X19DIST.
0033306
45
LI.SHR.5X30KTKX T25
0018275
46
ZYL.SHR.M5X10 912-8.8ZN GELB
0010157
47
Linsenschraube 5x35
0018276
48
TUELLE4,5/9,5/14X2/10
0066197
49
SCHEIBENFEDER3X3,7 6888C45K
0075101
50
SKS.STOP
0069553
51
ANSCHLAGSTUECK
2200871
52
Spax-Schraube 4x13
0018231
53
O-Ring 7x1,5 mm
0062110
54
STIFT3/5,8X14/37,5HUB.
6400177
55
HEBEL CHOKE.
6074253
56
SCHUTZDECKEL 1
6074295
57
ZYL.SHR.M5X25 912-8.8ZN GELB
0010158
58
SIEB OEL.
6700124
59
SCHLAUCH3,5X110NBR.OEL
6063233
60
KOLBEN 7,00 PUMPEN.14Z0,7MOD
6031189
61
GENERATORABDECKUNG
6074432
62
SCHUTZDECKEL 2
6074957
63
KETTENFANGBLECH
6043285
64
RK.RING4X9X3 70SH.
0062237
66
ZUENDKERZE NGK-BPMR-7-A
2300389
67
BOLZEN M6X6/9 KETTENSPN.
6032638
68
Sicherungsscheibe 5 mm
0055171
69
ZYL.SHR.M6X53/70 SPN.
0018261
70
ANSCHLAGKRALLE INNEN
6042767
70
ANSCHLAGKRALLE INNEN
6042718
71
ZYL.SHR.M5X65 912-8.8ZN GELB
0010559
72
SCHEIBE7,1X10X0,3 AN.
0031515
73
FEDER 0,7X7,9X27 DRK.
0070257
74
KUG.4 5401KL.3V2A
0052217
75
VENTIL RUECKSCHLAG.
2700334
76
DECKEL VERSCHL.
2074270
80
SCHWERT16"1,5.3/8"H009.40CM
6900368
80
SCHWERT20"1,5.3/8"D009.50CM
6900370
80
SCHWERT24"1,5.3/8"H009.60CM
6900372
80
SCHWERT24"1,6 .404"D009 60CM
6900479
80
SCHWERT28"1,6 .404"STT.D009 70CM
6900482
80
SCHWERT34"1,6.STT.D009.86CM
6900485
80
SCHWERT36"1,6.404"STT.D009 90CM
6900488
81
KETTE3/8"1,5 60E LG.16"40CM
6900369
81
KETTE3/8"1,5 72E LG.20"50CM
6900371
81
KETTE3/8"1,5 84E LG.24"60CM
6900373
81
KETTE404"1,6 76E 27.24"60CM
6900481
81
KETTE404"1,6 84E P.27"70CM
6900484
81
KETTE404"1,6 100E 27.34"86CM
6900487
81
KETTE404"1,6 108E 27.36"90CM
6900490
82
L.SCHNEIDER3/8"LG.
0540226
82
L.SCHNEIDER.404"P.
0540219
83
VERB.GL.3/8"O.NIET
0540184
83
VERB.GL.404"O.NIET
0540221
84
TREIBGL.3/8"1,5
0540228
84
TREIBGL.404"1,6
0540223
85
VERB.GL.3/8"M.NIET
0540185
85
VERB.GL.404"M.NIET
0540222
86
R.SCHNEIDER3/8"LG.
0540227
86
R.SCHNEIDER.404"P.
0540220
-
NIET 3/8"325"1,3/1,5
0540188
87
KETTENSCHUTZ 44CMX14 SOLO
6071248
87
KETTENSCHUTZ 58CMX14 SOLO
6071247
88
AUSPUFF
2500631
89
STIFTSHR.M8X26,3 SCHWERT
0018256
90
SI.BLECH5,5X0,5
6042803
92
DIC.STUECK
2063294
93
KETTENSCHUTZBLECH
6042724
KETTENSCHUTZBLECH L.
6043341
94
LUFTFUEHRUNGSBLECH 2
6300209
95
ZYL.BL.SHR.3,5X6,5 7971C.ZN
0010478
96
6KT.SHR.M4X10FLSH.M6SF-TT
0018212
6KT.SHR.M4X20FLSH.M6SF-TT ZN
0018201
97
FILZ5X29X1,5 SK.
0061337
98
KAPPE5,5/10X9 ABDECK.
2074413
100
VENTIL DEKO.D1,5
2800295
101
FUNKENSCHUTZ
2048321
102
UMLENKBLECH
2043353
103
ZYL.SHR.M8X20 84A-5.8ZN
0010223
104
DIST.ST.5/10X7,5
2031308
Gebrauchsanweisungen
Solo
Pflanzenschutzgeräte
Motorsägen
Professionelle Motorsägen
603
694
690
680
670
ET 12/1991 Druck 9 670 706
Elektronik/Vergaser
Kupplung/Starter
Kettenbremse
Bügel/Handgriff
Motor
ET 11/1989 Druck 9 670 705
667
662
651
644
Semiprofessionelle Motorsägen
Hobby-Motorsägen
Elektrosägen
Motorsensen
Motorhacken
Balkenmäher
Vertikutierer
Rasenmäher
Blasgeräte
Multimot
Impressum
(C) by motoruf