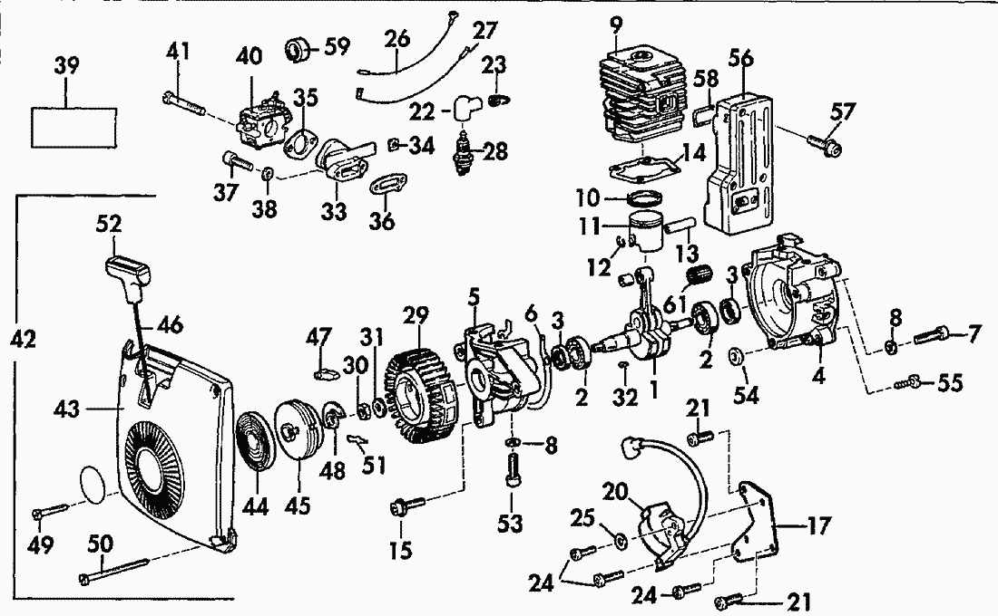
| Pos. | Bezeichnung | Ersatzteilnummer | |
| 1 | KURBELWELLE | 2200988 |
| 2 | Kugellager 12x28x8 | 0050174 |
| 3 | WD.RING12X25X5 TTO SB 2 | 0054237 |
| 4 | KURBELGEHAEUSE AS. | 2011724 |
| 5 | KURBELGEHAEUSE ZS. | 2011725 |
| 6 | DIC.KURBELGEHAEUSE 0,5DICK. | 2061463 |
| 7 | ZYL.SHR.M5X30 912-8.8ZN GELB | 0010134 |
| 8 | SI.SCHEIBE5VS SCR. | 0034201 |
| 9 | ZYL.35,00 NI. 127/422 | 2011723 |
| 10 | Kolbenring 35x1,5 mm | 2048346 |
| 11 | KOLBEN 35,00 | 2200999 |
| 12 | SI.RING9X0,8A SPRG.BS9/4 | 0055207 |
| 13 | KOLBENBOLZEN9/6X26 | 2031902 |
| 14 | DIC.ZYL.FUSS 0,8 DICK | 2061462 |
| 15 | ZYL.SHR.M5X16INRI-12.9 | 0018279 |
| 17 | BEFEST.BLECH | 6300228 |
| 20 | ZUENDMODUL PHELON | 2300695 |
| 21 | Zylinderschraube M5x16 | 0018336 |
| 22 | KERZENSTECKER | 0084600 |
| 23 | KONTAKTFEDER | 0073385 |
| 24 | Zylinderschraube M4x16 mm | 0018326 |
| 25 | Sicherungsscheibe | 0072148 |
| 26 | KABEL530 MASSE.GN. | 0084644 |
| 27 | KABEL530 KURZSCHLUSS.RT. | 0084643 |
| 28 | ZUENDKERZE NGK-BPMR-7-A | 2300389 |
| 29 | LUEFTERRAD11,75 1:4KEG.PHELON | 2400282 |
| 30 | Sechskantmutter M8x1 mm | 0020206 |
| 31 | SCHEIBE9,2X18X0,7 2093B TE. | 0072141 |
| 32 | SCHEIBENFEDER3X3,7 6888C45K | 0075101 |
| 33 | ANSAUGSTUTZEN | 2074424 |
| 34 | 4KT.MU.M5 | 0021235 |
| 35 | DIC.VERGASER.1,0 DICK | 2061454 |
| 36 | DIC.VERGASERSTUTZEN 1,0 DICK | 2061453 |
| 37 | ZYL.SHR.M5X20 912-8.8ZN GELB | 0010541 |
| 38 | Sicherungsscheibe | 0072144 |
| 39 | REP.SET VERG.MV-5 010-080 | 0510867 |
| 40 | VERGASER WT-218 | 2300674 |
| 41 | ZYL.SHR.M5X45 POLYLOK | 0011250 |
| 42 | STARTER RL. | 2600258 |
| 43 | STARTERGEHAEUSE 121 | 2100462 |
| 44 | FEDERKASSETTE RL. | 2600216 |