Zurück zu
Solo
>
Motorhacken
>
503 (25111 / 25093) A / B / C / D
>
503 700 (Druck 09/1999)
>
Motorhacke 503 kpl.
Ersatzteillisten für Solo Motorhacken Motorhacke 503 kpl.
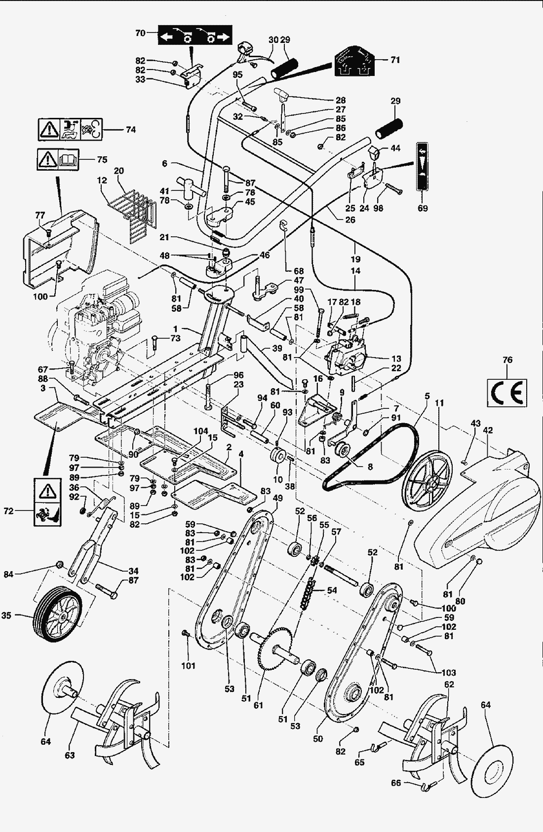
Pos.
Bezeichnung
Ersatzteilnummer
6KT.SHR. 5/16X1 94 94 00000356 1
11111
Pos.
Bezeichnung
Ersatzteilnummer
1
Chassis/Gestell
11411101
2
SCHUTZBLECH +503
11411117
3
SCHUTZBLECH R.+503
12601008
4
SCHUTZBLECH L.+503
12601009
5
Riemen/Vorwärts/Rückwärtsgang
13488a
6
HOLMBUEGEL +503
11411103
7
KUPPLUNGSHEBEL +503
57720140
8
KUPPL.SCHEIBE 502
12162
9
FEDER +503
65133
10
KEILRIEMENSCHEIBE MS.+503
15415
11
KEILRIEMENSCHEIBE 503/502
14135
12
AUSPUFFGITTER +503
64487
13
GETRIEBE +503
62996
14
Bowdenzug V+R
13192a
15
Unterlegscheibe M6x14xl Z
11614
16
GETRIEBEHALTER +503
11302102
17
SCHALTHEBEL +503
36011
18
FEDER +503
13034
19
BOWDENZUG KUPPL.503
13199
20
AUSPUFFGITTER +503
14744
21
ZWISCHENSTUECK +503
16021
22
BOLZEN F.UMLENKROLLE +503
15098
23
KEILRIEMENFUEHRUNG +503
12601315
24
GASHEBEL +503
64947
25
HEBELABDECKHAUBE +503
62754
26
BOWDENZUG GAS +503A
13130
27
GESCHWINDIGKEITSGRIFF 503A
25111008
28
ENDSTUECK +503
68364
29
GUMMIGRIFF +503
12126
30
HEBEL +503
62820
32
BOLZEN F.HEBEL +503A
15079
33
GANGHEBELBLECH +503A
57720105
34
VORDERRADHALTER +503
12601005
35
VORDERRAD +503
14090
36
FEDER
65026
38
KEIL +503
12979
39
SPORNARM +503
12611011
40
HALTEWINKEL +503
12711012
41
Einstellhebel
12711040
42
Riemenhaube
14227
43
CLIP
65030
44
ENDSTUECK
68363
45
obere Rohrzange/Klemmschale oben
14015
46
untere Rohrzange/Klemmschale unten
14006
47
REICHWEITENEINSTELLUNG 503
12701006
48
FEDER DRK. + 503
13005
49
KETTENKASTEN R.+503
11301130
50
KETTENKASTEN L.+503
11301131
51
KUG.LAG.25X62X17 6305 2RS
12542
52
KUG.LAG.+503
12503
53
WD.RING +503
46097
54
ROLLENKETTE+503
13292
55
RITZEL +503
13372
56
BU13,5X20X24X18LAG.+503
16032
57
ROHR DIST. +503
16031
58
ROHR DIST. +503
16013
59
STOPFEN +503
12793
60
DIST.STUECK +503
16005
61
ARBEITSWELLE MIT KETTENRAD 503
15038
62
HACKSATZ 20CM L.+503
55200
63
HACKSATZ 20CM R.+503
55201
64
ABWEISSCHEIBE +503
55102
65
STIFT 10X30 KLAPP.+503
55080
66
KLAPPSTIFT 8 +503
55081
67
6KT.SHR.M8X40 931 Z 503
10776
68
KABELBAND 504
64349
69
SKS.SYMBOL LANGSAM SCHNELL+503
64668
70
SKS.SYMBOL V-R GANG +503
62830
71
Aufkleber "Kupplung"
62831
72
SKS.ACHTUNG FRAESMESSER +503
14733
73
6KT.SHR.M8X45 931 +503
10777
74
SKS.SYMBOL SICHERHEIT +503
14724
75
SKS.SYMBOL BDA LESEN +503
14734
76
SKS.CE +503
14662
77
LI.BL.SHR.4,8X16 +503
11132
78
SCHEIBE12X27X2,5 Z +503
11635
79
SCHEIBE9X20X3 Z +503
11619
80
HUTMUTTER M8 Z +503
11513
81
SCHEIBE8X18X15 Z +503
11616
82
Sicherheitsmutter M 6 Z
11482
83
6KT.MU.M8 27040 SI.503
11484
84
6KT.MU.M12 27040 SI.+503
11486
85
SCHEIBE ELASTISCH +503
11700
86
6KT.MU.M6 27040 SI.Z +503
11493
87
6KT.SHR.M12X80 931 Z +503
10863
88
6KT.SHR.M10X55 931 +503
10834
89
6KT.MU.M8 Z +503
11427
90
6KT.MU.M10 27040 SI.
11485
91
SCHRAUBENSICHERUNG F.M10 +503
11826
92
SI.SCHEIBE 10 +503
11818
93
STIFT 8X16 GEW.+503
11085
95
6KT.SHR.M6X35 931 +503
11059
96
6KT.SHR.M14X90 931
10899
97
SCHEIBE GROWER +503
11585
98
6KT.SHR.M6X45 931 +503
11176
99
6KT.SHR.M8X110 Z +503
10794
100
6KT.SHR.M8X16 Z +503
10766
101
6KT.SHR.M6X12 933 +503
10760
102
ROHR DIST. +503
16009
103
6KT.SHR.M8X55 Z +503
10800
104
6KT.SHR.M6X12 933 +503
10760
Gebrauchsanweisungen
Solo
Pflanzenschutzgeräte
Motorsägen
Motorsensen
Motorhacken
503 / 508
506
504 (25108)
503 (25111 / 25093) A / B / C / D
503 700 (Druck 09/1999)
Motorhacke 503 kpl.
Motorhacke 503 kpl.
502
501-2T
501-4T
Balkenmäher
Vertikutierer
Rasenmäher
Blasgeräte
Multimot
Impressum
(C) by motoruf