Zurück zu
Solo
>
Motorhacken
>
504 (25108)
>
504 (25108)
>
Motorhacke 504
Ersatzteillisten für Solo Motorhacken Motorhacke 504
Ersatzteilliste 1
Ersatzteilliste 2
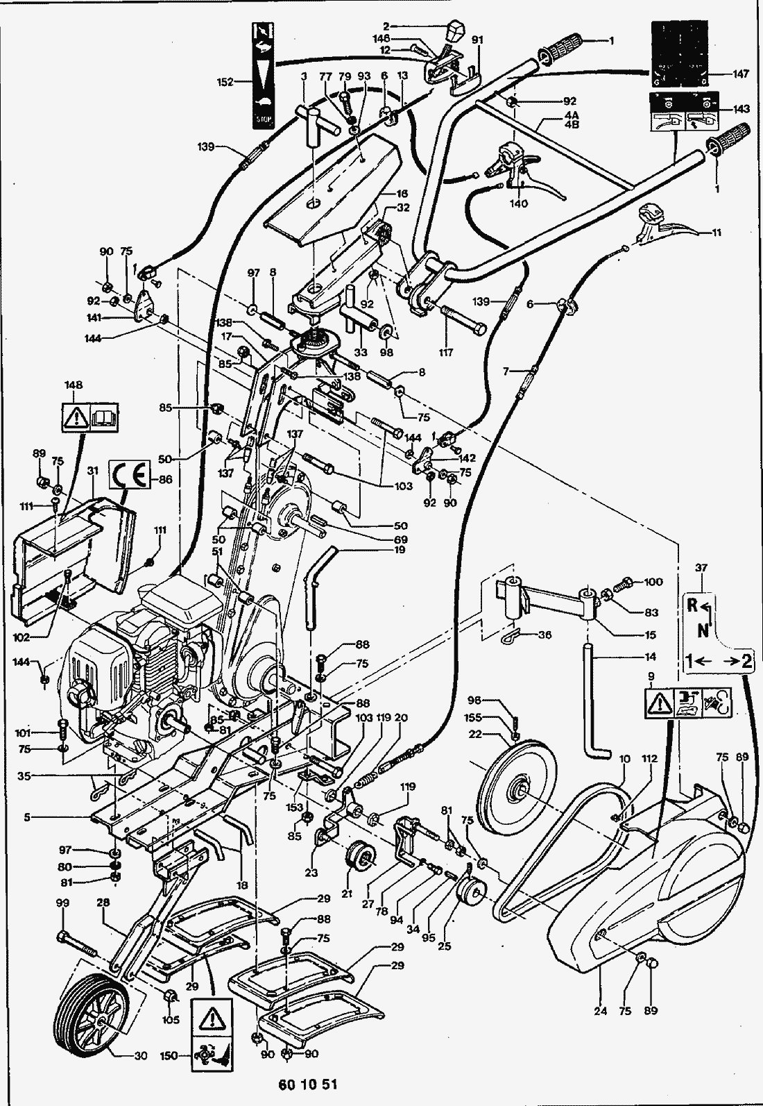
Pos.
Bezeichnung
Ersatzteilnummer
1
P12126
2
P68363
3
P58401034
4A
P14001021
4B
P58401021
5
P14001010
6
P64349
7
P13169
8
P16013
9
P14724
10
P13493
11
P62820
12
P11176
13
P13130
14
P06402032
15
P19700001
16
P14001027
17
P14001022
18
P19700013
19
P06402020
20
P13027
21
P12162
22
P15219
23
P58400120
24
P14025
24
P14030
24
P14008010
24
P14027
24
P14031
25
P15170
27
P58400310
28
P58400021
29
P57001022
30
P14090
31
P14064
31
P14034
31
P14115
31
P14028
31
P14119
32
P14001012
33
P06402034
34
P12979
35
P11702
36
P11703
37
P14639
50
P16016
51
P16017
69
P12973
75
P11616
77
P11565
78
P11567
79
P10762
80
P11585
81
P11427
83
P11431
85
P11485
86
P14662
88
P10766
89
P11513
90
P11484
91
P62754
92
P11482
93
P11613
94
P11112
95
P11089
96
P11088
97
P11619
98
P11661
99
P10863
100
P10851
101
P10776
102
P10767
103
P10827
105
P11486
111
P11132
112
P65030
117
P10952
119
P11823
137
P34920
138
P10771
139
P13168
140
P12113a
141
P14002050
142
P14002051
143
P14730
144
P11452
146
P64947
147
P62824
148
P14734
150
P14733
152
P64668
153
P57301060
Pos.
Bezeichnung
Ersatzteilnummer
26
P13004
38
P12935
39
P15075
40
P15076
41
P14952
42
P13040
43
P11470
44
P10003048
45
P10003044
46
P12130
47
P58401011
48
P17001
49
P15011
52
P15345
53
P15336
54
P15340
55A
P15371
56A
P15095
57
P15106
58
P15103
59
P15112
60
P 12316
61
P12315
62
P12354
63
P12251
64
P12253
65
P12680
66
P12660
67
P12534
68A
P12525
70
P13015
71
P12840
72
P11813
73
P11814
74
P
76
P11621
82
P11429
84
P11450
87A
P55084
104A
P55035
106
P06303022
107
P12636
108
P12793
109A
P12403002
110A
P12403012
113
P81906
114
P81907
115A
P55085
116
P13305
118
PR30x62x2
120
P13018
121
P12637
122
P15051
123
P12850
124
P12841
125
P15368
126
P17703019
127
P17703020
128
P11687
129
P15135
130
P14966
131
P11721
132
P11425
133
P12403020
134
P15122
135
P15123
136
P12779
145
P55033
145
P55034
149
P10801
151
P11569
154
P11635
Gebrauchsanweisungen
Solo
Pflanzenschutzgeräte
Motorsägen
Motorsensen
Motorhacken
503 / 508
506
504 (25108)
504 (25108)
Motorhacke 504
Motorhacke 504
504 702 (Druck 02/2000)
503 (25111 / 25093) A / B / C / D
502
501-2T
501-4T
Balkenmäher
Vertikutierer
Rasenmäher
Blasgeräte
Multimot
Impressum
(C) by motoruf