Zurück zu
Solo
>
Rasenmäher
>
Benzin-Schiebe-Mäher
>
Primo 545
>
5451 Serie 05
>
Rasenmäher
Ersatzteillisten für Solo Rasenmäher Rasenmäher
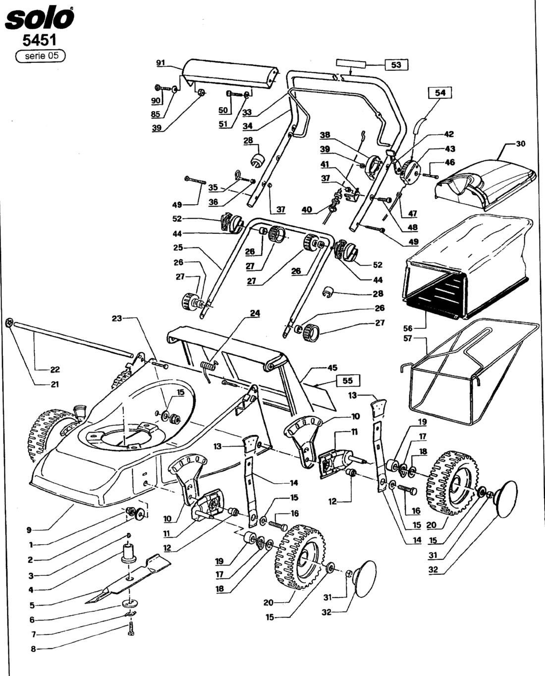
Pos.
Bezeichnung
Ersatzteilnummer
1
144450
2
144480
3
101370
4
201380
5
200550
6
302080
7
301280
8
101790
9
3025570
10
362220
11
3006880
12
2006910
13
4006900
14
3006890
15
144460
16
172960
17
145250
18
245240
19
2018100
20
274060
21
145900
22
343550
23
1022230
24
296580
25
342970
26
340060
27
2008490
28
446330
30
4024020
31
142030
32
2022310
33
2006260
34
2024050
35
295640
36
142000
37
106440
38
446320
39
140300
40
2007620
41
3002560
42
301110
43
446310
44
269660
45
4024030
46
140310
47
240500
48
161060
49
101890
50
1010170
51
147740
52
269650
53
690720
54
647880
55
673450
56
2024010
57
2022520
85
152120
90
142420
91
4014720
Gebrauchsanweisungen
Solo
Pflanzenschutzgeräte
Motorsägen
Motorsensen
Motorhacken
Balkenmäher
Vertikutierer
Rasenmäher
Aufsitzmäher / Rasentraktoren
Benzin-Antriebs-Mäher
Benzin-Schiebe-Mäher
585
Primo 582
Primo 554 / 554 Z
552 Z
551
Primo 550 / 550 H / 550 O
Primo 546 / 546 Z
Primo 545
545 Serie 05
5451 Serie 05
Ersatzteilliste kpl.
Rasenmäher
Elektro Rasenmäher
Blasgeräte
Multimot
Impressum
(C) by motoruf