Zurück zu
Solo
>
Rasenmäher
>
Benzin-Antriebs-Mäher
>
548 R
>
548 R Serie 01
>
Rasenmäher
Ersatzteillisten für Solo Rasenmäher Rasenmäher
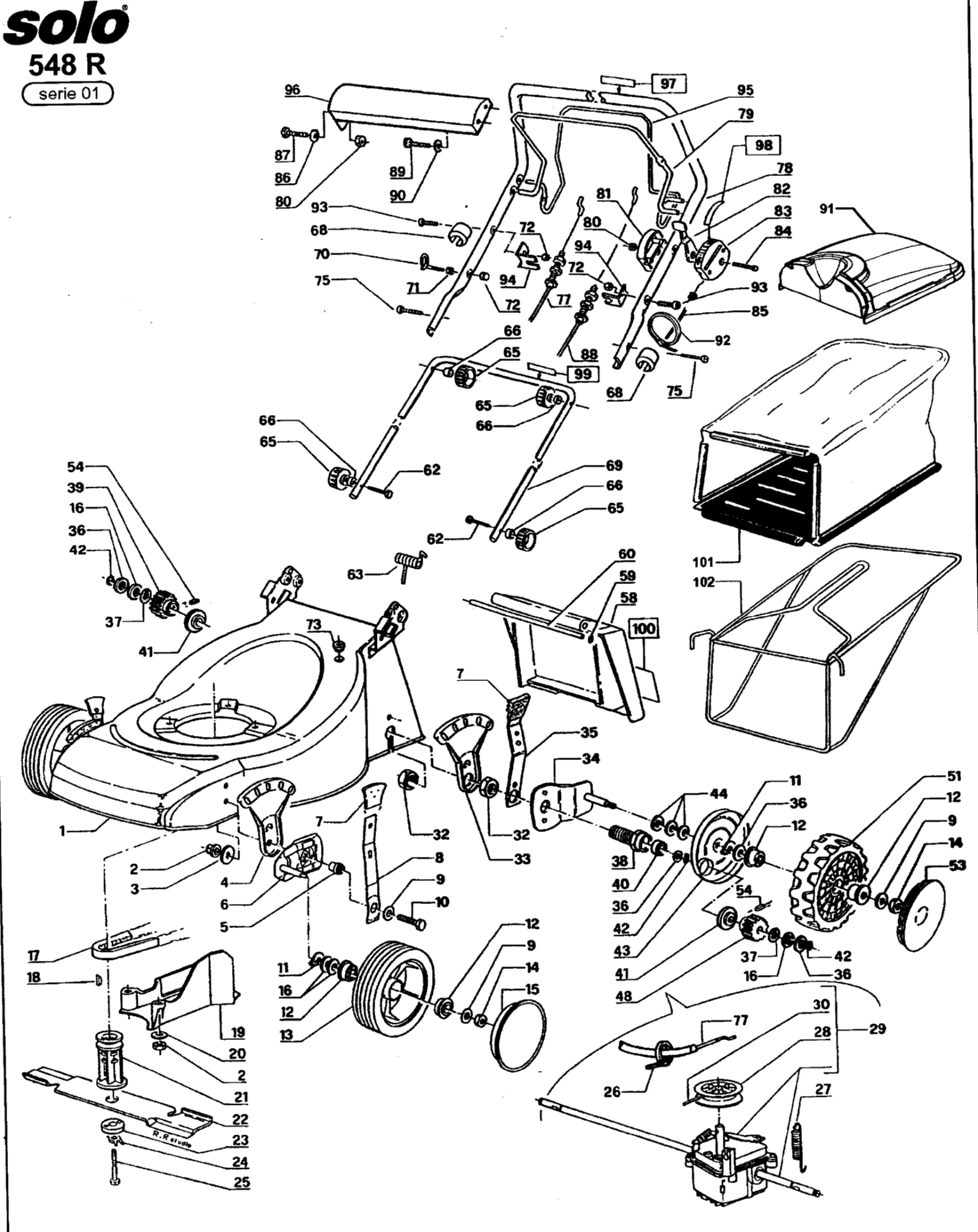
Pos.
Bezeichnung
Ersatzteilnummer
1
3002450
2
144450
3
159270
4
362220
5
2006910
6
3006880
7
4006900
8
3006890
9
144460
10
172960
11
145250
12
203680
13
3006790
14
142030
15
4022440
16
245240
17
2007330
18
101370
19
4006760
20
147910
21
2006780
22
2007310
23
302080
24
301280
25
101790
26
276710
27
2013860
28
2014970
29
2007320
30
280890
32
142140
33
361720
34
3007450
35
362251
36
250780
37
403540
38
2009800
39
2006850
40
203560
41
4006860
42
144590
43
380570
44
150770
48
2007100
51
4006810
53
4024040
54
203500
58
4024030
59
145900
60
343550
62
1022230
63
296580
65
2008490
66
340060
68
446330
69
342970
70
295640
71
142000
72
106440
73
447850
75
101740
77
2007430
78
2007080
79
2007120
80
140300
81
446320
82
301110
83
446310
84
140310
85
245800
86
152120
87
142420
88
2009980
89
1010170
90
147740
91
4024020
92
276710
93
161060
94
3002560
95
2007110
96
4024930
97
690740
98
647880
99
690720
100
673450
101
2024010
102
2022520
Gebrauchsanweisungen
Solo
Pflanzenschutzgeräte
Motorsägen
Motorsensen
Motorhacken
Balkenmäher
Vertikutierer
Rasenmäher
Aufsitzmäher / Rasentraktoren
Benzin-Antriebs-Mäher
535
553 / S / SL / SLI
553 / 553 P
Profi 552 R / ZR
Profi 551 R / ZR
550 R / RS / HR / RO / HRM
548 R
548 R Serie 01
Rasenmäher
Primo 546 R / S / RS / RO / SM / ZR / HR / HRM
Primo 545 R
Benzin-Schiebe-Mäher
Elektro Rasenmäher
Blasgeräte
Multimot
Impressum
(C) by motoruf