Zurück zu
Solo
>
Rasenmäher
>
Aufsitzmäher / Rasentraktoren
>
555 / 555 Hydro
>
555 PM
>
SCHNEIDWERKZEUG (2)
Ersatzteillisten für Solo Rasenmäher SCHNEIDWERKZEUG (2)
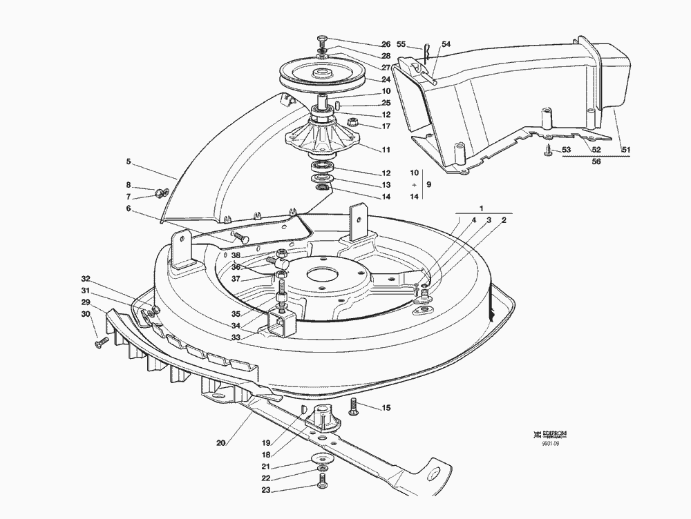
Pos.
Bezeichnung
Ersatzteilnummer
1
SCHNEID
84564092/0
2
WASSERANSCHLUSS
25033060/0
3
O RING
19035000/0
4
NIET
12500030/0
5
BLECHSATZEINGANG
27045000/0
6
SCHRAUBE
12815210/0
7
SCHEIBE
12523040/0
8
MUTTER
12154510/0
9
NABE, KOMPLETT (10÷14)
84207250/0
10
WELLE
27023000/0
11
FLANSCH
27208402/0
12
KUEGELLAGER
19216032/0
13
STAUBSCHUTSCHEIBE
25160501/0
14
SEEGER
12609260/0
15
SCHRAUBE
12818700/0
17
MUTTER
12154210/0
18
MESSERHALTER
25463200/0
19
KEIL
12139100/0
20
MESSER
84109500/0
21
FEDERSCHEIBE
22160400/0
22
SCHEIBE
12523080/0
23
SCHRAUBE
12735694/0
24
RIEMENSCHEIBE
27604000/0
25
KEIL
12139480/0
26
SCHRAUBE
12793102/0
27
SCHEIBE
25670007/0
28
GROWER
12583500/0
29
ANSAUGGITTER
27488000/0
30
SCHRAUBE
12815200/0
31
SCHEIBE
12523040/0
32
MUTTER
12154510/0
33
SCHRAUBE
12794970/0
34
SCHEIBE
12523080/0
35
MUTTER
12154250/0
36
BOLZEN
25510007/1
37
MUTTER
12295200/0
38
MUTTER
12156602/0
SCHNEIDWERKZEUG, KOMPLETT (008, 31÷62 + 009, 1÷38)
84564090/0
51
BLECHSATZ
27107501/0
52
ABWEISER
27140051/1
53
SCHRAUBE
12735402/0
54
BOLZEN
27510097/1
55
SPLIT
24487997/0
56
BLECHSATZ, KOMPLETT (51, 52, 53)
84108015/0
Gebrauchsanweisungen
Solo
Pflanzenschutzgeräte
Motorsägen
Motorsensen
Motorhacken
Balkenmäher
Vertikutierer
Rasenmäher
Aufsitzmäher / Rasentraktoren
576 / 576 Hydro
575 / 575 Hydro
572 / 572 Hydro
570 / 570 Hydro
562 Hydro
560 / 560 Hydro
557
556
555 / 555 Hydro
2004
2003
2002
2001
2000
1999
555 PM
ELEKTRONISCHE KARTE MIT BUZZER
KLEBZETTEL
VORRICHTUNG FÜR AUSWURFSCHUTZ
ELEKTRISCHETEILE
ELEKTRISCHETEILE
AUFFANGSACK
SCHNEIDWERKZEUG (2)
SCHNEIDWERKZEUG (1)
SCHNEIDWERKZEUG AUFHEBESATZ
GETRIEBE
GETRIEBE
MOTOR
MOTOR
MOTOR
GETRIEBE UND BREMSE ANTRIEB
BREMSE UND WECHSEL ANTRIEB
LENKGETRIEBE
KARROSSERIE
RAHMENSATZ
Benzin-Antriebs-Mäher
Benzin-Schiebe-Mäher
Elektro Rasenmäher
Blasgeräte
Multimot
Impressum
(C) by motoruf