Zurück zu
Solo
>
Rasenmäher
>
Aufsitzmäher / Rasentraktoren
>
562 Hydro
>
2004
>
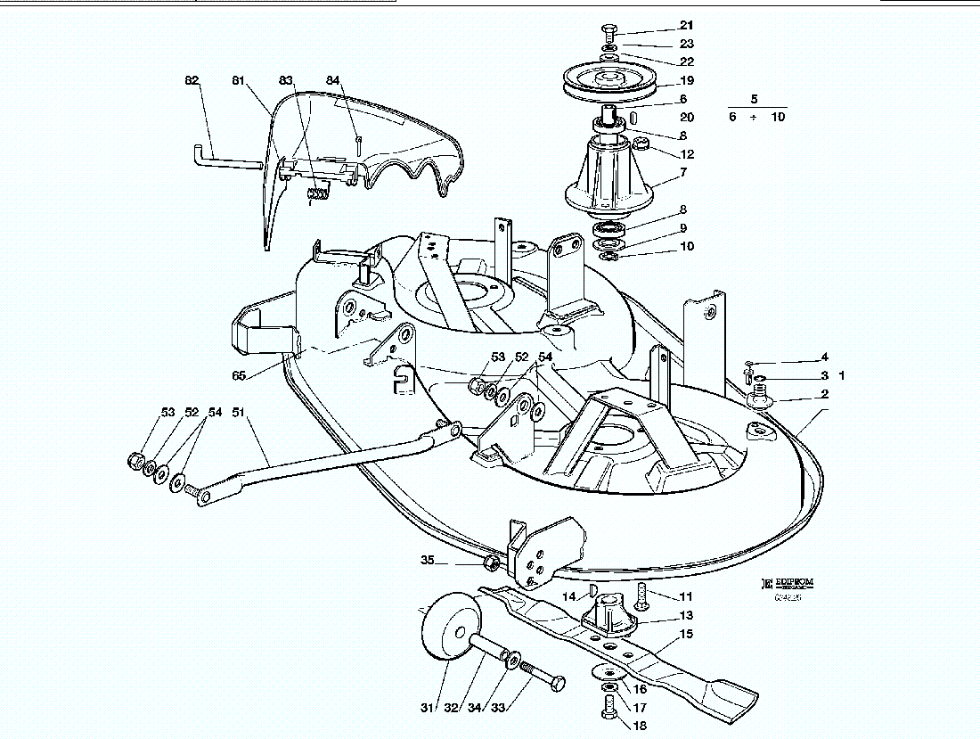
SCHNEIDWERKZEUG (2)
Ersatzteillisten für Solo Rasenmäher SCHNEIDWERKZEUG (2)
Pos.
Bezeichnung
Ersatzteilnummer
1
SCHNEID
82564041/0
2
WASSERANSCHLUSS
25033060/0
3
O RING
19035000/0
4
NIET
12500030/0
5
LINKE NABE, KOMPLETT (6÷10)
82207202/0
6
WELLE
25020802/0
7
MESSERWELLE
25207200/0
8
KUEGELLAGER
19216032/0
9
STAUBSCHUTSCHEIBE
25160501/0
10
SEEGER
12609260/0
11
SCHRAUBE
12818700/0
12
MUTTER
12154210/0
13
MESSERHALTER
25463200/0
14
KEIL
12139100/0
15
MESSER
82004346/0
16
FEDERSCHEIBE
22160400/0
17
SCHEIBE
12523080/0
18
SCHRAUBE
12735694/0
19
RIEMENSCHEIBE
25601571/0
20
KEIL
12139480/0
21
SCHRAUBE
12793102/0
22
SCHEIBE
25670007/0
23
GROWER
12583500/0
31
SKALPIERSCHUTZRÃDCHEN
82700002/0
32
ENTFERNUNGSSTÜCK
25510072/0
33
SCHRAUBE
12692050/0
34
SCHEIBE
12523060/0
35
MUTTER
12293201/0
35
SCHNEIDWERKZEUG, KOMPLETT (008a.0, 1÷35 + 009a.0, 1÷35)
82564040/0
51
KIPPHEBEL
82000474/1
52
SCHEIBE
12521360/0
53
MUTTER
12156602/0
54
SCHEIBE
25670008/1
81
AUSWURFSCHUTZ
25600056/0
82
BOLZEN
25510073/0
83
FEDER
25430242/0
84
SPLIT
12141418/0
Gebrauchsanweisungen
Solo
Pflanzenschutzgeräte
Motorsägen
Motorsensen
Motorhacken
Balkenmäher
Vertikutierer
Rasenmäher
Aufsitzmäher / Rasentraktoren
576 / 576 Hydro
575 / 575 Hydro
572 / 572 Hydro
570 / 570 Hydro
562 Hydro
2004
KLEBZETTEL
ZUBEHOERE NACH ANFRAGE
SCHNEIDWERKZEUG (2)
ELETRISCHETEILE
SCHNEIDWERKZEUG (1)
SCHNEIDWERKZEUG AUFHEBESATZ
GETRIEBE 98s hydro
GETRIEBE 98s
MOTOR 15 - 15,5 HP B&S
MOTOR 13- 13,5 HP TECUMSEH
MOTOR 12 - 12,5 - 13,5 HP B&S
GETRIEBE UND BREMSE ANTRIEB (98s hydro)
BREMSE UND WECHSEL ANTRIEB (98s)
LENKGETRIEBE
KARROSSERIE (JB)
KARROSSERIE (JTP)
KARROSSERIE (JR)
KARROSSERIE (JP)
KARROSSERIE (JT)
RAHMENSATZ
KARROSSERIE (JX)
KARROSSERIE (J)
2003
2000
1999
560 PM
560 / 560 Hydro
557
556
555 / 555 Hydro
Benzin-Antriebs-Mäher
Benzin-Schiebe-Mäher
Elektro Rasenmäher
Blasgeräte
Multimot
Impressum
(C) by motoruf