Zurück zu
Solo
>
Motorsensen
>
Elektromotor-Sensen
>
Elektrosense 115
>
ET 12/2001 Druck 9 115 702
>
Schaftrohr / Schutz
Ersatzteillisten für Solo Motorsensen Schaftrohr / Schutz
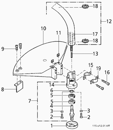
Pos.
Bezeichnung
Ersatzteilnummer
1
WICKELSCHUTZ
3043432
2
Linsenschraube 5x16 mm
0018274
3
Scheibe 5,2x12x0,5 mm
0072140
4
WELLE M10X1,25X75
3031314
5
KUG.LAG.12X28X8 6001 2RSR
0050173
6
Sicherungsring 12x1 DIN 471
0055134
7
GEHAEUSE
2100535
8
Fadenbegrenzungsmesser
6900721
9
Zylinderschraube M5x25
0018338
10
SCHUTZ RT.
6073589
11
Vierkantmutter M5
0021241
12
Schaftrohr, gebogen, enth.:(
6300254
13
WELLE6X1325 ANT.FLEXIBEL
6035342
14
GEHAEUSE SWZ.RAL.9005
6073583
15
SCHELLE24X28 GEHAEUSE
6043423
16
Zylinderschraube M5x30
0018339
17
Fett, MOBIL Temp 78
0083147
18
Zackenring 22 <-)
0055286
19
Schelle 24
6043438
Gebrauchsanweisungen
Solo
Pflanzenschutzgeräte
Motorsägen
Motorsensen
Professionelle Motorsensen
Semiprofessionelle Motorsensen
Leichte-Benzimotor-Sensen
Elektromotor-Sensen
Elektrosense 115
ET 12/2001 Druck 9 115 702
Werkzeug / Serienausrüstung
Schaftrohr / Schutz
Motor / Gehäuse
Griff
ET 07/1998 Druck 9 115 701
ET 12/1993 Druck 9 115 700
Elektrotrimmer 112
Motorhacken
Balkenmäher
Vertikutierer
Rasenmäher
Blasgeräte
Multimot
Impressum
(C) by motoruf