Zurück zu
Solo
>
Pflanzenschutzgeräte
>
Sprühgeräte
>
PORT 423 / PORT 423 FP
>
ET 11/1989 Druck 9 423 743
>
Starter / Zünder
Ersatzteillisten für Solo Pflanzenschutzgeräte Starter / Zünder
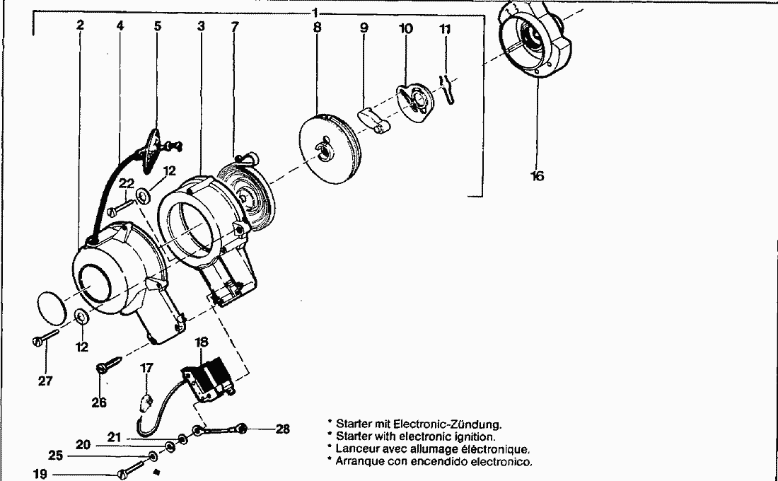
Pos.
Bezeichnung
Ersatzteilnummer
1
STARTER VS.
2600250
1
STARTER VS. 423S
2600264
1
STARTER 423/449
2600262
1
STARTER 423S
2600263
2
STARTERGEHAEUSE VS.423
2100481
2
STARTERGEHAEUSE VS.423S
2100482
3
GEHAEUSE ZUENDER.
2100450
4
STARTERSEIL4,2x1000
0063178
5
STARTERGRIFF
2074206
7
RUECKZUGFEDER VS.
2600265
8
SEILROLLE
2074345
9
STARTERKLINKE
2074369
10
KULISSE R.
2074406
11
FEDER 3X12 DREH.
0073384
12
Federring 6
0034114
16
MAGNETRAD12,8 1:5KEG.M26X1,5
4400219
17
KERZENSTECKER
2300623
18
ZUENDMODUL PRÜFREX CDI 120/2C
2300487
19
ZYL.SHR.M4X35 84A-4.8ZN
0010130
20
Sicherungsscheibe
0034152
21
Sicherungsscheibe
0072148
22
ZYL.SHR.M6X35 84A-4.8ZN GELB
0010211
25
ZAHNSCHEIBE4,3 6797A
0034196
26
Linsenschraube 5x25 mm
0018257
27
ZYL.SHR.M6X25 84A-4.8ZN GELB
0010193
28
KABEL140 MASSE.SWZ.
0084544
Gebrauchsanweisungen
Solo
Pflanzenschutzgeräte
Druckspritzen
Rückenspritzen
Motor Rückenspritzen
Sprühgeräte
Master 412 / Master 412 FP
PORT 423 / PORT 423 FP
ET 11/1989 Druck 9 423 743
Starter / Zünder
Starter / Zünder
Motor
Gebläse / Behältergestell
Sprührohr
Zubehör
ET 10/1992 Druck 9 423 744
ET 04/1997 Druck 9 423 745
ET 07/1996 Druck 9 423 746
ET 03/1999 Druck 9 423 747
ET 07/2001 Druck 9 423 748
PORT 423 S
444
450
Fahrbare Sprühgeräte
Granulat-Streuer
Motorsägen
Motorsensen
Motorhacken
Balkenmäher
Vertikutierer
Rasenmäher
Blasgeräte
Multimot
Impressum
(C) by motoruf