Zurück zu
Solo
>
Blasgeräte
>
470-01 / 470-02
>
ET 05/1999 Druck 9 470 701
>
Starter
Ersatzteillisten für Solo Blasgeräte Starter
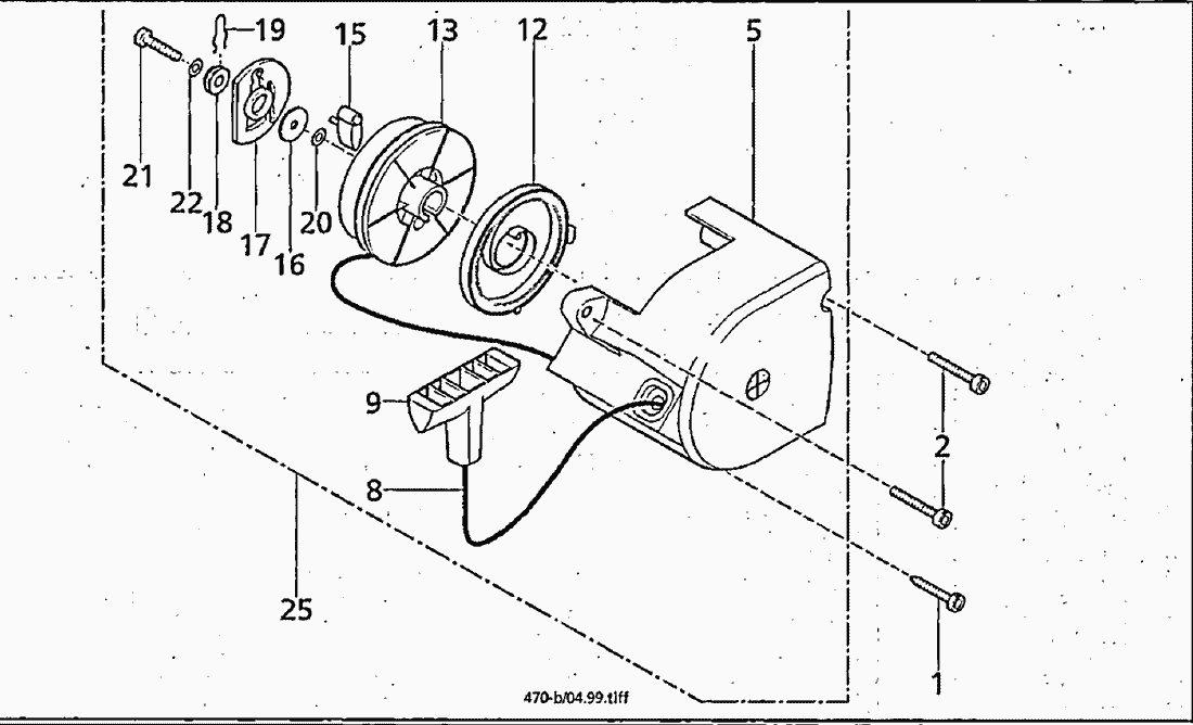
Pos.
Bezeichnung
Ersatzteilnummer
1
Linsenschraube 5x25 mm
0018257
2
Zylinderschraube M5x25
0018338
5
Startergehäuse
2100583
8
STARTERSEIL3X1050
0063195
9
STARTERGRIFF
2074569
12
Federkassette
2600284
13
Seilrolle
2074915
15
Starterklinke
2074343
16
Scheibe 4,3x15x1 mm
0031611
17
Kulisse rot
2074977
18
Distanzstück 4,3x12,5x5 mm
2031965
19
Federstecker
0073365
20
Federscheibe
0034126
21
Zylinderschraube. 3,5x22 mm
0010519
22
Sicherungsscheibe
0034152
25
Starter, kompl.(enth. Pos.5-22)
2600293
Gebrauchsanweisungen
Solo
Pflanzenschutzgeräte
Motorsägen
Motorsensen
Motorhacken
Balkenmäher
Vertikutierer
Rasenmäher
Blasgeräte
414
470
470-01 / 470-02
ET 05/1999 Druck 9 470 701
Motor / Gehäuse
Starter
Tragegestell
Blasrohr
ET 05/2000 Druck 9 470 702
471 Kat
472
445
440
441
Multimot
Impressum
(C) by motoruf