Zurück zu
Solo
>
Motorsägen
>
Professionelle Motorsägen
>
662
>
ET 06/1998 Druck 9 662 711
>
Starter
Ersatzteillisten für Solo Motorsägen Starter
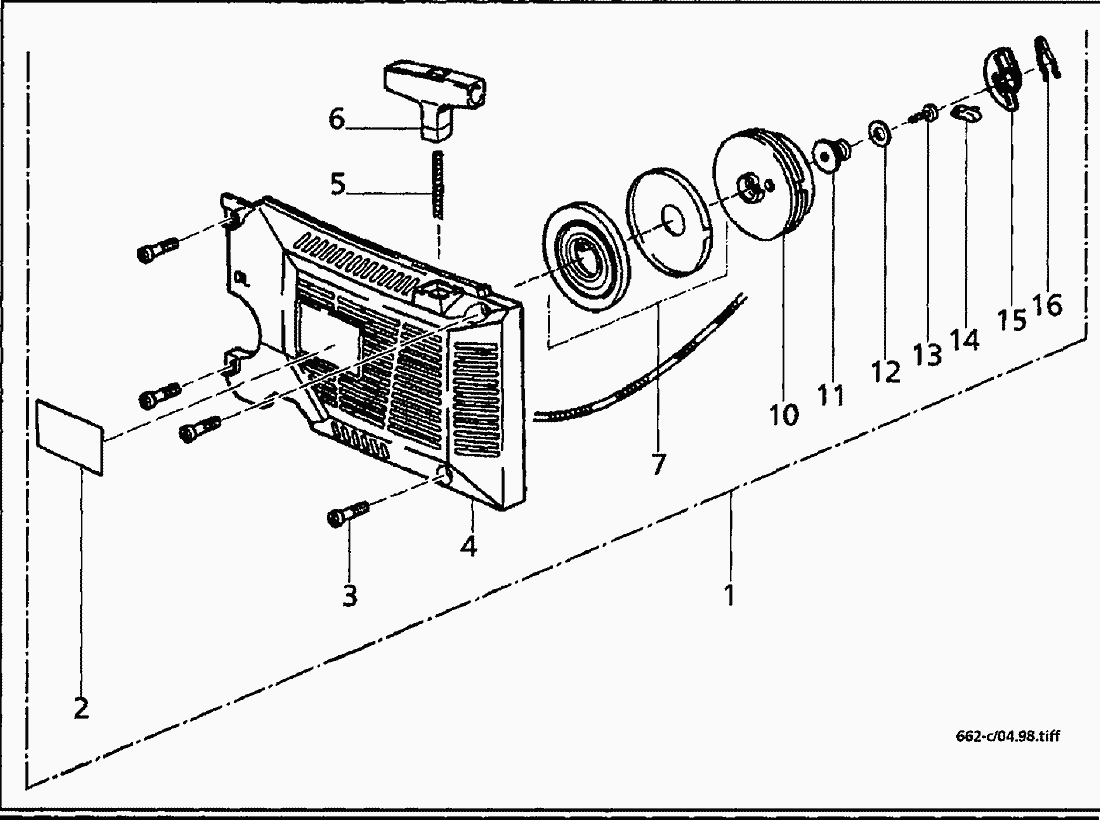
Pos.
Bezeichnung
Ersatzteilnummer
1
STARTER LL.RT.662/667
2600278
2
SKS “SOLO”
0069889
3
ZYL.SHR.M5X16 84A-4.8ZN GELB
0010177
4
STARTERGEHAEUSE RT.662/667
2100558
5
STARTERSEIL4X1050 GEWACHST
0063152
6
STARTERGRIFF
2074365
7
Federkassette
2600283
10
SEILROLLE
2074993
11
DIST.ST.16X4,3X5,7 55HRC.
2031995
11
Distanzstück 4,3x12,5x5 mm
2031965
12
Scheibe 4,3x15x1 mm
0031611
13
LI.SHR.4X16KTKX.T20 WN1451
0018384
14
STARTERKLINKE
2074209
15
KULISSE
2074408
16
Federstecker
0073365
Gebrauchsanweisungen
Solo
Pflanzenschutzgeräte
Motorsägen
Professionelle Motorsägen
603
694
690
680
670
667
662
ET 06/1999 Druck 9 662 712
ET 06/1998 Druck 9 662 711
Starter
Bügel/Handgriff
Motor/Gehäuse
ET 05/1997 Druck 9 662 710
ET 11/1993 Druck 9 662 709
ET 11/1991 Druck 9 662 708
ET 11/1989 Druck 9 662 707
651
644
Semiprofessionelle Motorsägen
Hobby-Motorsägen
Elektrosägen
Motorsensen
Motorhacken
Balkenmäher
Vertikutierer
Rasenmäher
Blasgeräte
Multimot
Impressum
(C) by motoruf