Zurück zu
Solo
>
Blasgeräte
>
445
>
ET 09/2001 Druck 9 445 700
>
Starter
Ersatzteillisten für Solo Blasgeräte Starter
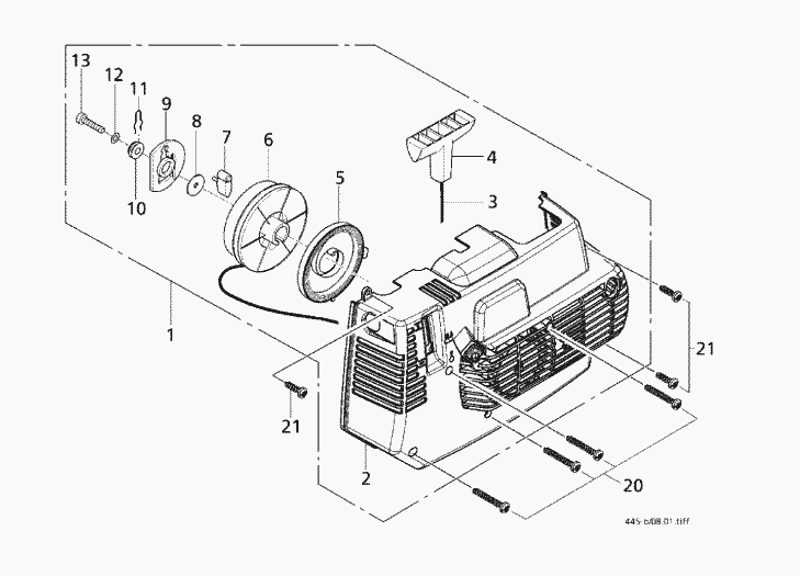
Pos.
Bezeichnung
Ersatzteilnummer
1
Starter, kompl.
2600300
2
Startergehäuse
2100894
3
Starterseil 3x1050
6319525
4
Startergriff <- )
2074570
5
Federkassette
2600284
6
Seilrolle
2074915
7
Starterklinke
2074343
8
Scheibe 4,3x15x1 mm
0031611
9
Kulisse rot
2074977
10
Distanzstück 4,3x12,5x5 mm
2031965
11
Federstecker
0073365
12
Sicherungsscheibe
0034152
13
LI.SHR.4X16KTKX.T20 WN1451
0018384
20
Linsenschraube 5x35
0018276
21
Linsenschraube 5x20 mm
0018363
Gebrauchsanweisungen
Solo
Pflanzenschutzgeräte
Motorsägen
Motorsensen
Motorhacken
Balkenmäher
Vertikutierer
Rasenmäher
Blasgeräte
414
470
470-01 / 470-02
471 Kat
472
445
Gebrauchsanweisung Blasgerät 445 (02/2002)
ET 09/2001 Druck 9 445 700
Motor / Gehäuse
Starter
Tragegestell
Blasrohr
440
441
Multimot
Impressum
(C) by motoruf