Zurück zu
Solo
>
Pflanzenschutzgeräte
>
Sprühgeräte
>
444
>
ET 10/2001 Druck 9 444 700
>
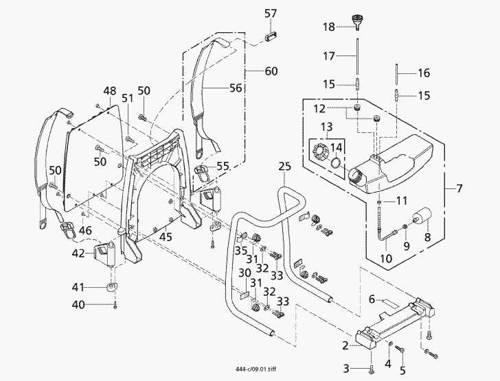
Tragegestell
Ersatzteillisten für Solo Pflanzenschutzgeräte Tragegestell
Pos.
Bezeichnung
Ersatzteilnummer
2
Bodenplatte
4073682
3
Linsenschraube 5x16 mm
0018274
4
Scheibe 5,3 mm
0030102
5
LI.SHR.5X30KTKX T25
0018275
6
Filz
0061361
7
Benzintank, enth.: (
2700333
15
Stutzen
0066452
16
SCHLAUCH3X1,5XMT.PUR786SH.A87
0064300
17
SCHLAUCH3X1,5XMT.PUR786SH.A87
0064300
18
Entlüftungsstutzen
2700405
25
Rohrbügel 22x1,5
4035904
30
Spannplatte
4042577
31
Dämpfungsfeder 3x19x26 mm
0073396
32
Flanschblech
6043107
33
Linsenschraube 5x20 mm
0018363
35
Spannbügel
4046100
40
Linsenschraube 5x20 mm
0018363
41
Kappe
4074126
42
Gurtbefestigung
4074275
45
Rückenplatte
4073680
46
NIET 5,7X18STECK.
0044144
48
Rückenkissen
0098101
50
Linsenschraube 6x 20 mm
0018370
51
Linsenschraube 6x16
0018369
60
Tragegurt
4300332
55
Gurtschließe
407492125
56
Tragegurt
430033525
57
GURTHALTER SWZ.
4074412
Gebrauchsanweisungen
Solo
Pflanzenschutzgeräte
Druckspritzen
Rückenspritzen
Motor Rückenspritzen
Sprühgeräte
Master 412 / Master 412 FP
PORT 423 / PORT 423 FP
PORT 423 S
444
ET 10/2001 Druck 9 444 700
Motor/Gebläse
Starter
Tragegestell
Behälter
Blasrohr
Zubehör
Zubehör
Zubehör
450
Fahrbare Sprühgeräte
Granulat-Streuer
Motorsägen
Motorsensen
Motorhacken
Balkenmäher
Vertikutierer
Rasenmäher
Blasgeräte
Multimot
Impressum
(C) by motoruf