Zurück zu
Solo
>
Blasgeräte
>
470
>
ET 05/1999 Druck 9 470 701
>
Tragegestell
Ersatzteillisten für Solo Blasgeräte Tragegestell
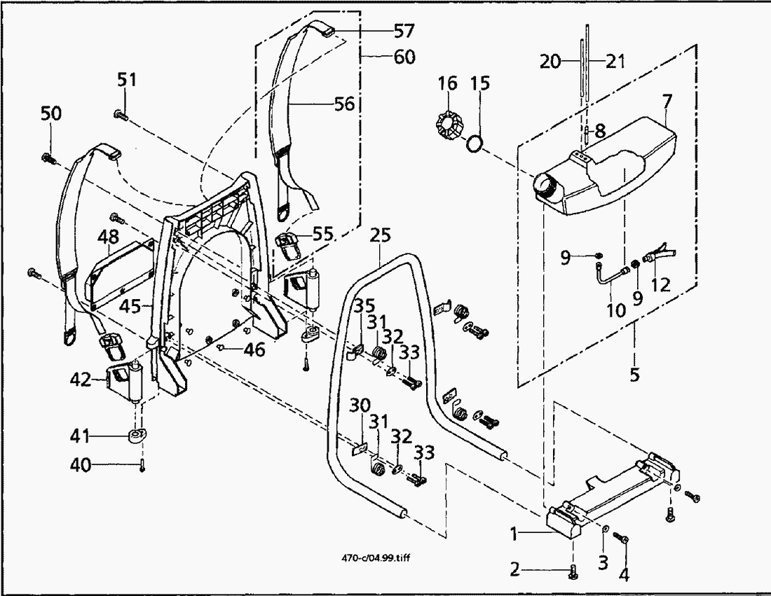
Pos.
Bezeichnung
Ersatzteilnummer
1
Bodenplatte
4073682
2
Linsenschraube 5x16 mm
0018274
3
Scheibe 5,3 mm
0030102
4
LI.SHR.5X30KTKX T25
0018275
5
BENZINTANK VS.
2700409
7
Benzintank
4071273
8
Stutzen
0066452
9
SCHLAUCHOESE6,7X0,9X2W.
0073351
10
Kraftstoffschlauch 3x105
6063302
12
Filter-Benzinsucher
2700404
15
Deckeldichtung 35x45,3x2)
0061280
16
Tankverschluß, kompl.
2700395
20
SCHLAUCH3X1,5X320 BENZINRUECKL
0064436
21
SCHLAUCH3X1,5XMT.PUR786SH.A87
0064300
25
Rohrbügel 22x1,5
4035904
30
Spannplatte
4042577
31
Dämpfungsfeder 3x19x26 mm
0073396
32
Flanschblech
6043107
33
Linsenschraube 5x20 mm
0018363
35
Spannbügel
4046100
40
Linsenschraube 5x20 mm
0018363
41
Kappe
4074126
42
Gurtbefestigung
4074275
45
Rückenplatte
4073680
46
NIET 5,7X18STECK.
0044144
48
RUECKENKISSEN
0098147
50
Linsenschraube 6x 20 mm
0018370
51
Linsenschraube 6x16
0018369
55
GURTSCHLIESSE
4074921
56
Tragegurt
4300335
57
GURTHALTER SWZ.
4074412
60
Tragegurt
4300332
Gebrauchsanweisungen
Solo
Pflanzenschutzgeräte
Motorsägen
Motorsensen
Motorhacken
Balkenmäher
Vertikutierer
Rasenmäher
Blasgeräte
414
470
ET 05/1999 Druck 9 470 701
Motor / Gehäuse
Starter
Tragegestell
Blasrohr
ET 05/2000 Druck 9 470 702
470-01 / 470-02
471 Kat
472
445
440
441
Multimot
Impressum
(C) by motoruf