Zurück zu
Solo
>
Motorsägen
>
Professionelle Motorsägen
>
662
>
ET 11/1993 Druck 9 662 709
>
Vergaser
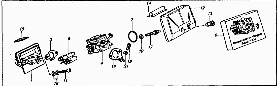
Ersatzteillisten für Solo Motorsägen Vergaser
Pos.
Bezeichnung
Ersatzteilnummer
1
VERGASERSTUTZEN
2300658
3
DIC.VERGASER.0,5 DICK
2061432
4
VERGASER 48A106B
2300673
5
REP.SET.VERG.BING 634
0510873
5
DIC.SET VERG.65-940/203
0510872
6
DUESENFUEHRUNG
2074390
7
O.RING30X2,5NBR/PERB 80SH.
0062246
10
SI.SCHEIBE5VS SCR.
0034201
11
ZYL.SHR.M5X28 912-8.8ZN
0010567
12
LUFTFILTER
2500620
13
MU.M5X12,5 SZ.FILTER.
0011282
14
PROFIL 3X20 KLEMM.
0073391
15
Filz
0061342
16
STUETZE VERGASER.
6043311
17
STIFTSHR.M5X46+6KT.MU.
0015279
18
SI.SCHEIBE5VS SCR.
0034201
19
ZYL.SHR.M5X10 912-8.8ZN GELB
0010157
20
SI.SCHEIBE5VS SCR.
0034201
Gebrauchsanweisungen
Solo
Pflanzenschutzgeräte
Motorsägen
Professionelle Motorsägen
603
694
690
680
670
667
662
ET 06/1999 Druck 9 662 712
ET 06/1998 Druck 9 662 711
ET 05/1997 Druck 9 662 710
ET 11/1993 Druck 9 662 709
elektronik
Vergaser
Kupplung/Starter
Kettenbremse
Elektronik/Griffheizung
Bügel/Handgriff
Motor
ET 11/1991 Druck 9 662 708
ET 11/1989 Druck 9 662 707
651
644
Semiprofessionelle Motorsägen
Hobby-Motorsägen
Elektrosägen
Motorsensen
Motorhacken
Balkenmäher
Vertikutierer
Rasenmäher
Blasgeräte
Multimot
Impressum
(C) by motoruf