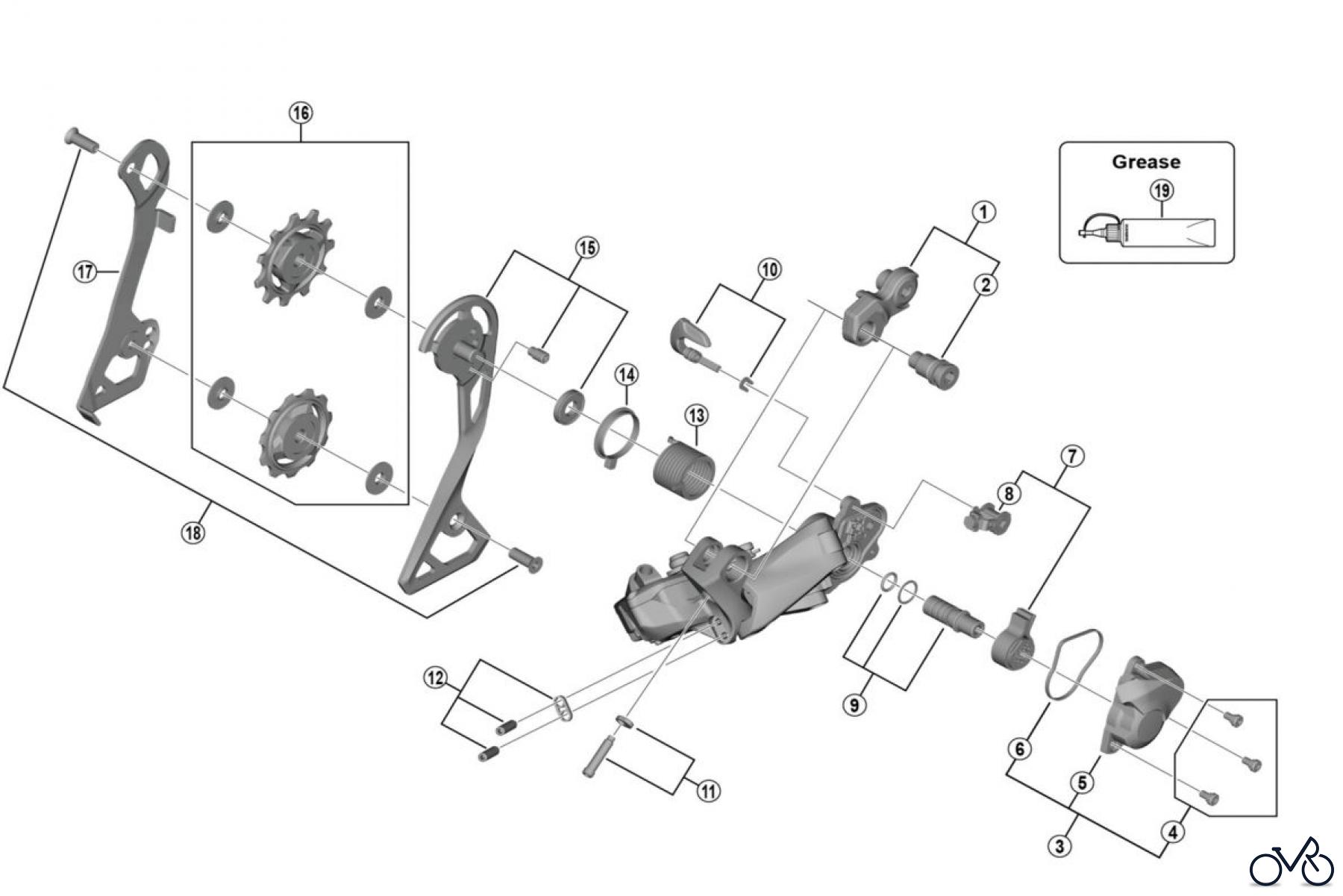
Shimano RD-RX805-GS-4435A ULTEGRA RX Rear Derailleur Ersatzteile
P-Seal Ring
Artikel Nummer:
Y-5PV24000
BildNr:
14
2.95 €
für EU incl. MwSt., zzgl. Versand
Der Artikel wurde in den Einkaufswagen gelegt!
sofort Lieferbar
Hier finden Sie die Ersatzteilzeichnung für Shimano RD Rear Derailleur - Schaltwerk RD-RX805-GS-4435A ULTEGRA RX Rear Derailleur. Wählen Sie das benötigte Ersatzteil aus der Ersatzteilliste Ihres Shimano Gerätes aus und bestellen Sie einfach online. Viele Shimano Ersatzteile halten wir ständig in unserem Lager für Sie bereit.












