Zurück zu
Solo
>
Motorsägen
>
Semiprofessionelle Motorsägen
>
633
>
ET 03/2000 Druck 9 633 700
>
Bügel/Handgriff
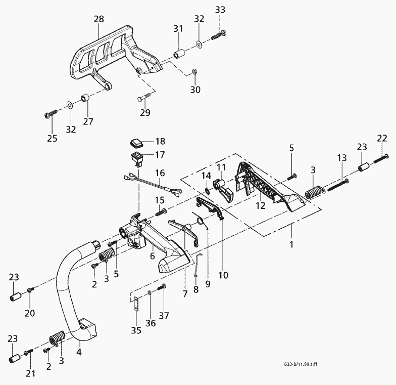
Ersatzteillisten für Solo Motorsägen Bügel/Handgriff
Pos.
Bezeichnung
Ersatzteilnummer
1
Griff rechts VS
6800350
2
Linsenschraube 5x12 mm
0018361
3
Dämpfungsfeder
0073397
4
Haltebügel
6073141
5
Linsenschraube 5x20 mm
0018363
6
Griffschale links
6073139
7
Umlenkhebel
6074113
8
Gasgestänge
2036133
9
Schenkelfeder 8x15
0073101
10
Sicherungshebel
6074114
11
Gashebel
6074115
12
Griffschale rechts
6073140
13
Linsenschraube 5x55
0018382
14
Sicherungsscheibe 7x13,5x1,4 mm
0035160
15
Linsenschraube 6x25mm
0018371
16
Kabel; Masse+Kurzschluß
0084125
17
Kurzschlussschalter
0084477
18
Kappe
2074918
22
Linsenschraube 5x35
0018276
23
Hülse (Wegbegrenzung)
6074130
20
Linsenschraube 5x12 mm
0018361
21
Linsenschraube 5x16 mm
0018274
25
Linsenschraube 5x20 mm
0018363
27
Distanzrohr 10x2,3x9 mm
0033231
28
Handschutz
6073142
29
6-kt.-Schraube M4x21,5 mm
6032690
30
Sechskantmutter M4
0028118
31
Distanzrohr 10x2,3x15,5 mm
0033230
32
Scheibe 5,2x12x0,5 mm
0072140
33
Linsenschraube 5x25 mm
0018257
35
Fangsicherung
0098140
36
Scheibe 5,3 mm
0030108
37
Linsenschraube 5x10
0018362
Gebrauchsanweisungen
Solo
Pflanzenschutzgeräte
Motorsägen
Professionelle Motorsägen
Semiprofessionelle Motorsägen
667 SP
654 / Farmer 46
647
651 SP
644 SP
650
645
639 / 639 Deko
633
ET 05/2002 Druck 9 633 701
ET 03/2000 Druck 9 633 700
Starter
Motor
Bügel/Handgriff
Hobby-Motorsägen
Elektrosägen
Motorsensen
Motorhacken
Balkenmäher
Vertikutierer
Rasenmäher
Blasgeräte
Multimot
Impressum
(C) by motoruf