Zurück zu
Solo
>
Motorsägen
>
Semiprofessionelle Motorsägen
>
633
>
ET 03/2000 Druck 9 633 700
>
Starter
Ersatzteillisten für Solo Motorsägen Starter
Ersatzteilliste 1
Ersatzteilliste 2
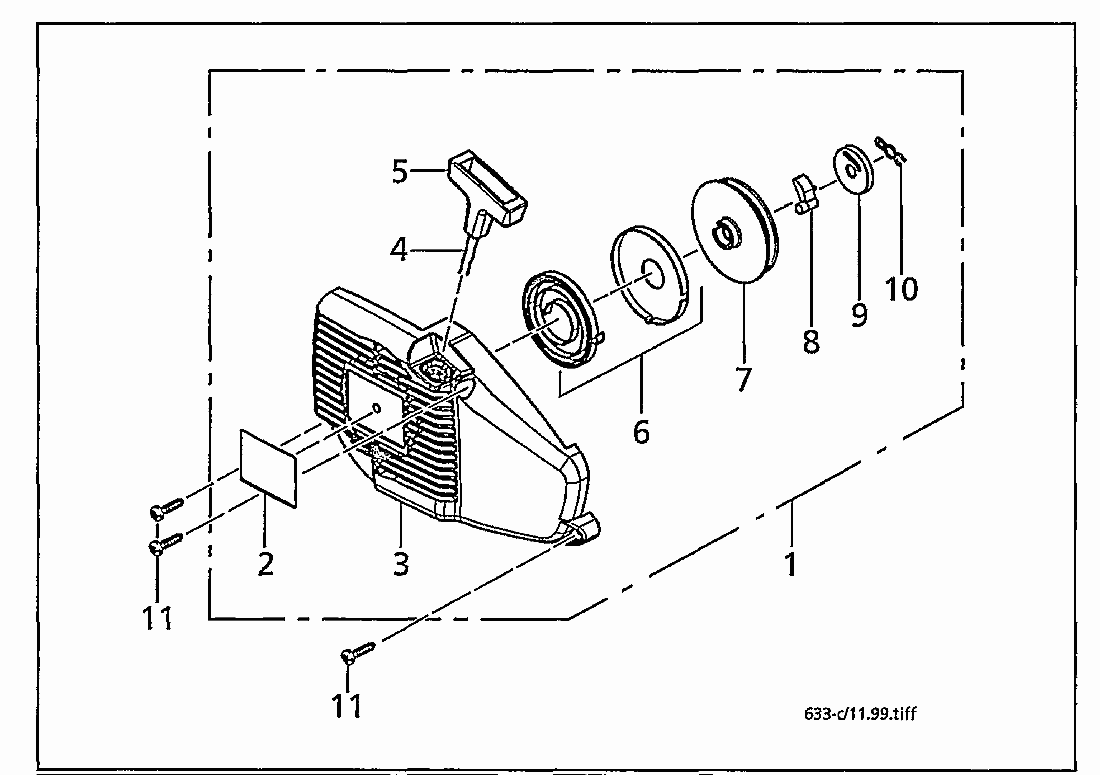
Pos.
Bezeichnung
Ersatzteilnummer
4
Starterseil 3x850 mm
006317025
Pos.
Bezeichnung
Ersatzteilnummer
1
Starter, kompl.
2600306
2
SKS “SOLO”
0069889
3
Startergehäuse
6073686
4
Starterseil 3x850
6317025
5
STARTERGRIFF
2074569
6
Federkassette
2600283
7
Seilrolle
2074992
8
Starterklinke
2074135
9
Kulisse
2074136
10
Federstecker 1,4
0073417
11
Linsenschraube 5x20 mm
0018363
Gebrauchsanweisungen
Solo
Pflanzenschutzgeräte
Motorsägen
Professionelle Motorsägen
Semiprofessionelle Motorsägen
667 SP
654 / Farmer 46
647
651 SP
644 SP
650
645
639 / 639 Deko
633
ET 05/2002 Druck 9 633 701
ET 03/2000 Druck 9 633 700
Starter
Motor
Bügel/Handgriff
Hobby-Motorsägen
Elektrosägen
Motorsensen
Motorhacken
Balkenmäher
Vertikutierer
Rasenmäher
Blasgeräte
Multimot
Impressum
(C) by motoruf