Zurück zu
Solo
>
Motorsägen
>
Professionelle Motorsägen
>
644
>
ET 10/1991 Druck 9 644 706
>
Elektronik/Griffheizung
Ersatzteillisten für Solo Motorsägen Elektronik/Griffheizung
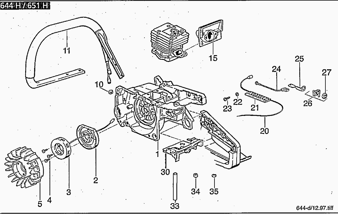
Pos.
Bezeichnung
Ersatzteilnummer
1
KURBELGEHAEUSE AS/ZS.644/651H
2100565
2
GENERATORABDECKUNG
6074432
3
GENERATOR MAGNET.
2300614
4
ZYL.SHR.M4X12 912
0010546
5
LUEFTERRAD12 1:7,5KEG.VS.644/651H
2400275
10
TUELLE4X6X3X6NBR.KABEL.
0066426
11
HALTEBUEGEL 644H/651H VS.
6800242
15
VERGASERSTUTZEN (HEIZUNG)
2300731
20
FOLIENELEMENT 2
0084574
21
UNTERLAGE14X65X3NBR SH.60 GI.
0094245
22
Scheibe 4,3 mm
0030135
23
ZYL.BL.SHR.3,5X6,5 7971C.ZN
0010478
24
KABEL55 MASSE.SWZ.
0084575
25
KONTAKTBLECH
2300648
26
SCHALTER KURZSCHLUSS.
2300469
27
RD.MU.M12X0,75MS+603
0021232
30
KONSOLE
2074464
33
SCHLAUCH5,5X1XMT.SILICON
0064384
34
TUELLE KABEL.
0066429
35
FEDERRING5 7980
0034151
Gebrauchsanweisungen
Solo
Pflanzenschutzgeräte
Motorsägen
Professionelle Motorsägen
603
694
690
680
670
667
662
651
644
ET 07/1999 Druck 9 644 707
ET 10/1991 Druck 9 644 706
Starter
Elektronik/Griffheizung
Bügel/Handgriff
Motor
ET 04/1996 Druck 9 644 705
ET 09/1993 Druck 9 644 704
ET 10/1991 Druck 9 644 703
ET 11/1989 Druck 9 644 702
Semiprofessionelle Motorsägen
Hobby-Motorsägen
Elektrosägen
Motorsensen
Motorhacken
Balkenmäher
Vertikutierer
Rasenmäher
Blasgeräte
Multimot
Impressum
(C) by motoruf